Mistero McIntosh (MA6100)

hi-fi, luci, suoni, effetti speciali, palcoscenici...

Moderatore: Foto UtenteIsidoroKZ

Avatar utente
Foto Utenteelfo
6.819 4 5 7
G.Master EY
G.Master EY
Messaggi: 2828
Iscritto il: 15 lug 2016, 13:27
0
voti

[11] Re: Mistero McIntosh (MA6100)

Messaggioda Foto Utenteelfo » 15 mag 2019, 9:20

elfo ha scritto:E' da chiedersi da dove viene e dove va la corrente che fa "fumare all'istante" R422 con Q408 rimosso.

da dove viene e dove va la corrente (causa) che fa "fumare all'istante" R422 (effetto)

R422 che fuma non e' il problema, ma e' un problema che (IMHO) andrebbe capito e risolto.

Avatar utente
Foto UtentePiercarlo
24,0k 6 11 13
G.Master EY
G.Master EY
Messaggi: 6724
Iscritto il: 30 mar 2010, 19:23
Località: Milano
0
voti

[12] Re: Mistero McIntosh (MA6100)

Messaggioda Foto UtentePiercarlo » 15 mag 2019, 9:39

Se guardi anche il tuo stesso schema, la risposta è immediata.

Avatar utente
Foto Utenteelfo
6.819 4 5 7
G.Master EY
G.Master EY
Messaggi: 2828
Iscritto il: 15 lug 2016, 13:27
0
voti

[13] Re: Mistero McIntosh (MA6100)

Messaggioda Foto Utenteelfo » 15 mag 2019, 9:44

'un c'arrivo :(

Avatar utente
Foto UtentePiercarlo
24,0k 6 11 13
G.Master EY
G.Master EY
Messaggi: 6724
Iscritto il: 30 mar 2010, 19:23
Località: Milano
0
voti

[14] Re: Mistero McIntosh (MA6100)

Messaggioda Foto UtentePiercarlo » 15 mag 2019, 9:58

Quando Q408 è presente, la sua giunzione b-e è in parallelo a R422, che viene "clampata" dalla giunzione stessa. Quando rimuovi Q408, l'effetto di clamping cessa di esistere e cessa anche di esistere l'effetto di limitazione di corrente sul finale. Se il finale, senza il limitatore, è mal pilotato da qualcosa che lo manda in saturazione, R422 va in fumo all'istante.

Il problema ora è trovare questo qualcosa. Sospetto che sia una perdita di isolamento e ho chiesto a chi ora ha in mano l'amplificatore di fare dei controlli; stasera ne saprò qualcosa.

Avatar utente
Foto Utenteelfo
6.819 4 5 7
G.Master EY
G.Master EY
Messaggi: 2828
Iscritto il: 15 lug 2016, 13:27
0
voti

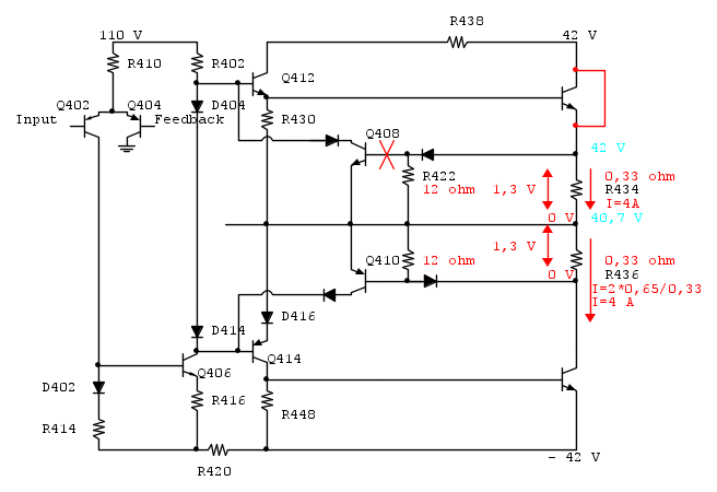
[15] Re: Mistero McIntosh (MA6100)

Messaggioda Foto Utenteelfo » 15 mag 2019, 10:30

Piercarlo ha scritto:Quando rimuovi Q408, l'effetto di clamping cessa di esistere e cessa anche di esistere l'effetto di limitazione di corrente sul finale.

Giusto! Corretto ! Hai Ragione!
Piercarlo ha scritto:Se il finale, senza il limitatore, è mal pilotato da qualcosa che lo manda in saturazione, R422 va in fumo all'istante.

Perche'?

Guarda lo schema qui sotto.

- La corrente del ramo di "sopra" puo' fluire (solo?) nel ramo di "sotto" I = 4 A (limitata da Q410)

- Ai capi di della resistenza R434 ci saranno 1,3 V ( 4 * 0,33) e quindi come fa a "fumare" R422?

Vedi i valori in rosso in cui si suppone che la tensione di uscita dell'amp sia 0 V

Se supponi che il tranistor di uscita di "sopra" sia in corto allora la tensione di uscita e' oltre 40 V - valori in celeste.

D'altronde la resistenza R422 "fuma" - dato di fatto - per cui il modellino ipotizzato qui sopra non e' corretto :(

Avatar utente
Foto UtentePiercarlo
24,0k 6 11 13
G.Master EY
G.Master EY
Messaggi: 6724
Iscritto il: 30 mar 2010, 19:23
Località: Milano
0
voti

[16] Re: Mistero McIntosh (MA6100)

Messaggioda Foto UtentePiercarlo » 15 mag 2019, 10:54

I finali sono a posto, altrimenti scambiando le schede il guasto rimarrebbe sempre sullo stesso canale, facendo saltare i fusibili, cosa che invece non succede.

Togliti dalla testa R422. il problema non sta lì (e nemmeno nei componenti della scheda, altrimenti sarebbe già stato risolto)

Avatar utente
Foto Utenteelfo
6.819 4 5 7
G.Master EY
G.Master EY
Messaggi: 2828
Iscritto il: 15 lug 2016, 13:27
0
voti

[17] Re: Mistero McIntosh (MA6100)

Messaggioda Foto Utenteelfo » 15 mag 2019, 10:57

elfo ha scritto:da dove viene e dove va la corrente che fa "fumare all'istante" R422?

Avatar utente
Foto UtentePiercarlo
24,0k 6 11 13
G.Master EY
G.Master EY
Messaggi: 6724
Iscritto il: 30 mar 2010, 19:23
Località: Milano
0
voti

[18] Re: Mistero McIntosh (MA6100)

Messaggioda Foto UtentePiercarlo » 15 mag 2019, 11:01

Beh, se sei di coccio non posso farci niente... Rileggiti tutto quello che ho scritto per favore. Tutto.

Avatar utente
Foto Utenteelfo
6.819 4 5 7
G.Master EY
G.Master EY
Messaggi: 2828
Iscritto il: 15 lug 2016, 13:27
0
voti

[19] Re: Mistero McIntosh (MA6100)

Messaggioda Foto Utenteelfo » 15 mag 2019, 11:58

Piercarlo ha scritto:sei di coccio

Metto:

Bacheca Trofei Posto d'Onore :mrgreen:

Avatar utente
Foto UtentePiercarlo
24,0k 6 11 13
G.Master EY
G.Master EY
Messaggi: 6724
Iscritto il: 30 mar 2010, 19:23
Località: Milano
0
voti

[20] Re: Mistero McIntosh (MA6100)

Messaggioda Foto UtentePiercarlo » 15 mag 2019, 13:08

Ripeto: tutte le informazioni che potevo dare le ho date. Ho allegato pure un file di LTSPICE e un pdf del circuito da riparare. Più aiuto di così non saprei proprio come darlo: la richiesta di aiuto è rivolta a chi, in elettronica, sa realmente marciare con le proprie gambe, perché se mi devo pure mettere a spiegare l'ovvio e a fare i disegnini e le freccine, allora ciao al secchio che continuo ad andare avanti da solo...

Il circuito di questo McIntosh è tra i più semplici (ma non banali) che si possano concepire e, in circostanze normali, la semplice sostituzione dei componenti guasti avrebbe dovuto risolvere i problemi senza ulteriori strascichi (tanto più che il vero lavoro per cui sono stato interpellato non era affatto riparare il circuito ma giusto trovare degli equivalenti a transistori che non solo avevano le sigle alterate ma sono pure presumibilmente fuori produzione da decenni).

I problemi sono nati proprio dal fatto che "l'ovvio" in questo caso non ha funzionato per nulla, costringendomi così a passare oltre, chiedendo implicitamente di aiutarmi a vedere il "non ovvio" che può annidarsi anche in un circuito relativamente semplice come questo. L'elettronica non è fatta solo di schemi elettrici: magari lo fosse!

Se qualcuno è in grado di suggerirmi quale luna guardare, invece di intestardirsi a parlarmi del dito, son tutto orecchi. Se no grazie lo stesso, ci mancherebbe.


Torna a “Elettronica e spettacolo”