
Delirio o realtà?
Moderatore:
IsidoroKZ
0
voti
Lapidario! 

"La follia sta nel fare sempre la stessa cosa aspettandosi risultati diversi".
"Parla soltanto quando sei sicuro che quello che dirai è più bello del silenzio".
Rispondere è cortesia, ma lasciare l'ultima parola ai cretini è arte.
"Parla soltanto quando sei sicuro che quello che dirai è più bello del silenzio".
Rispondere è cortesia, ma lasciare l'ultima parola ai cretini è arte.
-

TardoFreak
73,9k 8 12 13 - -EY Legend-

- Messaggi: 15754
- Iscritto il: 16 dic 2009, 11:10
- Località: Torino - 3° pianeta del Sistema Solare
0
voti
Casto il mio voto: delirio 
Bruno, ce lo facciamo un amplificatore con un gruppo Ward Leonard? Al posto del motore mettiamo un altoparlante elettrodinamico, con eccitazione indipendente!
Bruno, ce lo facciamo un amplificatore con un gruppo Ward Leonard? Al posto del motore mettiamo un altoparlante elettrodinamico, con eccitazione indipendente!
Per usare proficuamente un simulatore, bisogna sapere molta più elettronica di lui
Plug it in - it works better!
Il 555 sta all'elettronica come Arduino all'informatica! (entrambi loro malgrado)
Se volete risposte rispondete a tutte le mie domande
Plug it in - it works better!
Il 555 sta all'elettronica come Arduino all'informatica! (entrambi loro malgrado)
Se volete risposte rispondete a tutte le mie domande
0
voti
Per evitare la diabolica retroazione si potrebbe studiare un amplicatore hi-fi elettroidraulico.

"La follia sta nel fare sempre la stessa cosa aspettandosi risultati diversi".
"Parla soltanto quando sei sicuro che quello che dirai è più bello del silenzio".
Rispondere è cortesia, ma lasciare l'ultima parola ai cretini è arte.
"Parla soltanto quando sei sicuro che quello che dirai è più bello del silenzio".
Rispondere è cortesia, ma lasciare l'ultima parola ai cretini è arte.
-

TardoFreak
73,9k 8 12 13 - -EY Legend-

- Messaggi: 15754
- Iscritto il: 16 dic 2009, 11:10
- Località: Torino - 3° pianeta del Sistema Solare
0
voti
TardoFreak ha scritto:Per evitare la diabolica retroazione si potrebbe studiare un amplicatore hi-fi elettroidraulico.![]()
![]()
Da quando Isidoro ha mostrato che anche in un partitore resistivo esiste retroazione, ho dei grossi dubbi che sia realmente possibile realizzare una cosa QUALSIASI che non incorpori, anche remotamente, una qualche forma di retroazione... A parte questo mi sembra che il tipo abbia "abolito" la retroazione semplicemente negandone l'esistenza dove invece è presente alla grande... Direi che implicitamente è un suggerimento interessante per "abolire" anche altri problemi anche se non particolarmente nuovo!
Ciao!
Piercarlo
0
voti
IsidoroKZ ha scritto:Casto il mio voto: delirio
Bruno, ce lo facciamo un amplificatore con un gruppo Ward Leonard? Al posto del motore mettiamo un altoparlante elettrodinamico, con eccitazione indipendente!
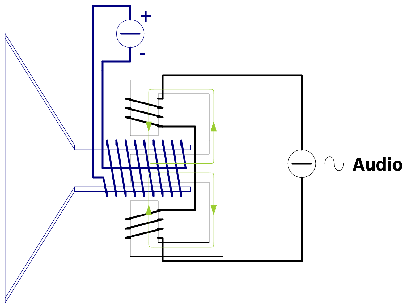
A parte gli scherzi: utilizzando un altoparlante elettrodinamico con eccitazione indipendente, se alimentassimo la bobina mobile con un generatore di corrente continua e applicassimo il segnale audio alla bobina di eccitazione, dovremmo raggiungere lo scopo: a parte le perdite, almeno idealmente, l'energia necessaria al movimento dovrebbe provenire dal generatore di corrente continua, mentre il segnale audio vedrebbe al massimo un carico induttivo ma non cederebbe energia all'altoparlante. Sbaglio qualcosa?
-

BrunoValente
39,6k 7 11 13 - G.Master EY

- Messaggi: 7796
- Iscritto il: 8 mag 2007, 14:48
0
voti
A parte il rischio di bruciare la bobina per eccesso di corrente continua, penso che sia una prova che si potrebbe fare mettendo le mani su qualche vecchio elettrodinamico (non troppo storico, mi raccomando...). Dopotutto si tratta solo di invertire le funzioni tra bobina mobile e bobina eccitatrice.
Ciao
Piercarlo
Ciao
Piercarlo
0
voti
Infatti mi stavo chiedendo se vale la pena sacrificare uno dei miei cimeli 
I generatori sono di corrente, quindi non dovrebbe esserci pericolo di troppa corrente.
Credo però vada riavvolta la bobina di eccitazione: ha troppe spire e una resistenza di perdita eccessiva. Nell'uso normale è voluto che sia così per poterla alimentare ad alta tensione ma per sperimentare la mia idea penso convenga una resistenza di perdita molto bassa altrimenti si dissiperebbe inutilmente potenza dal segnale audio ed inoltre l'induttanza deve essere pure minima altrimenti sarebbe difficoltoso assicurare la corrente necessaria alle frequenze alte.
Ho dubbi anche sul materiale del circuito magnetico di eccitazione che essendo pensato per un campo magnetico statico non credo si comporti bene con il segnale audio.
I generatori sono di corrente, quindi non dovrebbe esserci pericolo di troppa corrente.
Credo però vada riavvolta la bobina di eccitazione: ha troppe spire e una resistenza di perdita eccessiva. Nell'uso normale è voluto che sia così per poterla alimentare ad alta tensione ma per sperimentare la mia idea penso convenga una resistenza di perdita molto bassa altrimenti si dissiperebbe inutilmente potenza dal segnale audio ed inoltre l'induttanza deve essere pure minima altrimenti sarebbe difficoltoso assicurare la corrente necessaria alle frequenze alte.
Ho dubbi anche sul materiale del circuito magnetico di eccitazione che essendo pensato per un campo magnetico statico non credo si comporti bene con il segnale audio.
-

BrunoValente
39,6k 7 11 13 - G.Master EY

- Messaggi: 7796
- Iscritto il: 8 mag 2007, 14:48
0
voti
... Ma anzitutto mi chiedo: se l'idea è valida perché non è stata sfruttata?
-

BrunoValente
39,6k 7 11 13 - G.Master EY

- Messaggi: 7796
- Iscritto il: 8 mag 2007, 14:48
Torna a Elettronica e spettacolo
Chi c’è in linea
Visitano il forum: Nessuno e 11 ospiti

Elettrotecnica e non solo (admin)
Un gatto tra gli elettroni (IsidoroKZ)
Esperienza e simulazioni (g.schgor)
Moleskine di un idraulico (RenzoDF)
Il Blog di ElectroYou (webmaster)
Idee microcontrollate (TardoFreak)
PICcoli grandi PICMicro (Paolino)
Il blog elettrico di carloc (carloc)
DirtEYblooog (dirtydeeds)
Di tutto... un po' (jordan20)
AK47 (lillo)
Esperienze elettroniche (marco438)
Telecomunicazioni musicali (clavicordo)
Automazione ed Elettronica (gustavo)
Direttive per la sicurezza (ErnestoCappelletti)
EYnfo dall'Alaska (mir)
Apriamo il quadro! (attilio)
H7-25 (asdf)
Passione Elettrica (massimob)
Elettroni a spasso (guidob)
Bloguerra (guerra)

