mosfet che si saturano da soli
Moderatore:
IsidoroKZ
46 messaggi
• Pagina 3 di 5 • 1, 2, 3, 4, 5
1
voti
Se la corrente che ti serve pilotare e di soli 50mA non serve scomodare un irf da decine di A.
Basta un magnifico bc517 un darlington ottimizzato per il funzionamento in saturazione con hfe =1000 .
A questi valori di corrente la Vce sat dovrebbe essere inferiore a 0.8 V e la corrente di base pari a 0.1 mA.
https://www.onsemi.com/pub/Collateral/BC517-D74Z-D.PDF
Una idea in piu ...
Ciao
Basta un magnifico bc517 un darlington ottimizzato per il funzionamento in saturazione con hfe =1000 .
A questi valori di corrente la Vce sat dovrebbe essere inferiore a 0.8 V e la corrente di base pari a 0.1 mA.
https://www.onsemi.com/pub/Collateral/BC517-D74Z-D.PDF
Una idea in piu ...
Ciao
0
voti
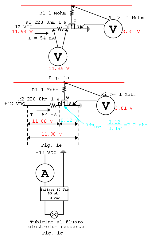
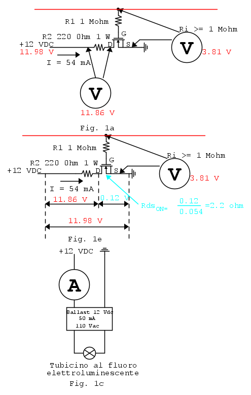
1) Confermi i valori riportati in rosso nella Fig.1a ripresi dal tuo post [19] (ho capito bene?)
2) Dovresti, per favore, fare la prova del circuito di Fig. 1c per misurare la corrente assorbita dal Ballast.
3)
Se ti riferisci alla resistenza R1 da 1 Mohm, per favore non fare prove che non ti sono state suggerite.
Il valore di 1 Mohm per R1 e' un "obbrobrio" ma ha una logica di Troubleshooting.
Quando un sistema funziona male e non riesci a migliorarlo, peggioralo
per cercare di capire quali sono i parametri che sono "in gioco" per il (buon) funzionamento del sistema.
2) Dovresti, per favore, fare la prova del circuito di Fig. 1c per misurare la corrente assorbita dal Ballast.
3)
pino81 ha scritto:neanche con resistori kohm o ohm
Se ti riferisci alla resistenza R1 da 1 Mohm, per favore non fare prove che non ti sono state suggerite.
Il valore di 1 Mohm per R1 e' un "obbrobrio" ma ha una logica di Troubleshooting.
Quando un sistema funziona male e non riesci a migliorarlo, peggioralo
0
voti
si elfo,la resistenza di gate,solo in pilotaggio diretto riesce a vedersi una lucina fioca ,e solo col secondo MOS si accende un po meglio.. ma non al suo massimo; ripeto,il problema è che i o il mosfet dopo un po' va in conduzione e mi fa accendere le luci indefinitamente ed alla massima luminosità come non riesco neanche sotto comando,cioe come.se sono alimentate direttamente senza attenuazione, devo commutare l'interruttore illuminazione e rispegnerle allora stanno spente per una manciata di minuti, sefano il bc517 dici che farebbe al caso.. ? ma perché se non ci riesce 1 MOS,dovrebbe riuscirci un semplice transistor.. ? (non che abbia fatto la prova..)
ps.i mosfet irf740a erano destinati ad un piccolo inverter 12/220
ps.i mosfet irf740a erano destinati ad un piccolo inverter 12/220
0
voti
Perché ogni componente ha un campo di applicazione diverso.
L'irf è un mosfet ottimo ma non va in conduzione a tensioni così basse.
Il bc 517 non è assolutamente un normale transistor ma è un darlington studiato apposta per questo tipo di applicazioni come pilotare un rele o accendere un piccolo carico fino a circa 1A.
Avendo hfe di 20000 e hfesat di 1000 è in grado di fare concorrenza ai mosfet per tensioni di base basse come nel tuo caso.
Non puoi quindi sostituirlo con un normale transistor.
Se ne hai uno in casa prova per me va meglio dei due mosfet.
Altrimenti aspetti che arriva IRL...
P. S. carico massimo di progetto 100mA.
Ciao
L'irf è un mosfet ottimo ma non va in conduzione a tensioni così basse.
Il bc 517 non è assolutamente un normale transistor ma è un darlington studiato apposta per questo tipo di applicazioni come pilotare un rele o accendere un piccolo carico fino a circa 1A.
Avendo hfe di 20000 e hfesat di 1000 è in grado di fare concorrenza ai mosfet per tensioni di base basse come nel tuo caso.
Non puoi quindi sostituirlo con un normale transistor.
Se ne hai uno in casa prova per me va meglio dei due mosfet.
Altrimenti aspetti che arriva IRL...
P. S. carico massimo di progetto 100mA.
Ciao
0
voti
pino81 ha scritto:si elfo,la resistenza di gate,solo in pilotaggio diretto riesce a vedersi una lucina fioca ,e solo col secondo MOS si accende un po meglio.. ma non al suo massimo; ripeto,il problema è che i o il mosfet dopo un po' va in conduzione e mi fa accendere le luci indefinitamente ed alla massima luminosità come non riesco neanche sotto comando,cioe come.se sono alimentate direttamente senza attenuazione, devo commutare l'interruttore illuminazione e rispegnerle allora stanno spente per una manciata di minuti, sefano il bc517 dici che farebbe al caso.. ? ma perché se non ci riesce 1 MOS,dovrebbe riuscirci un semplice transistor.. ? (non che abbia fatto la prova..)
ps.i mosfet irf740a erano destinati ad un piccolo inverter 12/220
Quoto tutto - in spregio
Nel circuito di Fig. 1a sono riportate le misure del tuo post [19]
1) Domanda: i valori riportati (in rosso) sono corretti?
Nella Fig. 1e sono riportati:
- gli stessi valori (in rosso)
- due valori (in blu) derivati dalle misure precedenti:
a) tensione tra Drain e Source del Mosfet: 0.12 V
b) resistenza tra Drain e Source del Mosfet (in quelle condizioni operative): 2.2 ohm
2) Domanda: se il carico sul Drain del Mosfet assorbe <= 50 mA ed ha una tensione nominale di funzionamento di 12 V, come fa a "non funzionare" (ai capi del carico sono presenti 11.86 V ed ha in serie una resistenza da 2.2 ohm)?
3) Domanda: siamo sicuri che il carico "reale" (Ballast) che applichi sul Drain del Mosfet assorba solo 50 mA?
4) Domanda: hai fatto la prova del post [24] Fig. 1c (che riporto qui sotto) per misurare la corrente effettivamente assorbita dal Ballast?
5 ) Domanda: qual e' il valore che legge l'amperometro nel circuito di Fig. 1c?
pino81 ha scritto:non va in conduzione
pino81 ha scritto:ripeto,il problema è che i o il mosfet dopo un po' va in conduzione
pino81 ha scritto:solo in pilotaggio diretto riesce a vedersi una lucina fioca ,e solo col secondo MOS si accende un po meglio
6) Domande: Il mosfet va in conduzione? Il mosfet NON va in conduzione?
7) Domanda: dove e' il "secondo MOS" negli schemi che ti ho chiesto gentilmente di provare?
0
voti
ok stefano,vedrò se ho qualche bc517 in vecchie PCB,allora elfo faccio un po' di chiarezza:
con 1 solo MOS (irf740a forse il peggio indicato per questa applicazione) all azionamento delle luci si accende a malappena il tubo impercettibilmente,quindi ho tralasciato questa soluzione e non so se vada in auto conduzione dopo un tot tempo,con 2 MOS (darlington) si accende il tubo di più ma sempre come sotto alimentato ma accettabile,anzi preferibile piuttosto che la piena luminosità,quindi quando spengo le luci,si spegne il tutto,quindi assemblo il tutto (lavorando con la batteria scollegata) quindi ricollego la betteria sicuro del funzionamento del sitema quando mi accorgo dopo circa 5 min. che senza accendere io niente lentamente il tubo acquista luminosità fino a superare l'intensità sotto comando luci e splendere come connesso direttamente ai 12 volt,riguardo il reale consumo non ci ho capito neanch'io un granche.. ho fato uno screen da una pagina tradotta
con 1 solo MOS (irf740a forse il peggio indicato per questa applicazione) all azionamento delle luci si accende a malappena il tubo impercettibilmente,quindi ho tralasciato questa soluzione e non so se vada in auto conduzione dopo un tot tempo,con 2 MOS (darlington) si accende il tubo di più ma sempre come sotto alimentato ma accettabile,anzi preferibile piuttosto che la piena luminosità,quindi quando spengo le luci,si spegne il tutto,quindi assemblo il tutto (lavorando con la batteria scollegata) quindi ricollego la betteria sicuro del funzionamento del sitema quando mi accorgo dopo circa 5 min. che senza accendere io niente lentamente il tubo acquista luminosità fino a superare l'intensità sotto comando luci e splendere come connesso direttamente ai 12 volt,riguardo il reale consumo non ci ho capito neanch'io un granche.. ho fato uno screen da una pagina tradotta
Ultima modifica di
pino81 il 11 ago 2020, 14:50, modificato 1 volta in totale.
0
voti
pino81 ha scritto:con 1 solo MOS (irf740a forse il peggio indicato per questa applicazione) all azionamento delle luci si accende a malappena il tubo impercettibilmente
Perche'?
Dalla misure che hai fatto non dovrebbe succedere.
pino81 ha scritto:con 2 MOS (darlington) si accende il tubo
IsidoroKZ ha scritto:Una coppia Darlington fatta di MOS non ha alcun senso
Prova a montare questo circuito Fig. 1d (che dovresti avere gia' perche' hai fatto le prove) e:
1) fai il ponticello rosso (tra Drain e Source del Mosfet - ponticello blu aperto) e guarda quello che succede - misura la tensione con il Voltmetro V
2) fai il ponticello blu tra Gate e Source del Mosfet - ponticello rosso aperto) guarda quello che succede - misura la tensione con il voltmetro V
P.S. quando qualcosa non funziona (e dovrebbe invece funzionare) non si cambiano pezzi giusto per cambiarli - sperando che funzioni - ma si cerca di capire perche' non funziona.
P.P,S. Non mi hai risposto se hai misurato la corrente che assorbe il Ballast e che valore e'
P.P.P.S. Il circuito di Fig. 1d non e' il circuito che "dovra' funzionare" ma serve per capire i problemi (circuito di Troubleshooting)
0
voti
Ogni metro di EL (...) assorbe 10-15 mA ad alta tensione il che significa circa 1.5 W/metro (a 100 Vca)
Tu quanti metri hai?
1.5 W @ 12 V significano 125 mA (e non 50 mA come hai scritto te)
Dobbiamo poi considerare il rendimento del DC/DC converter 12 v -> 110 V per cui per ogni metro occorre considerare un assorbimento di (almeno) 150 mA @ 12 V (3 volte quanto ipotizzato inizialmente).
Garbage in, garbage out dicono negli USA
46 messaggi
• Pagina 3 di 5 • 1, 2, 3, 4, 5
Torna a Elettronica e spettacolo
Chi c’è in linea
Visitano il forum: Nessuno e 11 ospiti

Elettrotecnica e non solo (admin)
Un gatto tra gli elettroni (IsidoroKZ)
Esperienza e simulazioni (g.schgor)
Moleskine di un idraulico (RenzoDF)
Il Blog di ElectroYou (webmaster)
Idee microcontrollate (TardoFreak)
PICcoli grandi PICMicro (Paolino)
Il blog elettrico di carloc (carloc)
DirtEYblooog (dirtydeeds)
Di tutto... un po' (jordan20)
AK47 (lillo)
Esperienze elettroniche (marco438)
Telecomunicazioni musicali (clavicordo)
Automazione ed Elettronica (gustavo)
Direttive per la sicurezza (ErnestoCappelletti)
EYnfo dall'Alaska (mir)
Apriamo il quadro! (attilio)
H7-25 (asdf)
Passione Elettrica (massimob)
Elettroni a spasso (guidob)
Bloguerra (guerra)










