Phantom +48V
Moderatore:
IsidoroKZ
42 messaggi
• Pagina 4 di 5 • 1, 2, 3, 4, 5
0
voti
[32] Re: phantom +48V
Volevi dire che la tensione scende a 38V?
Stabilizzare vuol dire altra cosa; hai visto lo schema postato da
FedericoSibona?
Stabilizzare vuol dire altra cosa; hai visto lo schema postato da
marco
0
voti
[34] Re: phantom +48V
Una migliore stabilizzazione, ma penso che prima si debba stabilire cosa vuol dire.
Una tensione si dice stabilizzata quando, all'applicazione di un carico, il suo valore non cambia.
Una tensione si dice stabilizzata quando, all'applicazione di un carico, il suo valore non cambia.
marco
0
voti
[37] Re: phantom +48V
MavKtr ha scritto:E' la seconda volta che abuso di questo termine...
![]()
Siamo su un forum tecnico e i termini usati devono essere attentamente pesati prima di scriverli
marco
0
voti
[38] Re: phantom +48V
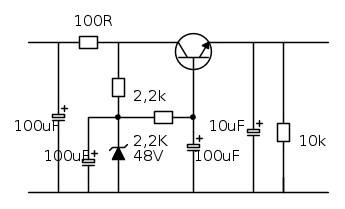
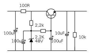
non dovrebbe essere cosi? e in questo caso il diodo va sempre bene da 1,3W? o meglio da 0,5?
0
voti
[40] Re: phantom +48V
Beh, io di solito, a quest'ora devo preparare la cena.
Ricorda che sollecitare le risposte non e' cosa gradita su questo forum e poi, mi sembra che di risposte tu ne abbia avute parecchie.
Porta pazienza.
Ricorda che sollecitare le risposte non e' cosa gradita su questo forum e poi, mi sembra che di risposte tu ne abbia avute parecchie.
Porta pazienza.
marco
42 messaggi
• Pagina 4 di 5 • 1, 2, 3, 4, 5
Torna a Elettronica e spettacolo
Chi c’è in linea
Visitano il forum: Nessuno e 17 ospiti

Elettrotecnica e non solo (admin)
Un gatto tra gli elettroni (IsidoroKZ)
Esperienza e simulazioni (g.schgor)
Moleskine di un idraulico (RenzoDF)
Il Blog di ElectroYou (webmaster)
Idee microcontrollate (TardoFreak)
PICcoli grandi PICMicro (Paolino)
Il blog elettrico di carloc (carloc)
DirtEYblooog (dirtydeeds)
Di tutto... un po' (jordan20)
AK47 (lillo)
Esperienze elettroniche (marco438)
Telecomunicazioni musicali (clavicordo)
Automazione ed Elettronica (gustavo)
Direttive per la sicurezza (ErnestoCappelletti)
EYnfo dall'Alaska (mir)
Apriamo il quadro! (attilio)
H7-25 (asdf)
Passione Elettrica (massimob)
Elettroni a spasso (guidob)
Bloguerra (guerra)



E' la seconda volta che abuso di questo termine...



