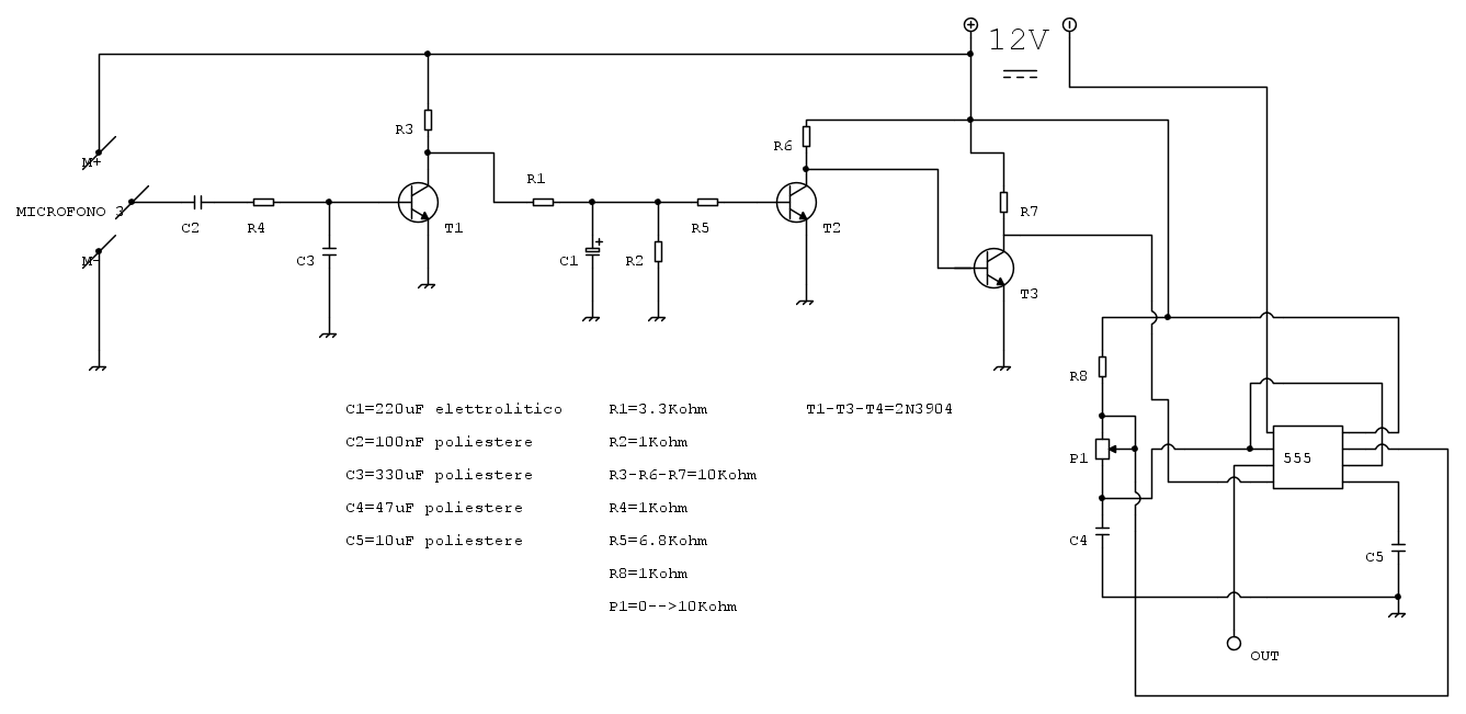
No, avevo detto che T1 doveva essere messo
al posto del diodo D1, per rettificare ed amplificare
il suono dopo il filtro a 500Hz.
Strobo a ritmo di musica
Moderatore:
IsidoroKZ
0
voti
aaahh ok mi sono confuso...
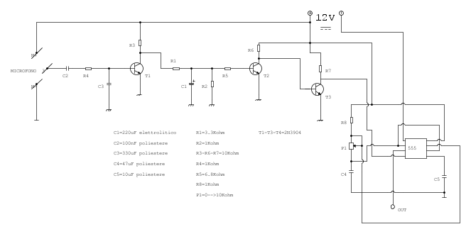
riecco lo schema con D1 sostituito con T1

riecco lo schema con D1 sostituito con T1

0
voti
in questo disegno ci sono sia D1 che T1...
quindi io per deduzione ho spostato solo T1 al posto di D1 ma le 2 resistenze e il condensatore li ho lasciati dove sono... e quindi vanno a finire dopo il transitor (una volta spostato)...
devo anche spostare le 2 resist. e il cond. prima di T1 o va bene cosi lo schema di sopra.....?

0
voti
Lo schema del post[32] ora va bene
(solo la R5 è superflua).
Per dimensionare i componenti, proporrei una simulazione
(ad es.in MicroCap9). Se sei d'accordo, potremmo iniziare
dal filtro delle frequenze (passa-basso 500Hz ?).
(solo la R5 è superflua).
Per dimensionare i componenti, proporrei una simulazione
(ad es.in MicroCap9). Se sei d'accordo, potremmo iniziare
dal filtro delle frequenze (passa-basso 500Hz ?).
0
voti
Volevo chiederti le caratteristiche del microfono che usi
(che segnale massimo, in tensione e corrente).
Mi sono accorto che anche T1 inverte il segnale,
quindi credo opportuno tornare al diodo, con un
potenziometro che permetta di tarare il valore
del segnale stesso. Ma ovviamente dipende da
quanto può dare il microfono.
(che segnale massimo, in tensione e corrente).
Mi sono accorto che anche T1 inverte il segnale,
quindi credo opportuno tornare al diodo, con un
potenziometro che permetta di tarare il valore
del segnale stesso. Ma ovviamente dipende da
quanto può dare il microfono.
0
voti
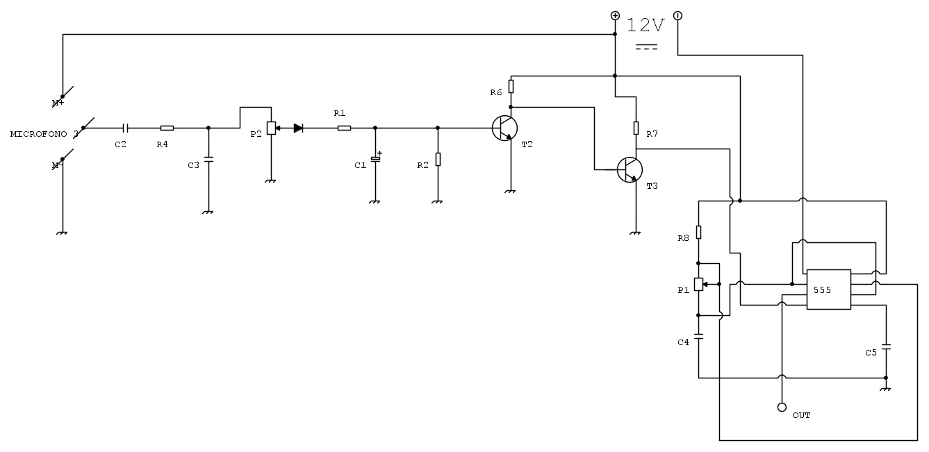
io volevo usare un microfono piezoelettrico... o capsula piezzoelettrica in questo momento mi sfugge il nome...
il potenziometro lo metto in serie o come rispetto al diodo...?

g.schgor ha scritto:credo opportuno tornare al diodo, con un
potenziometro che permetta di tarare il valore
del segnale stesso
il potenziometro lo metto in serie o come rispetto al diodo...?

0
voti
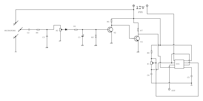
Se il microfono è electret, occorre utilizzare il transistor T1
come preamplificatore (vedi).
Allora il circuito va modificato così:
come preamplificatore (vedi).
Allora il circuito va modificato così:
0
voti
dimitri94 ha scritto:occorre utilizzare il transistor T1
come preamplificatore (vedi).
Allora il circuito va modificato così:
xo nel disegno c' è solo T2... comunque ho rifatto il circuito con la modifica che mi ai detto:

Torna a Elettronica e spettacolo
Chi c’è in linea
Visitano il forum: Nessuno e 26 ospiti

Elettrotecnica e non solo (admin)
Un gatto tra gli elettroni (IsidoroKZ)
Esperienza e simulazioni (g.schgor)
Moleskine di un idraulico (RenzoDF)
Il Blog di ElectroYou (webmaster)
Idee microcontrollate (TardoFreak)
PICcoli grandi PICMicro (Paolino)
Il blog elettrico di carloc (carloc)
DirtEYblooog (dirtydeeds)
Di tutto... un po' (jordan20)
AK47 (lillo)
Esperienze elettroniche (marco438)
Telecomunicazioni musicali (clavicordo)
Automazione ed Elettronica (gustavo)
Direttive per la sicurezza (ErnestoCappelletti)
EYnfo dall'Alaska (mir)
Apriamo il quadro! (attilio)
H7-25 (asdf)
Passione Elettrica (massimob)
Elettroni a spasso (guidob)
Bloguerra (guerra)






