ho saldato le resistenze ho collegato la batteria ma non succede nulla , con il tester ho controllato tutti e 3 gli interruttori e rilevo i 10v della batteria però i display non si accendono , come faccio a fare il test diodi/continuità ai display per vedere se non sono bruciati? dove devo toccare con il tester
forse dovevo usare il tipo anodo? perché i miei sono catodo
Contatore con led infrarosso e ricevitore
Moderatore:
IsidoroKZ
0
voti
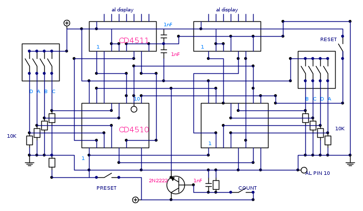
Devi individuare il catodo comune che normalmente e' presente sui pin centrali sopra e sotto, e lo colleghi al negativo batteria; poi con un altro filo collegato al positivo e ad una resistenza. vai a toccare tutti gli altri pin che dovrebbero fare accendere un segmento alla volta o il punto decimale.
marco
0
voti
funzionano così si accendono per singolo elemento , i dip switch come li devo impostare?
-

CavaliereSbullonato
43 6 - Frequentatore

- Messaggi: 173
- Iscritto il: 18 ott 2011, 17:16
0
voti
fatto ma nulla non si accendono 
sicuramente sbaglio qualcosa io
collego la batteria e poi che devo fare?

sicuramente sbaglio qualcosa io
collego la batteria e poi che devo fare?
-

CavaliereSbullonato
43 6 - Frequentatore

- Messaggi: 173
- Iscritto il: 18 ott 2011, 17:16
0
voti
Ho l'impressione che tu abbia fatto le cose con troppa celerita'.
Ti consiglio di controllare tutti i collegamenti, schema alla mano; e' evidente che qualcosa e' sbagliato o dimenticato.
Se credi posta qualche foto della realizzazione che piu' tardi ci do un'occhiata; ora devo uscire.
Ti consiglio di controllare tutti i collegamenti, schema alla mano; e' evidente che qualcosa e' sbagliato o dimenticato.
Se credi posta qualche foto della realizzazione che piu' tardi ci do un'occhiata; ora devo uscire.
marco
0
voti
ho ricontrollato 6 volte e ho aggiustato degli errori perché alcune piste si sovrappongono e non capisco bene se si toccano o no sul tuo schema ho segnato i punti di connessione , sono giusti ? oppure c'è qualcosa che non va bene
-

CavaliereSbullonato
43 6 - Frequentatore

- Messaggi: 173
- Iscritto il: 18 ott 2011, 17:16
0
voti
il lato destro del count dove lo devo collegare direttamente al down giusto?
la corrente passa dappertutto i pezzi non si scaldano e la batteria nemmeno leggendo altre pagine online dicono di usare il display anodo mi sto facendo il flash che non si accendono perché sono catodi i miei
la corrente passa dappertutto i pezzi non si scaldano e la batteria nemmeno leggendo altre pagine online dicono di usare il display anodo mi sto facendo il flash che non si accendono perché sono catodi i miei
-

CavaliereSbullonato
43 6 - Frequentatore

- Messaggi: 173
- Iscritto il: 18 ott 2011, 17:16
0
voti
I CD4511 sono decoder per display a catodo comune, non e' quello il problema; sarebbe bene, quando costruite un circuito, che vi leggeste almeno il datasheet dei componenti che state usando.
Forse la corrente erogata dalla batteria non e' sufficiente o la batteria e' scarica, sempre che non ci siano altri errori; su questo punto gia' ti avevo avvertito. Non hai un alimentatore variabile a portata di mano?
Comunque, una volta collegata una batteria carica, controlla con il tester la tensione su tutti gli integrati e poi riporta il risultato (pin 16 positivo, pin 8 negativo).
Forse la corrente erogata dalla batteria non e' sufficiente o la batteria e' scarica, sempre che non ci siano altri errori; su questo punto gia' ti avevo avvertito. Non hai un alimentatore variabile a portata di mano?
Comunque, una volta collegata una batteria carica, controlla con il tester la tensione su tutti gli integrati e poi riporta il risultato (pin 16 positivo, pin 8 negativo).
marco
Torna a Elettronica e spettacolo
Chi c’è in linea
Visitano il forum: Nessuno e 13 ospiti

Elettrotecnica e non solo (admin)
Un gatto tra gli elettroni (IsidoroKZ)
Esperienza e simulazioni (g.schgor)
Moleskine di un idraulico (RenzoDF)
Il Blog di ElectroYou (webmaster)
Idee microcontrollate (TardoFreak)
PICcoli grandi PICMicro (Paolino)
Il blog elettrico di carloc (carloc)
DirtEYblooog (dirtydeeds)
Di tutto... un po' (jordan20)
AK47 (lillo)
Esperienze elettroniche (marco438)
Telecomunicazioni musicali (clavicordo)
Automazione ed Elettronica (gustavo)
Direttive per la sicurezza (ErnestoCappelletti)
EYnfo dall'Alaska (mir)
Apriamo il quadro! (attilio)
H7-25 (asdf)
Passione Elettrica (massimob)
Elettroni a spasso (guidob)
Bloguerra (guerra)

