Schema led lampeggiante
Moderatore:
IsidoroKZ
38 messaggi
• Pagina 4 di 4 • 1, 2, 3, 4
0
voti
ma il led driver di cui parla elfo cosa e?
un circuito o un componente?
mi permette di far lampeggiare il led con il tempo che voglio io?
un circuito o un componente?
mi permette di far lampeggiare il led con il tempo che voglio io?
-

emanuele1974
0 2 - Messaggi: 17
- Iscritto il: 3 ott 2018, 11:51
0
voti
Un LED Driver è semplicemente, come dice il nome, un circuito che serve per pilotare il LED.
In genere si fissa, con una resistenza, la corrente che deve circolare nel LED e poi lui si aggiusta per garantire che questo avvenga.
E’ costituito solitamente da un circuito integrato con alcuni componenti intorno, tipo un induttore, qualche condensatore e qualche diodo.
Quasi tutti hanno un pin di ON-OFF, che, nel tuo caso, va pilotato col 555.
Ti avevo suggerito lo schema che ho postato per semplicità; costruire un modulatore switching (i LED driver sono fatti con questa tecnologia quasi sempre) potrebbe non essere immediato e, nel caso in cui tu voglia seguire questa strada, ti consiglierei di comprarne uno già fatto, per esempio su ebay, a cui abbinare il tuo circuito col 555.
Ciao,
Pietro.
In genere si fissa, con una resistenza, la corrente che deve circolare nel LED e poi lui si aggiusta per garantire che questo avvenga.
E’ costituito solitamente da un circuito integrato con alcuni componenti intorno, tipo un induttore, qualche condensatore e qualche diodo.
Quasi tutti hanno un pin di ON-OFF, che, nel tuo caso, va pilotato col 555.
Ti avevo suggerito lo schema che ho postato per semplicità; costruire un modulatore switching (i LED driver sono fatti con questa tecnologia quasi sempre) potrebbe non essere immediato e, nel caso in cui tu voglia seguire questa strada, ti consiglierei di comprarne uno già fatto, per esempio su ebay, a cui abbinare il tuo circuito col 555.
Ciao,
Pietro.
-

PietroBaima
90,7k 7 12 13 - G.Master EY

- Messaggi: 12206
- Iscritto il: 12 ago 2012, 1:20
- Località: Londra
0
voti
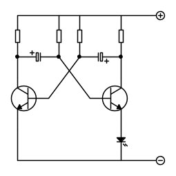
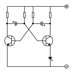
Mi permetto di consigliare lo schema di seguito. Non l'ho mai provato ma è un ultraclassico. Per il dimensionamento dei componenti basta girare un po' in rete.
0
voti
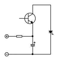
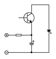
Oppure questo che, personalmente, trovo elegante nella sua scarna semplicità. A differenza dell'altro che ho postato, con questo schema ho giocato un po' per ottenere un effetto tremolio per un led rgb (tre circuiti gemelli) da inserire in una lanterna del presepe. In questo caso a seconda del BJT bisogna giocare un po' con resistenza e condensatore per ottenere i tempi desiderati.
0
voti
I due schemi qui sopra non sono ben progettati, purtroppo, sebbene il primo sia uno schema molto popolare.
In entrambi gli schemi si stressano i componenti.
Nel secondo manca una resistenza di limitazione per il LED e va osservato che non sia una buona pratica portare in valanga un transistore per progettare un oscillatore a rilassamento.
Ciao,
Pietro.
In entrambi gli schemi si stressano i componenti.
Nel secondo manca una resistenza di limitazione per il LED e va osservato che non sia una buona pratica portare in valanga un transistore per progettare un oscillatore a rilassamento.
Ciao,
Pietro.
-

PietroBaima
90,7k 7 12 13 - G.Master EY

- Messaggi: 12206
- Iscritto il: 12 ago 2012, 1:20
- Località: Londra
38 messaggi
• Pagina 4 di 4 • 1, 2, 3, 4
Torna a Elettronica e spettacolo
Chi c’è in linea
Visitano il forum: Nessuno e 12 ospiti

Elettrotecnica e non solo (admin)
Un gatto tra gli elettroni (IsidoroKZ)
Esperienza e simulazioni (g.schgor)
Moleskine di un idraulico (RenzoDF)
Il Blog di ElectroYou (webmaster)
Idee microcontrollate (TardoFreak)
PICcoli grandi PICMicro (Paolino)
Il blog elettrico di carloc (carloc)
DirtEYblooog (dirtydeeds)
Di tutto... un po' (jordan20)
AK47 (lillo)
Esperienze elettroniche (marco438)
Telecomunicazioni musicali (clavicordo)
Automazione ed Elettronica (gustavo)
Direttive per la sicurezza (ErnestoCappelletti)
EYnfo dall'Alaska (mir)
Apriamo il quadro! (attilio)
H7-25 (asdf)
Passione Elettrica (massimob)
Elettroni a spasso (guidob)
Bloguerra (guerra)
pigreco]=π

