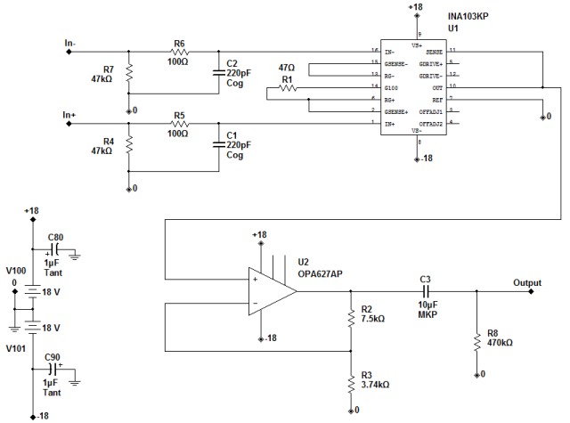
In settimana mi arriva l'INA 103, ho disegnato questo, poi l'ho portato nel
simulatore ed ho aggiustato i valori dei componenti , cosi a prima vista
notate qualche castronata che il simulatore ignora ?
l'ho pensato cosi :
il primo stadio è un RC con protezione (R7 C2 R6)
il secondo amplifica (ina103) entrano 20 mV ed escono 3 V
il terzo riamplifica di 4 volte (opa627), disaccoppia (C3), protegge (R8) e poi esce
Grazie.
ps
Due schemi con filtro RC diverso

Elettrotecnica e non solo (admin)
Un gatto tra gli elettroni (IsidoroKZ)
Esperienza e simulazioni (g.schgor)
Moleskine di un idraulico (RenzoDF)
Il Blog di ElectroYou (webmaster)
Idee microcontrollate (TardoFreak)
PICcoli grandi PICMicro (Paolino)
Il blog elettrico di carloc (carloc)
DirtEYblooog (dirtydeeds)
Di tutto... un po' (jordan20)
AK47 (lillo)
Esperienze elettroniche (marco438)
Telecomunicazioni musicali (clavicordo)
Automazione ed Elettronica (gustavo)
Direttive per la sicurezza (ErnestoCappelletti)
EYnfo dall'Alaska (mir)
Apriamo il quadro! (attilio)
H7-25 (asdf)
Passione Elettrica (massimob)
Elettroni a spasso (guidob)
Bloguerra (guerra)