Cos'è ElectroYou | Login Iscriviti

ElectroYou - la comunità dei professionisti del mondo elettrico

Amplificatore valvolare

hi-fi, luci, suoni, effetti speciali, palcoscenici...

Moderatore: Foto UtenteIsidoroKZ

0
voti

[41] Re: Amplificatore valvolare

Messaggioda Foto Utenteibra » 14 ago 2015, 11:09

Buongiorno. Ecco un piccolo estratto dal service manual.
Cattura SA-570 spec.JPG
Cattura SA-570 spec.JPG (45.26 KiB) Osservato 2170 volte

Semplicemente, dichiara 30W di potenza media continuativa per canale a una distorsione armonica totale dello 0.5%.
E' come se dicesse, io sono bravo fino a 30W, se me ne chiedi di più io te li posso dare ma sono _zzi tuoi.
E' giusto come ragionamento? :D
Avatar utente
Foto Utenteibra
1.282 3 4 6
CRU - Account cancellato su Richiesta utente
 
Messaggi: 2100
Iscritto il: 15 lug 2015, 0:45

0
voti

[42] Re: Amplificatore valvolare

Messaggioda Foto UtenteBrunoValente » 14 ago 2015, 13:27

Più o meno sì.
nel service manual dovrebbe esserci lo schema, se lo posti possiamo vedere con certezza quale è la massima potenza prima del clipping e se i componenti sono reperibili.
Avatar utente
Foto UtenteBrunoValente
39,6k 7 11 13
G.Master EY
G.Master EY
 
Messaggi: 7796
Iscritto il: 8 mag 2007, 14:48

0
voti

[43] Re: Amplificatore valvolare

Messaggioda Foto Utenteibra » 14 ago 2015, 13:39

Gli schemi ci sono °_. :D

Cos'è il clipping?
Avatar utente
Foto Utenteibra
1.282 3 4 6
CRU - Account cancellato su Richiesta utente
 
Messaggi: 2100
Iscritto il: 15 lug 2015, 0:45

0
voti

[44] Re: Amplificatore valvolare

Messaggioda Foto Utenteibra » 14 ago 2015, 13:52

Ehm, gli schemi c'erano... ma sto bastardo di windows me li ha nascosti di nuovo e chissà dove! :evil:
Vabbè, li ri-scarico...
Avatar utente
Foto Utenteibra
1.282 3 4 6
CRU - Account cancellato su Richiesta utente
 
Messaggi: 2100
Iscritto il: 15 lug 2015, 0:45

2
voti

[45] Re: Amplificatore valvolare

Messaggioda Foto UtenteBrunoValente » 14 ago 2015, 14:00

Nella figura ho rappresentato il segnale di uscita in quattro differenti situazioni.

+Vcc e -Vcc sono le tensioni di alimentazione dello stadio finale e il volume sonoro va regolato in modo che l'escursione del segnale di uscita (quello in rosso) sia contenuta all'interno dei due valori come in A.

Se alzi eccessivamente il volume l'ampiezza del segnale di uscita aumenta e per rimanere indistorto dovrebbe diventare come rappresentato in B ma questo non è possibile e in pratica capita che diventa come in C, cioè le parti eccedenti vengono "clippate" e si ha forte distorsione.

La massima ampiezza di segnale indistorto prima del clipping è quella rappresentata in D.

Il clipping avviene un po' prima del raggiungimento della massima tensione disponibile a causa della caduta di tensione sui transistor in saturazione e quanto prima avviene dipende da tante cose, con lo schema ci si può render conto anche di questo.
Avatar utente
Foto UtenteBrunoValente
39,6k 7 11 13
G.Master EY
G.Master EY
 
Messaggi: 7796
Iscritto il: 8 mag 2007, 14:48

0
voti

[46] Re: Amplificatore valvolare

Messaggioda Foto Utenteibra » 14 ago 2015, 14:01

Ma c'è un limite di MB nell'allegare un pdf qui? Ogni volta mi annulla la connessione... :?

Niente da fare, annullata ancora. Praticamente mentre c'è gente che guarda film in streaming io non riesco ad allegare un file pdf da 8.6MB :evil:

BrunoValente, ti chiedo scusa ma cercherò di allegare qualche immagine catturata dagli schemi del pdf...

http://www.hifiengine.com/manual_librar ... -570.shtml

Non ci riesco :cry: sono troppo grandi e con lo strumento di cattura non si capisce niente. Si fa prima a scaricarli e zoomarli a vostro piacimento ;-)
Avatar utente
Foto Utenteibra
1.282 3 4 6
CRU - Account cancellato su Richiesta utente
 
Messaggi: 2100
Iscritto il: 15 lug 2015, 0:45

0
voti

[47] Re: Amplificatore valvolare

Messaggioda Foto UtenteBrunoValente » 14 ago 2015, 17:48

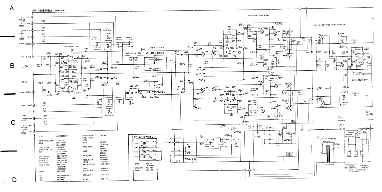
Ho dato un'occhiata allo schema, i finali sono alimentati con +38.5V e -38.5V e il clipping dovrebbe avvenire grosso modo intorno a 35V che con segnale sinusoidale su 8 ohm dovrebbe corrispondere a circa 75W.

Se dichiarano molto meno vorrà dire che intervengono altre cause a limitare la potenza, forse le protezioni o l'alimentatore che cede, non saprei, sentiamo cosa ne pensano gli altri.

Lo schema mi pare semplice e l'amplificatore dovrebbe essere facilmente riparabile.

Ampl.png
Avatar utente
Foto UtenteBrunoValente
39,6k 7 11 13
G.Master EY
G.Master EY
 
Messaggi: 7796
Iscritto il: 8 mag 2007, 14:48

0
voti

[48] Re: Amplificatore valvolare

Messaggioda Foto UtenteBrunoValente » 14 ago 2015, 18:07

Che furbi questi giapponesi! hanno integrato il controllo attivo dei toni nell'anello di controreazione del finale, :cool: così hanno evitato di aggiungere componenti attivi per il controllo, non l'avevo mai visto fare.
Avatar utente
Foto UtenteBrunoValente
39,6k 7 11 13
G.Master EY
G.Master EY
 
Messaggi: 7796
Iscritto il: 8 mag 2007, 14:48

0
voti

[49] Re: Amplificatore valvolare

Messaggioda Foto Utenteibra » 14 ago 2015, 18:44

Ricordo però che la regolazione del balance non era mai stata un granchè, nel senso che non era progressiva bensì una cosa del tipo o tutto di qua o tutto di là o tutto pari. Su quello peccava parecchio. Ma non importa, il massimo che potrei tentare è quello di eliminare tutte le parti mobili come pot e selettori, sostituendole con dei ponticelli e resistenze fisse e magari sostituire i due grossi elettrolitici sull'alimentazione che saranno di sicuro rinsecchiti. Se riparte ovviamente dovrò regolare il volume a monte :D
Avatar utente
Foto Utenteibra
1.282 3 4 6
CRU - Account cancellato su Richiesta utente
 
Messaggi: 2100
Iscritto il: 15 lug 2015, 0:45

2
voti

[50] Re: Amplificatore valvolare

Messaggioda Foto UtenteBrunoValente » 14 ago 2015, 19:05

Non è così che si procede, conviene trovare il guasto e ripararlo, prima di fare tutti quei ponticelli, dei quali non comprendo la necessità, che oltretutto potrebbero introdurre altri casini complicando la vita non poco.

Conviene non toccare nulla e misurare tutte le tensioni più importanti, poi ragionare e intervenire in modo mirato.

Il controllo del balance non c'entra con quello dei toni, è di tipo tradizionale e dovrebbe funzionare bene, se non è così evidentemente si è deteriorato il potenziometro.

Mi sembra un buon amplificatore, razionale e semplice, direi minimale come deve essere per funzionare bene e soprattutto con lo schema ben disegnato, con l'intenzione di essere comprensibile.

Capita spesso che schemi complicati o incomprensibili nascondano cattivi progetti.
Avatar utente
Foto UtenteBrunoValente
39,6k 7 11 13
G.Master EY
G.Master EY
 
Messaggi: 7796
Iscritto il: 8 mag 2007, 14:48

PrecedenteProssimo

Torna a Elettronica e spettacolo

Chi c’è in linea

Visitano il forum: Nessuno e 40 ospiti