marco438 ha scritto:http://www.csgnetwork.com/ne555timer2calc.html
Stroboscopio a led
Moderatore:
IsidoroKZ
0
voti
Sarei curioso di conoscere il significato di questo messaggio.
Saro' un po' tardo ma non l'ho capito.
marco
0
voti
Se non ho capito male, stiamo adoperando una configurazione diversa, in cui è possibile portare il duty cycle sotto il 50%
Cambiando la configurazione cambiano anche le formule, e il tool di calcolo restituirà dei valori non necessriamente veritieri
Cambiando la configurazione cambiano anche le formule, e il tool di calcolo restituirà dei valori non necessriamente veritieri
0
voti
Sempre puoi calcolare un duty cycle minore del 50%. Il link allo schema di D1 scrive:
Per generare un duty cycle minore del 50%, il resistore R1 deve essere minore di R2.
Usa la calcolatrice e le formule che trovi al link, oppure sul datasheet, non sono abituato a usare quei tool. Comunque da 2 a 14Hz mi sembra un rango di frequenza abbastanza ampio, non è meglio se stabilisci una frequenza?
Then to generate a duty cycle of less than 50%, resistor R1 needs to be less than resistor R2.
Per generare un duty cycle minore del 50%, il resistore R1 deve essere minore di R2.
Usa la calcolatrice e le formule che trovi al link, oppure sul datasheet, non sono abituato a usare quei tool. Comunque da 2 a 14Hz mi sembra un rango di frequenza abbastanza ampio, non è meglio se stabilisci una frequenza?
Ultima modifica di
simo85 il 23 ott 2011, 18:10, modificato 1 volta in totale.
0
voti
stiamo parlando della configurazione proposta da gohan esplicata in questo sito che permette di evitare la porta not, ma che ci costringe ad usare formule di calcolo diverse
allora, per 10hz e 3msec Ton (se i conti sono esatti) devo usare R1=1k C=4.7pf e R2=?
allora, per 10hz e 3msec Ton (se i conti sono esatti) devo usare R1=1k C=4.7pf e R2=?
0
voti
DarioBocc ha scritto: ma che ci costringe ad usare formule di calcolo diverse
allora, per 10hz e 3msec Ton (se i conti sono esatti) devo usare R1=1k C=4.7pf e R2=?
Io vedo che le formule che stai usando sono perfettamente uguali (ed uniche direi) per quel tipo di calcolo.
marco
0
voti
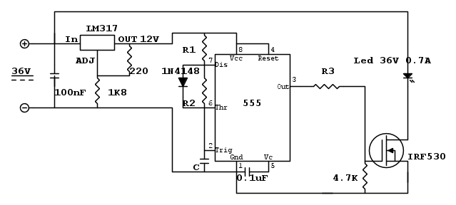
Lo schema dovrebbe essere questo
Torna a Elettronica e spettacolo
Chi c’è in linea
Visitano il forum: Nessuno e 7 ospiti

Elettrotecnica e non solo (admin)
Un gatto tra gli elettroni (IsidoroKZ)
Esperienza e simulazioni (g.schgor)
Moleskine di un idraulico (RenzoDF)
Il Blog di ElectroYou (webmaster)
Idee microcontrollate (TardoFreak)
PICcoli grandi PICMicro (Paolino)
Il blog elettrico di carloc (carloc)
DirtEYblooog (dirtydeeds)
Di tutto... un po' (jordan20)
AK47 (lillo)
Esperienze elettroniche (marco438)
Telecomunicazioni musicali (clavicordo)
Automazione ed Elettronica (gustavo)
Direttive per la sicurezza (ErnestoCappelletti)
EYnfo dall'Alaska (mir)
Apriamo il quadro! (attilio)
H7-25 (asdf)
Passione Elettrica (massimob)
Elettroni a spasso (guidob)
Bloguerra (guerra)



