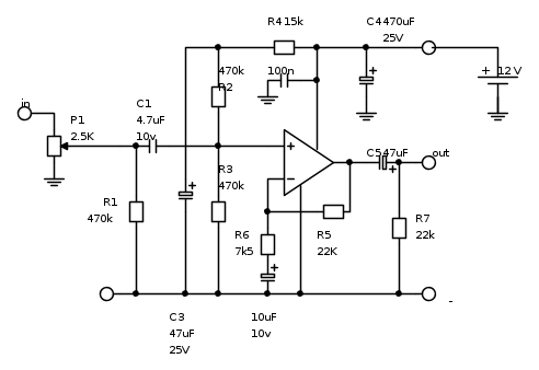
Candy ha scritto:Piercarlo, C4 deve per forza essere tanto "grasso"? Non potremmo smagrirlo un poco e fare anche lui 47uF? Dai, farà mica così schifo l'alimentazione...
Se lo si alimenta con un alimentatore stabilizzato ci si può anche accontentare. Se invece si prevede di alimentarlo pure direttamente da una batteria allora è meglio che rimanga abbastanza "grasso". Lo si può però mettere un po' a dieta e accontentarsi di un 220 uF.
Si può smagrire un po' anche il 47 uF portandolo a 22 uF ma non meno.
Ciao
Piercarlo

Elettrotecnica e non solo (admin)
Un gatto tra gli elettroni (IsidoroKZ)
Esperienza e simulazioni (g.schgor)
Moleskine di un idraulico (RenzoDF)
Il Blog di ElectroYou (webmaster)
Idee microcontrollate (TardoFreak)
PICcoli grandi PICMicro (Paolino)
Il blog elettrico di carloc (carloc)
DirtEYblooog (dirtydeeds)
Di tutto... un po' (jordan20)
AK47 (lillo)
Esperienze elettroniche (marco438)
Telecomunicazioni musicali (clavicordo)
Automazione ed Elettronica (gustavo)
Direttive per la sicurezza (ErnestoCappelletti)
EYnfo dall'Alaska (mir)
Apriamo il quadro! (attilio)
H7-25 (asdf)
Passione Elettrica (massimob)
Elettroni a spasso (guidob)
Bloguerra (guerra)









