Il circuito che hai linkato, più che sbarazzarsi dell'isteresi, elimina la magnetizzante del trasformatore.
Lo fa generando una resistenza negativa a valle, che permette di generare a secondario un flusso uguale ed opposto che si contrappone a quello di primario, cancellando il flusso totale che scorre nel nucleo (e quindi nella magnetizzante). Questo ti permette di misurare la corrente senza introdurre elementi di disturbo in serie al circuito, dato che l'induttanza di magnetizazione è solitamente molto grande e rischia di modificare il punto operativo del sistema che misuri.
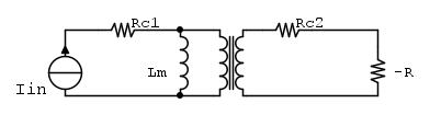
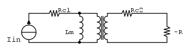
Se vuoi capire meglio il suo funzionamento, puoi provare ad analizzare un circuito equivalente di questo tipo:
Dove Rc1 ed Rc2 sono rispettivamente le resistenze dell'avvolgimento di primario e secondario, Lm è la magnetizzante e -R è la resistenza equivalente vista a secondario.
Prima di introdurre elementi di miglioria (e complicazione) dovresti però focalizzarti prima sulla topologia generale da implementare: un resistore di sense che opera da transresistenza è talvolta la scelta più comoda da implementare soprattutto se è parte integrante (e fissa) del funzionamento del sistema.
ampli audio di potenza a ponte e corrente costante
Moderatore:
IsidoroKZ
0
voti
Prima di introdurre elementi di miglioria (e complicazione) dovresti però focalizzarti prima sulla topologia generale da implementare: un resistore di sense che opera da transresistenza è talvolta la scelta più comoda da implementare soprattutto se è parte integrante (e fissa) del funzionamento del sistema.
grazie della risposta .
per resistore di sense intendi il partitore di tensione formato da altoparlante in serie al resistore ?.
cosa intendi con le parole " parte integrante (e fissa) del sistema " ?
0
voti
arivel ha scritto:per resistore di sense intendi il partitore di tensione formato da altoparlante in serie al resistore ?.
Si, se il tuo obiettivo è controllare una corrente dovrai avere un sistema che converta quella corrente in un segnale proporzionale di tensione da utilizzare per il tuo scopo.
Considera che, per esempio, anche per le misure di efficienza di un convertitore elettronico talvolta la scelta più conveniente è aggiungere "a mano" una transresistenza in ingresso e una in uscita per sensare le correnti.
arivel ha scritto:cosa intendi con le parole " parte integrante (e fissa) del sistema " ?
Intendo dire che, una volta analizzata e dimensionata, quella resistenza poi non la tocchi più, rimane un semplice dispositivo fisso che fa funzionare il tuo sistema al pari di tutti gli altri elementi che lo compongono.
Il circuito che hai linkato è parte di una sonda di corrente mobile, che può essere attaccata/staccata a piacimento senza essere invasiva per il circuito che analizza. Avendo inoltre degli switch/potenziometri per tarare il range, occorre sempre che un utente adatti manualmente il guadagno per misurare la corrente con la scala più appropriata.
0
voti
Il circuito che hai linkato è parte di una sonda di corrente mobile, che può essere attaccata/staccata a piacimento senza essere invasiva per il circuito che analizza. Avendo inoltre degli switch/potenziometri per tarare il range, occorre sempre che un utente adatti manualmente il guadagno per misurare la corrente con la scala più appropriata.
non era la mia intenzione usare questa sonda di corrente cosi com'è .ma solo quello che mi serve e scartare il resto .
nel mio caso devo scegliere un piccolo nucleo magnetico toroidale ancora da definire (ferrite mu-metal o altro) e ricalcolare gli avvolgimenti .
ci sono solo 2 guadagni , uno da 62 ohm e l'altro da 62K credo che a me andrebbe bene solo il blocco con il push-pull e guadagno da 62ohm che sarebbe la scala degli amper (da verificare se a basso volume misura giusto) quindi niente switch manuale .
poi tutto quello che viene dopo il push-pull a me non interessa .
0
voti
Non mi sembra una buona scelta perché quando metti qualcosa nella rete di retroazioe, tutti i difetti, non linearità... che introduci li ritrovi nel segnale di uscita.
La retroazione linearizza l'amplificatore di base, ma lascia invariato l'eventuale cattivo comportamento della rete di retroazione.
Quel circuito è pensato per fare misure, non per retroazionare un amplificatore. Inoltre va valutata la stabilità con quel circuito in retroazione, oltre al fatto che non avendo retroazione in continua l'offset chissà dove porta il punto di funzionamento!
La retroazione linearizza l'amplificatore di base, ma lascia invariato l'eventuale cattivo comportamento della rete di retroazione.
Quel circuito è pensato per fare misure, non per retroazionare un amplificatore. Inoltre va valutata la stabilità con quel circuito in retroazione, oltre al fatto che non avendo retroazione in continua l'offset chissà dove porta il punto di funzionamento!
Per usare proficuamente un simulatore, bisogna sapere molta più elettronica di lui
Plug it in - it works better!
Il 555 sta all'elettronica come Arduino all'informatica! (entrambi loro malgrado)
Se volete risposte rispondete a tutte le mie domande
Plug it in - it works better!
Il 555 sta all'elettronica come Arduino all'informatica! (entrambi loro malgrado)
Se volete risposte rispondete a tutte le mie domande
0
voti
non so come possa essere la linearita , lui ne parla molto bene ma bisogna vedere in quale scala di parametri . penso che la parte piu critica sia il gruppo di transistor discreti . non so perché ha deciso di usare quelli . forse se si riesce a sostituirli con altro
1
voti
arivel ha scritto:penso che la parte piu critica sia il gruppo di transistor discreti
E' molto difficile controbattere le tue idee.
Il modo piu facile (meno difficile?
Perche' pensi che "la parte piu critica sia il gruppo di transistor discreti"?
0
voti
come tutti io ho le mie idee che possono essere di volta in volta giuste o sbagliate (questo vale per tutti).
0
voti
arivel ha scritto:come tutti io ho le mie idee che possono essere di volta in volta giuste o sbagliate (questo vale per tutti).
Verissimo quello che dici, ma 3 persone che ti sconsigliano una strada cominciano a fare una statistica.
Poi sei libero di percorrerla comunque, però dovresti cominciare ad analizzare nei dettagli il circuito (o la parte che ti serve) e portare delle prove concrete di quello che dici o supponi.
Rispondere "penso", "credo", "bisogna vedere" apre solo nuovi interrogativi e non ne chiude nessuno.
Torna a Elettronica e spettacolo
Chi c’è in linea
Visitano il forum: Nessuno e 29 ospiti

Elettrotecnica e non solo (admin)
Un gatto tra gli elettroni (IsidoroKZ)
Esperienza e simulazioni (g.schgor)
Moleskine di un idraulico (RenzoDF)
Il Blog di ElectroYou (webmaster)
Idee microcontrollate (TardoFreak)
PICcoli grandi PICMicro (Paolino)
Il blog elettrico di carloc (carloc)
DirtEYblooog (dirtydeeds)
Di tutto... un po' (jordan20)
AK47 (lillo)
Esperienze elettroniche (marco438)
Telecomunicazioni musicali (clavicordo)
Automazione ed Elettronica (gustavo)
Direttive per la sicurezza (ErnestoCappelletti)
EYnfo dall'Alaska (mir)
Apriamo il quadro! (attilio)
H7-25 (asdf)
Passione Elettrica (massimob)
Elettroni a spasso (guidob)
Bloguerra (guerra)





