Stroboscopio a led
Moderatore:
IsidoroKZ
0
voti
Il dissipatore basta, non riesco a sentire la differenza di temperatura nemmeno sulla base del led.Ora lo lascio una mezz'oretta acceso e ricontrollo.
Nei prossimi giorni vado a prendere i pezzi e proviamo un po' quello che mi avete aiutato a realizzare
Nei prossimi giorni vado a prendere i pezzi e proviamo un po' quello che mi avete aiutato a realizzare

0
voti
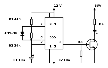
Lo stampato definitivo, ultimo controllo
0
voti
Ma prima di fare lo stampato, hai provato in pratica (su breadboard o in altro modo) il funzionamento del circuito?
Non vorrei che poi alla fine qualcosa non funzionasse e/o tu non fossi soddisfatto delle prestazioni ottenute.
Comunque, stasera non ho tempo di controllare il PCB; se hai pazienza ti rispondero' domattina (sempre che non arrivi qualcuno prima).

Non vorrei che poi alla fine qualcosa non funzionasse e/o tu non fossi soddisfatto delle prestazioni ottenute.
Comunque, stasera non ho tempo di controllare il PCB; se hai pazienza ti rispondero' domattina (sempre che non arrivi qualcuno prima).

marco
0
voti
DarioBocc ha scritto:Lo stampato definitivo, ultimo controllo
Scusa, ma alla fine lo schema definitivo che hai adottato qual è ?
mi sono perso qualcosa ?
PS
Forse dico una cavolata e forse per il tuo schema è indifferente, ma più volte
mi è venuto il dubbio che le resistenze in verticale possano catturare più
interferenze o dissipare di meno che quelle in orizzontale, dico castronate vero ?
0
voti
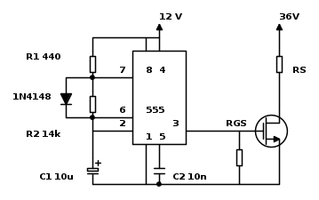
Ho usato questo schema proposto da gohan a pagina sette
e l'L317 di quest'altro schema
Per le interferenze non ho proprio idea
Testerò il circuito prima su breadboard e poi lo monterò definitivamente
e l'L317 di quest'altro schema
Per le interferenze non ho proprio idea
Testerò il circuito prima su breadboard e poi lo monterò definitivamente
0
voti
Bravo, fai cosi' che e' la cosa migliore.
Ma cosa stai combinando con fidocadj?
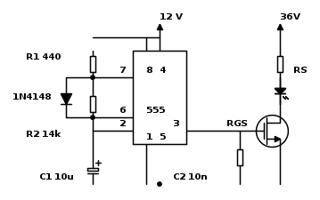
Riporto qui sotto lo schema riveduto e corretto.
Ora do anche un'occhiata al PCB.

Ma cosa stai combinando con fidocadj?
Riporto qui sotto lo schema riveduto e corretto.
Ora do anche un'occhiata al PCB.

marco
Torna a Elettronica e spettacolo
Chi c’è in linea
Visitano il forum: Nessuno e 7 ospiti

Elettrotecnica e non solo (admin)
Un gatto tra gli elettroni (IsidoroKZ)
Esperienza e simulazioni (g.schgor)
Moleskine di un idraulico (RenzoDF)
Il Blog di ElectroYou (webmaster)
Idee microcontrollate (TardoFreak)
PICcoli grandi PICMicro (Paolino)
Il blog elettrico di carloc (carloc)
DirtEYblooog (dirtydeeds)
Di tutto... un po' (jordan20)
AK47 (lillo)
Esperienze elettroniche (marco438)
Telecomunicazioni musicali (clavicordo)
Automazione ed Elettronica (gustavo)
Direttive per la sicurezza (ErnestoCappelletti)
EYnfo dall'Alaska (mir)
Apriamo il quadro! (attilio)
H7-25 (asdf)
Passione Elettrica (massimob)
Elettroni a spasso (guidob)
Bloguerra (guerra)





