Cos'è ElectroYou | Login Iscriviti

ElectroYou - la comunità dei professionisti del mondo elettrico

Accensione sequenziale LED

hi-fi, luci, suoni, effetti speciali, palcoscenici...

Moderatore: Foto UtenteIsidoroKZ

0
voti

[1] Accensione sequenziale LED

Messaggioda Foto UtenteAlfa03 » 18 gen 2010, 20:19

Ho provato a cercare nel forum senza risultati!
Allora, in teoria dovrei realizzare una targa per camionisti, composta da 6 lettere, led blu da 5mm alta luminosità, ed il problema è questo..

_Punto 1: Le lettere si devono accendere in progressione, poi arrivati alla 6' lettera si deve spengere e ricominciare dalla prima. Com'è possibile realizzarlo?

_Punto 2: Dovrebbero essere 140 LED totali, una media di 20 led a lettera. Il tutto dev'essere alimentato a 24 V, come funzionerebbe per l'alimentazione?

Per intenderci, una cosa del genere:

X------
-X-----
--X----
---X---
----X--
-----X-
------X


Per poi ricominciare dalla prima lettera!
Se riusciste a fornirmi uno schema ve ne sarei grato!

Certo del vostro aiuto vi saluto per ora! :mrgreen:
Avatar utente
Foto UtenteAlfa03
0 2
 
Messaggi: 22
Iscritto il: 18 gen 2010, 20:01
Località: Albano Laziale

0
voti

[2] Re: Accensione sequenziale LED

Messaggioda Foto UtenteAlfa03 » 18 gen 2010, 20:55

Pardon correggo, l'effetto che devo ottenere è il seguente:

X-----
XX----
XXX---
XXXX--
XXXXX-
XXXXXX
X-----


e così via!
Avatar utente
Foto UtenteAlfa03
0 2
 
Messaggi: 22
Iscritto il: 18 gen 2010, 20:01
Località: Albano Laziale

0
voti

[3] Re: Accensione sequenziale LED

Messaggioda Foto UtenteIsidoroKZ » 18 gen 2010, 21:13

Non vuoi mai spegnere il primo carattere?

Quali sono le caratteristiche dei led? (tensione corrente)

Sai fare il conto della resistenza per alimentare i led?

Che cosa sai di elettronica?

A occhio ti servono 3 CD4013, 1 555, 5 o 6 transistori, 1 7815 (o un 7812), condensatori e resistenze sparse. Oppure al posto dei 4013 un microcontrollore.
Per usare proficuamente un simulatore, bisogna sapere molta più elettronica di lui
Plug it in - it works better!
Il 555 sta all'elettronica come Arduino all'informatica! (entrambi loro malgrado)
Se volete risposte rispondete a tutte le mie domande
Avatar utente
Foto UtenteIsidoroKZ
121,2k 1 3 8
G.Master EY
G.Master EY
 
Messaggi: 21059
Iscritto il: 17 ott 2009, 0:00

0
voti

[4] Re: Accensione sequenziale LED

Messaggioda Foto UtenteAlfa03 » 19 gen 2010, 13:18

IsidoroKZ ha scritto:Non vuoi mai spegnere il primo carattere?

Se possibile no!
IsidoroKZ ha scritto:Quali sono le caratteristiche dei led? (tensione corrente)

mmmh, il classico diodo LED alimentato a 3v, con 20mA di assorbimento mi pare.. controllerò!
IsidoroKZ ha scritto:Sai fare il conto della resistenza per alimentare i led?

Di solito utilizzo le resistenze per la 12v-14v, e...
IsidoroKZ ha scritto:Che cosa sai di elettronica?

... di elettronica "in grande", zona LED, e roba varia, saldature, multimetro sto apposto (sono meccanico autronico)
IsidoroKZ ha scritto:A occhio ti servono 3 CD4013, 1 555, 5 o 6 transistori, 1 7815 (o un 7812), condensatori e resistenze sparse. Oppure al posto dei 4013 un microcontrollore.

Mi affido a voi! :mrgreen:
Avatar utente
Foto UtenteAlfa03
0 2
 
Messaggi: 22
Iscritto il: 18 gen 2010, 20:01
Località: Albano Laziale

0
voti

[5] Re: Accensione sequenziale LED

Messaggioda Foto Utentelucbie » 19 gen 2010, 14:09

Con un LM3914 ( http://www.national.com/ds/LM/LM3914.pdf ) ed un generatore di onda a dente di sega non funzionerebbe? :-k

Forse è una soluzione un po' troppo analogica ad un problema digitale e necessita di un certo trimming.
Avatar utente
Foto Utentelucbie
85 1 3 7
Expert EY
Expert EY
 
Messaggi: 676
Iscritto il: 9 dic 2009, 21:18
Località: Brianza

0
voti

[6] Re: Accensione sequenziale LED

Messaggioda Foto UtenteIsidoroKZ » 20 gen 2010, 1:34

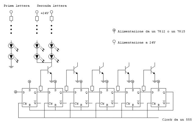
Questo e` il nucleo di un possibile circuito. I 6 flip flop sono contenuti in 3 integrati 4013. Ogni transistore comanda un parallelo di stringhe di led. Dato che la tensione del camion puo` andare da 24 V a 28V (anche meno se la batteria e` un po' giu`), meglio collegare al massimo 5 led per ogni stringa, e si mette in serie una resistenza da 680 ohm per ogni stringa. Tutte le stringhe della stessa lettera vanno sullo stesso transistore.

I circuiti sono alimentati a 12V o a 15V con un regolatore, protetto da sovratensioni e tensioni negative.

Se puoi procurarti dei MOS di tipo 2n7000 oppure BS170, si puo` fare il circuito con un 4017 al posto di tre 4013, e un po' di diodi.

Se hai dei problemi a completare il circuito, dillo, che faccio anche gli altri pezzi.

scritta.gif
scritta.gif (13.81 KiB) Osservato 6123 volte
Per usare proficuamente un simulatore, bisogna sapere molta più elettronica di lui
Plug it in - it works better!
Il 555 sta all'elettronica come Arduino all'informatica! (entrambi loro malgrado)
Se volete risposte rispondete a tutte le mie domande
Avatar utente
Foto UtenteIsidoroKZ
121,2k 1 3 8
G.Master EY
G.Master EY
 
Messaggi: 21059
Iscritto il: 17 ott 2009, 0:00

0
voti

[7] Re: Accensione sequenziale LED

Messaggioda Foto UtenteAlfa03 » 20 gen 2010, 16:01

IsidoroKZ ha scritto:Questo e` il nucleo di un possibile circuito. I 6 flip flop sono contenuti in 3 integrati 4013. Ogni transistore comanda un parallelo di stringhe di led. Dato che la tensione del camion puo` andare da 24 V a 28V (anche meno se la batteria e` un po' giu`), meglio collegare al massimo 5 led per ogni stringa, e si mette in serie una resistenza da 680 ohm per ogni stringa. Tutte le stringhe della stessa lettera vanno sullo stesso transistore.

I circuiti sono alimentati a 12V o a 15V con un regolatore, protetto da sovratensioni e tensioni negative.

Se puoi procurarti dei MOS di tipo 2n7000 oppure BS170, si puo` fare il circuito con un 4017 al posto di tre 4013, e un po' di diodi.

Se hai dei problemi a completare il circuito, dillo, che faccio anche gli altri pezzi.

scritta.gif

già è qualcosa, essendo alle prime armi, se era possibile uno schema completo con lista dell'occorrente, ho ancora molto da imparare su questo aspetto dell'elettronica!
Saprò ricambiare in qualche modo! :mrgreen: [-o<

P.S: per gli 2n7000 ho trovato questi ( ebay item ) se vanno bene li prendo subito!
Avatar utente
Foto UtenteAlfa03
0 2
 
Messaggi: 22
Iscritto il: 18 gen 2010, 20:01
Località: Albano Laziale

0
voti

[8] Re: Accensione sequenziale LED

Messaggioda Foto Utentegiorgio25760 » 20 gen 2010, 21:49

IsidoroKZ ha scritto: si puo` fare il circuito con un 4017 al posto di tre 4013, e un po' di diodi.


Mi stavo appunto chiedendo perché non gli avevi suggerito il 4017 con i diodi. (ce ne vorranno una decina....)

Ciao
Giorgio
Avatar utente
Foto Utentegiorgio25760
2.310 1 3 5
G.Master EY
G.Master EY
 
Messaggi: 1700
Iscritto il: 6 dic 2009, 17:02
Località: Brescia

0
voti

[9] Re: Accensione sequenziale LED

Messaggioda Foto UtenteIsidoroKZ » 20 gen 2010, 22:06

Perche' per mettere i diodi con il 4017 bisogna avere i MOS, con i bipolari non e` detto che l'ultima uscita riesca a pilotare bene tutte le basi. Sono circa 100mA di IC per transistore, che vuol dire qualche milliampere in base, per 5 basi il 4017 non ce la fa.
Per usare proficuamente un simulatore, bisogna sapere molta più elettronica di lui
Plug it in - it works better!
Il 555 sta all'elettronica come Arduino all'informatica! (entrambi loro malgrado)
Se volete risposte rispondete a tutte le mie domande
Avatar utente
Foto UtenteIsidoroKZ
121,2k 1 3 8
G.Master EY
G.Master EY
 
Messaggi: 21059
Iscritto il: 17 ott 2009, 0:00

0
voti

[10] Re: Accensione sequenziale LED

Messaggioda Foto UtenteIsidoroKZ » 20 gen 2010, 22:54

Alfa03 ha scritto:P.S: per gli 2n7000 ho trovato questi ( ebay item ) se vanno bene li prendo subito!


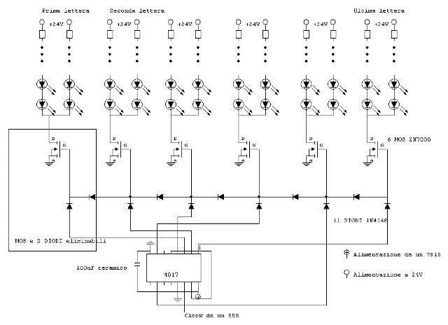
Ok, vanno bene. Te ne basta uno per lettera. Qui di seguito lo schema:

scritta1.gif
scritta1.gif (16.06 KiB) Osservato 6074 volte


Per questa parte serve un CD4017, 6 2N7000, 11 1N4148, 1 condensatore ceramico da 100nF (in realta` qualunque valore fra 10nF e 100nF va bene).

SE i led sono da 3V 20 mA devi fare delle stringhe da 5 led, con in serie una resistenza da 680 ohm mezzo watt. In media vengono 4 o 5 stringhe per ogni lettera. Da motore spento a motore acceso cambia un po' la luminosita`.

Prossima puntata lo schema con 7815 e generatore di clock 555.
Per usare proficuamente un simulatore, bisogna sapere molta più elettronica di lui
Plug it in - it works better!
Il 555 sta all'elettronica come Arduino all'informatica! (entrambi loro malgrado)
Se volete risposte rispondete a tutte le mie domande
Avatar utente
Foto UtenteIsidoroKZ
121,2k 1 3 8
G.Master EY
G.Master EY
 
Messaggi: 21059
Iscritto il: 17 ott 2009, 0:00

Prossimo

Torna a Elettronica e spettacolo

Chi c’è in linea

Visitano il forum: Nessuno e 10 ospiti