Ciao a tutti,
questo è il mio primo post, volevo innanzitutto farvi i complimenti siete veramente bravi e pronti a risolvere le varie problematiche presentatevi.
Spero con questo che riuscirete a risolvere pure il mio quesito.
Io volevo sapere quale integrato, con circuito annesso, utilizzare per ottenere una sequenza di accensione e spegnimento led in questo ordine:
00000001
00000011
00000111
00001111
00011111
00111111
01111111
11111111
01111111
00111111
00011111
00001111
00000111
00000011
00000001
00000000
Spero di essere stato chiaro.
Quello che intendo fare è un alba/tramonto per il mio acquario.
Alimentazione 12V=
led bianchi alta luminosità 4.5v
Ciao e grazie anticipate.
led in sequenza
Moderatore:
IsidoroKZ
28 messaggi
• Pagina 1 di 3 • 1, 2, 3
0
voti
Per realizzare queste sequenze devi usare shift-register reversibili.
( per es. 2 integrati CMOS 40194). Vedi datasheet.
Dimmi se hai bisogno di aiuto nella stesura dello schema.
( per es. 2 integrati CMOS 40194). Vedi datasheet.
Dimmi se hai bisogno di aiuto nella stesura dello schema.
0
voti
grazie per la nota,
se mi fai uno schemino sarebbe sicuramente molto meglio.
Scusa, se all'uscita invece dei led metto un relè, oppure un transistor posso accendere ad esempio:
su 00000001 5 led
su 00000011 5 + 8 led
su 00000111 5+8+12 led
e così via?
se mi fai uno schemino sarebbe sicuramente molto meglio.
Scusa, se all'uscita invece dei led metto un relè, oppure un transistor posso accendere ad esempio:
su 00000001 5 led
su 00000011 5 + 8 led
su 00000111 5+8+12 led
e così via?
0
voti
isidoro69 ha scritto:Scusa, se all'uscita invece dei led metto un relè, oppure un transistor posso accendere ad esempio:
su 00000001 5 led
su 00000011 5 + 8 led
su 00000111 5+8+12 led
e così via?
Sì, certo.
Però mancano ancora tre dati:
- la rampa di salita per generare l'alba (tempo impiegato per accendere tutte le uscite);
- la rampa di discesa per generare il tramonto (tempo impiegato per spegnere tutte le uscite);
- la permanenza alla massima luminosità.
Ma questo sistema lo avii tu a mano, tutti i giorni? Oppure hai un sistema automatico temporizzato che te lo avvia?
Ciao.
Paolo.
"Houston, Tranquillity Base here. The Eagle has landed." - Neil A.Armstrong
-------------------------------------------------------------
PIC Experience - http://www.picexperience.it
-------------------------------------------------------------
PIC Experience - http://www.picexperience.it
-

Paolino
32,6k 8 12 13 - G.Master EY

- Messaggi: 4226
- Iscritto il: 20 gen 2006, 11:42
- Località: Vigevano (PV)
0
voti
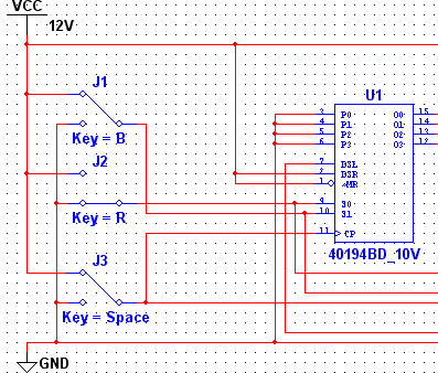
Ecco la simulazione dello Shift-Register bidirezionale:
Con i 3 deviatori J1,J2 e J3 si pilota l'accensione o lo
spegnimento di segnalatori (cerchietti bianchi) nella
sequenza voluta:
J1 = accensione o spegnimento
J2 = reset generale
J3 = avanzamento sequenza
naturalmente questi a loro volta possono essere comandati
da altri elementi (ad es, J3 da un oscillatore (NE555) e
J1 da una logica di ciclo), mentre i segnalatori possono essere
sostituiti da transistori di potenza per il comando di gruppi di LED.
Con i 3 deviatori J1,J2 e J3 si pilota l'accensione o lo
spegnimento di segnalatori (cerchietti bianchi) nella
sequenza voluta:
J1 = accensione o spegnimento
J2 = reset generale
J3 = avanzamento sequenza
naturalmente questi a loro volta possono essere comandati
da altri elementi (ad es, J3 da un oscillatore (NE555) e
J1 da una logica di ciclo), mentre i segnalatori possono essere
sostituiti da transistori di potenza per il comando di gruppi di LED.
0
voti
ciao Paolo,
diciamo che il tempo per accendere tutti e di 60minuti
stessa cosa per lo spegnimento
ti faccio un esempio:
ore: 7,00 inizio accensione
ore 8,00 acceso alla massima luminosità
ore 17,00 inizio spegnimento
ore 18,00 buio
Questi orari poi si possono modificare, capirai che il ciclo inverno estate è diverso
GRAZIE
diciamo che il tempo per accendere tutti e di 60minuti
stessa cosa per lo spegnimento
ti faccio un esempio:
ore: 7,00 inizio accensione
ore 8,00 acceso alla massima luminosità
ore 17,00 inizio spegnimento
ore 18,00 buio
Questi orari poi si possono modificare, capirai che il ciclo inverno estate è diverso
GRAZIE
0
voti
ah diciamo che lo vorrei avviare in automatico, con un orologio per esempio.
0
voti
grazie Giovanni,
potresti completarlo in modo che su ogni led posso collegare più led, e l'avanzamento dell'accensione sia automatica;
diciamo che per fare i vari step impieghi un ora.
es:
ore 7 inizio accensione
ore 8 tutto on
ore 17 inizio spegnimento
ore 18 tutto off
naturalmente gli orari dovrebbero essere modificabili
grazie
potresti completarlo in modo che su ogni led posso collegare più led, e l'avanzamento dell'accensione sia automatica;
diciamo che per fare i vari step impieghi un ora.
es:
ore 7 inizio accensione
ore 8 tutto on
ore 17 inizio spegnimento
ore 18 tutto off
naturalmente gli orari dovrebbero essere modificabili
grazie
0
voti
Come timer giornaliero ne consiglierei uno come questo,
che dovrebbe iniziare il programma di accensione allo ore 7.00 e di spegnimento alle ore 17.00.
Con questo segnale si abilita un oscillatore (NE555) che fornisce un impulso di avanzamento
ogni 8 minuti (quindi con 8 impulsi si arriva all'accensione di tutti gli 8 gruppi in 1 ora).
Lo stesso avviene a ritroso (spegnimento) dalle ore 17 alle 18.
Ovviamente non posso farti un unico schema completo, ma posso indicarti i circuiti
essenziali da realizzare.
Se sei d'accordo con questa soluzione, possiamo procedere.
che dovrebbe iniziare il programma di accensione allo ore 7.00 e di spegnimento alle ore 17.00.
Con questo segnale si abilita un oscillatore (NE555) che fornisce un impulso di avanzamento
ogni 8 minuti (quindi con 8 impulsi si arriva all'accensione di tutti gli 8 gruppi in 1 ora).
Lo stesso avviene a ritroso (spegnimento) dalle ore 17 alle 18.
Ovviamente non posso farti un unico schema completo, ma posso indicarti i circuiti
essenziali da realizzare.
Se sei d'accordo con questa soluzione, possiamo procedere.
0
voti
[10] Re: led in sequenza
Giovanni, per me va benissimo.
Anche se io avrei un orologio di quelli che vanno ad esempio vicino alla caldaia, comunque non c'è problema.
Se ho capito bene il timer alimenta l'NE555 il quale a sua volta dà l'impulso ogni 8 min. per l'accensione dei led.
Ma poi come fa nello spegnimento?
Se mi fai uno schemino è meglio. grazie.
Poi il transistor per i led come lo collego?
ciao
Anche se io avrei un orologio di quelli che vanno ad esempio vicino alla caldaia, comunque non c'è problema.
Se ho capito bene il timer alimenta l'NE555 il quale a sua volta dà l'impulso ogni 8 min. per l'accensione dei led.
Ma poi come fa nello spegnimento?
Se mi fai uno schemino è meglio. grazie.
Poi il transistor per i led come lo collego?
ciao
28 messaggi
• Pagina 1 di 3 • 1, 2, 3
Torna a Elettronica e spettacolo
Chi c’è in linea
Visitano il forum: Nessuno e 12 ospiti

Elettrotecnica e non solo (admin)
Un gatto tra gli elettroni (IsidoroKZ)
Esperienza e simulazioni (g.schgor)
Moleskine di un idraulico (RenzoDF)
Il Blog di ElectroYou (webmaster)
Idee microcontrollate (TardoFreak)
PICcoli grandi PICMicro (Paolino)
Il blog elettrico di carloc (carloc)
DirtEYblooog (dirtydeeds)
Di tutto... un po' (jordan20)
AK47 (lillo)
Esperienze elettroniche (marco438)
Telecomunicazioni musicali (clavicordo)
Automazione ed Elettronica (gustavo)
Direttive per la sicurezza (ErnestoCappelletti)
EYnfo dall'Alaska (mir)
Apriamo il quadro! (attilio)
H7-25 (asdf)
Passione Elettrica (massimob)
Elettroni a spasso (guidob)
Bloguerra (guerra)
