Riporto in maniera molto sintetica lo schema che ho tratto da
Electronic Projects for Musicians - C. Anderson.
Vedo una resistenza da 470K, è un carico ? perché lo ha messo ?
Poi ha utilizzato un partitore formato da 2 resistenze rispettivamente
da 2.2k e 470 ohm per creare la terza uscita, come mai ?
La seconda uscita passa da due resistenze, una da 2.2K seguita da una da 470 Ohm,
anche qui mi chiedo il perché.
Ciao
Spluffer di C. Anderson
Moderatore:
IsidoroKZ
41 messaggi
• Pagina 1 di 5 • 1, 2, 3, 4, 5
1
voti
XStreme ha scritto: Vedo una resistenza da 470K, è un carico ? perché lo ha messo ?
No, è uno scarico, nel senso che serve a scaricare eventuali condensatori di accoppiamento (anche non del proprio circuito) o comunque a offrirgli una fuga verso massa quando il circuito viene spento. Per le altre cose devi invece leggerti la spiegazione dell'autore (se ne da una).
Ciao
Piercarlo
0
voti
A livello sperimentale si può splittare un segnale nelle due semionde e poi riunirle
insieme senza fare nessun danno al segnale ?
Io ci ho provato con vari metodi, .. diodi,transistor,opamp,jfet,ma ho sempre fallito
insieme senza fare nessun danno al segnale ?
Io ci ho provato con vari metodi, .. diodi,transistor,opamp,jfet,ma ho sempre fallito
0
voti
???? perché vuoi fare una cosa del genere? In ogni caso questo è ciò che continuamente fa lo stadio di uscita di un amplificatore in classe B durante il suo funzionamento. Almeno quando amplifica una sinusoide.
Ciao
Piercarlo
Ciao
Piercarlo
0
voti
Piercarlo ha scritto:???? perché vuoi fare una cosa del genere?
A puro scopo didattico, sto studiando i diodi , zener e compagnia bella
per caso hai uno schemino a riguardo nel tuo cappello magico ?
è giusto utilizzare i diodi 1n4149 ? non fanno per l'audio ?
meglio gli Schottky o i fast recovery ?
insomma, per farmi un po' le ossa con i diodi.
Ciao
0
voti
XStreme ha scritto:Piercarlo ha scritto:???? perché vuoi fare una cosa del genere?
A puro scopo didattico, sto studiando i diodi , zener e compagnia bella
per caso hai uno schemino a riguardo nel tuo cappello magico ?![]()
Ho più capelli che schemini nel cappello... ed è tutto dire!
è giusto utilizzare i diodi 1n4149 ? non fanno per l'audio ?
meglio gli Schottky o i fast recovery ?
Dipende da per cosa intendi usarli... In ogni caso nei circuiti audio, se occorrono, si usano normalissimi diodi a giunzione..I Fast recovery e gli Schottky si usano solo negli alimentatori e (specialmente gli Schottky) solo se servono.... come diodi puri e semplici infatti fanno piuttosto schifo.
insomma, per farmi un po' le ossa con i diodi.
Anche qui dipende da quali ossa vuoi farti. Alla fine un diodo non fa altro che... il diodo: polarizzato direttamente conduce corrente, polarizzato inversamente no. Tutto quello che puoi fare in bassa frequenza con i diodi in un modo o nell'altro alla fine si riduce essenzialmente a obbligare la corrente ad andare per una strada piuttosto che per un'altra. Nel campo della RF c'è da divertirsi di pù ma bisogna pure sbattersi di più...
Ciao
Piercarlo
0
voti
Piercarlo ha scritto: gli Schottky si usano solo negli alimentatori e [...] solo se servono.... come diodi puri e semplici infatti fanno piuttosto schifo.
Come mai fanno piuttosto schifo?
Ciao,
Niki
0
voti
[quote="nikiT"] Come mai fanno piuttosto schifo?
Perché, rispetto ai comuni diodi a giunzione, hanno correnti di perdita allucinanti (almeno un centinaio di volte più elevate). Se tu misuri la resistenza inversa di un diodo Schottiky, trovi valori che se li ritrovassi su un normale diodo a giunzione lo riterresti GUASTO. Proprio per questo sono diodi che vanno usati solo dove la loro velocità di commutazione è un must talmente irrinunciabile da indurre a sorvolare su questo problema. Ma, a parte forse il caso particolare citato da Self riguardo agli amplificatori in classe G quando commutano tra finali "bassi" e finali "alti" dello stadio di uscita, nei circuiti analogici in bassa frequenza la loro velocità non serve semplicemente a nulla. Non fosse che per il fatto che tanto tutto il resto continua ad andare piano, piano, a cominciare dalle nostre orecchie...
Ciao
Piercarlo
Perché, rispetto ai comuni diodi a giunzione, hanno correnti di perdita allucinanti (almeno un centinaio di volte più elevate). Se tu misuri la resistenza inversa di un diodo Schottiky, trovi valori che se li ritrovassi su un normale diodo a giunzione lo riterresti GUASTO. Proprio per questo sono diodi che vanno usati solo dove la loro velocità di commutazione è un must talmente irrinunciabile da indurre a sorvolare su questo problema. Ma, a parte forse il caso particolare citato da Self riguardo agli amplificatori in classe G quando commutano tra finali "bassi" e finali "alti" dello stadio di uscita, nei circuiti analogici in bassa frequenza la loro velocità non serve semplicemente a nulla. Non fosse che per il fatto che tanto tutto il resto continua ad andare piano, piano, a cominciare dalle nostre orecchie...
Ciao
Piercarlo
1
voti
Ho imparato una cosa nuova. Grazie!
M'è piaciuta.
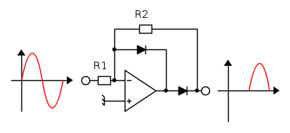
Forse il circuito che cerca [user]XStreme[/user] è un raddrizzatore di precisione?
Impiegando un circuito simile, si possono realizzare semplici voltmetri in AC a valor medio.
La resistenza vale
, dove
è la massima tensione che vuoi misurare (che deve essere ovviamente compresa entro il limite dovuto alle tensioni d'alimentazione dell'operazionale e la caduta sui diodi) e
è la corrente di fondoscala del milliamperometro. Visto che ti interessi d'audio, potrebbe essere uno schemino interessante per unire l'utile al dilettevole.
Ciao,
Niki
Piercarlo ha scritto:Non fosse che per il fatto che tanto tutto il resto continua ad andare piano, piano, a cominciare dalle nostre orecchie...
M'è piaciuta.
Forse il circuito che cerca [user]XStreme[/user] è un raddrizzatore di precisione?
Impiegando un circuito simile, si possono realizzare semplici voltmetri in AC a valor medio.
La resistenza vale
, dove
è la massima tensione che vuoi misurare (che deve essere ovviamente compresa entro il limite dovuto alle tensioni d'alimentazione dell'operazionale e la caduta sui diodi) e
è la corrente di fondoscala del milliamperometro. Visto che ti interessi d'audio, potrebbe essere uno schemino interessante per unire l'utile al dilettevole. Ciao,
Niki
41 messaggi
• Pagina 1 di 5 • 1, 2, 3, 4, 5
Torna a Elettronica e spettacolo
Chi c’è in linea
Visitano il forum: Nessuno e 18 ospiti

Elettrotecnica e non solo (admin)
Un gatto tra gli elettroni (IsidoroKZ)
Esperienza e simulazioni (g.schgor)
Moleskine di un idraulico (RenzoDF)
Il Blog di ElectroYou (webmaster)
Idee microcontrollate (TardoFreak)
PICcoli grandi PICMicro (Paolino)
Il blog elettrico di carloc (carloc)
DirtEYblooog (dirtydeeds)
Di tutto... un po' (jordan20)
AK47 (lillo)
Esperienze elettroniche (marco438)
Telecomunicazioni musicali (clavicordo)
Automazione ed Elettronica (gustavo)
Direttive per la sicurezza (ErnestoCappelletti)
EYnfo dall'Alaska (mir)
Apriamo il quadro! (attilio)
H7-25 (asdf)
Passione Elettrica (massimob)
Elettroni a spasso (guidob)
Bloguerra (guerra)






