ciao a tutto il forum.
sono nuovo e scarso come programmazione,ho cercato ma non ho trovato il modo di accendere e spegnere gradualmente 5 o 6 led.ho a disposizione un segnale PWM di periodo totale 20mS al cui interno vengono trasmessi degli impulsi di durata variabile da 1mS a 2mS,trasformando questi impulsi in tensione si dovrebbe poter accendere i led,penso che vada fatto con un PIC.
ho cercato anche di farlo con 2 555 con il primo si dovrebbe generare il segnale ma negli schemi che ho visto il secondo 555 viene controllato da una tensione e no da quella frequenza come mi servirebbe.
mi potete dare una mano?
grazie
Accensione graduale LED
Moderatore:
IsidoroKZ
29 messaggi
• Pagina 1 di 3 • 1, 2, 3
0
voti
se vuoi insistere con il 555 esiste questo approccio
http://www.555-timer-circuits.com/up-down-fading-led.html
in pratica sfrutti il tempo di carica del condensatore C1 in modo da alimentare la base del transistor gradualmente, ottenendo nel complesso un effetto fade, sia in fase accensione che spegnimento.
http://www.555-timer-circuits.com/up-down-fading-led.html
in pratica sfrutti il tempo di carica del condensatore C1 in modo da alimentare la base del transistor gradualmente, ottenendo nel complesso un effetto fade, sia in fase accensione che spegnimento.
0
voti
neofita ha scritto: ...ho a disposizione un segnale PWM di periodo totale 20mS al cui interno vengono trasmessi degli impulsi di durata variabile da 1mS a 2mS...

"Non farei mai parte di un club che accettasse la mia iscrizione" (G. Marx)
-

claudiocedrone
21,3k 4 7 9 - Master EY

- Messaggi: 15303
- Iscritto il: 18 gen 2012, 13:36
0
voti
Non citare i messaggi per intero, specie se precedono la risposta.
Usa il tasto RISPONDI e leggi le regole del forum.
si funziona ma in questo modo il fading è automatico e non viene comandato dal segnale che ho,forse col 555 non c'è soluzione.
Usa il tasto RISPONDI e leggi le regole del forum.
si funziona ma in questo modo il fading è automatico e non viene comandato dal segnale che ho,forse col 555 non c'è soluzione.
0
voti
Eliminato quoting inutile.
il segnale è preso dalla ricevente per modellismo e comanda i servocomandi,vengono mandati in continuazione questi segnali da 1mS a 2 mS.per esempio con un segnale di 1,5mS il servo è fermo alcentro se il segnale aumenta gira a destra se diminuisce gira sinistra.volevo trasformare questo duty-cicle variabile in una tensione variabile per comandare l'accensione e spegnimento graduale del led,quindi comandata da me.
il segnale è preso dalla ricevente per modellismo e comanda i servocomandi,vengono mandati in continuazione questi segnali da 1mS a 2 mS.per esempio con un segnale di 1,5mS il servo è fermo alcentro se il segnale aumenta gira a destra se diminuisce gira sinistra.volevo trasformare questo duty-cicle variabile in una tensione variabile per comandare l'accensione e spegnimento graduale del led,quindi comandata da me.
0
voti
il segnale è preso dalla ricevente per modellismo e comanda i servocomandi,vengono mandati in continuazione questi segnali da 1mS a 2 mS.per esempio con un segnale di 1,5mS il servo è fermo alcentro se il segnale aumenta gira a destra se diminuisce gira sinistra.volevo trasformare questo duty-cicle variabile in una tensione variabile per comandare l'accensione e spegnimento graduale del led,quindi comandata da me.
0
voti
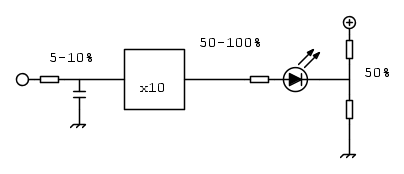
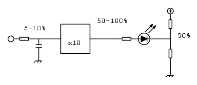
con un duty cicle che varia tra 5% e 10% non so se riesci a risolvere facilmente
comunque
io tenterei questa soluzione un po' sporca:
* applicare un filtro passabasso RC a tale ingresso in modo da livellarlo ad una tensione piu' o meno costante e cioè eliminando la frequenza modulante della PWM
* moltiplicherei per 10 mediante un amplificatore operazionale, ottenendo una tensione tra 50% e 100%
* Predisporrei un partitore in modo da creare una tensione di riferimento di 50%
* tenterei di alimentare il LEDa cavallo tra le 2 terminazioni ottenute, in modo che sia alimentato da una tensione 0-50%... che dovrebbe essere sufficiente a far variare la corrente nel LED da 0 al valore massimo desiderato.
ovvero qualcosa tipo:
comunque, ragionandoci un po' meglio, dovresti anche poter usare l'amplificatore operazione come sommatore e sottrattore contemporaneamente e ottenere come uscita la composizione del segnale 5-10% moltiplicato per un fattore (20? ... ottenendo 100%-200%), a cui sottrai una componente continua (100%) in modo che il valore ottenuto sia nel range 0-100%... perfetti per la tua alimentazione del LED da completamente acceso a completamente spento.
fatti 2 conti con:
https://it.wikipedia.org/wiki/Sommatore_analogico
comunque
io tenterei questa soluzione un po' sporca:
* applicare un filtro passabasso RC a tale ingresso in modo da livellarlo ad una tensione piu' o meno costante e cioè eliminando la frequenza modulante della PWM
* moltiplicherei per 10 mediante un amplificatore operazionale, ottenendo una tensione tra 50% e 100%
* Predisporrei un partitore in modo da creare una tensione di riferimento di 50%
* tenterei di alimentare il LEDa cavallo tra le 2 terminazioni ottenute, in modo che sia alimentato da una tensione 0-50%... che dovrebbe essere sufficiente a far variare la corrente nel LED da 0 al valore massimo desiderato.
ovvero qualcosa tipo:
comunque, ragionandoci un po' meglio, dovresti anche poter usare l'amplificatore operazione come sommatore e sottrattore contemporaneamente e ottenere come uscita la composizione del segnale 5-10% moltiplicato per un fattore (20? ... ottenendo 100%-200%), a cui sottrai una componente continua (100%) in modo che il valore ottenuto sia nel range 0-100%... perfetti per la tua alimentazione del LED da completamente acceso a completamente spento.
fatti 2 conti con:
https://it.wikipedia.org/wiki/Sommatore_analogico
Ultima modifica di
Russell il 11 nov 2015, 12:41, modificato 1 volta in totale.
Motivazione: corrette percentuali dei duty cycle min max
Motivazione: corrette percentuali dei duty cycle min max
0
voti
grazie ci proverò,ma da una simulazione fatta al PC applicando il passa basso al segnale PWM non usciva tensione continua.non la vedo oppure va messo un carico? i valori del filtro vanno calcolati sui 20mS oppure su 1mS o 2mS,sono molto arrugginito in elettronica.
0
voti
il prodotto RC del passabasso deve essere un tempo almeno 10 volte superiore alla frequenza da eliminare (che sarebbe quella con periodo 20ms)
quindi se applichi un filtro passabasso con costante tempo pari circa ad 1 secondo dovresti essere a posto
quindi se applichi un filtro passabasso con costante tempo pari circa ad 1 secondo dovresti essere a posto
0
voti

"Non farei mai parte di un club che accettasse la mia iscrizione" (G. Marx)
-

claudiocedrone
21,3k 4 7 9 - Master EY

- Messaggi: 15303
- Iscritto il: 18 gen 2012, 13:36
29 messaggi
• Pagina 1 di 3 • 1, 2, 3
Torna a Elettronica e spettacolo
Chi c’è in linea
Visitano il forum: Nessuno e 6 ospiti

Elettrotecnica e non solo (admin)
Un gatto tra gli elettroni (IsidoroKZ)
Esperienza e simulazioni (g.schgor)
Moleskine di un idraulico (RenzoDF)
Il Blog di ElectroYou (webmaster)
Idee microcontrollate (TardoFreak)
PICcoli grandi PICMicro (Paolino)
Il blog elettrico di carloc (carloc)
DirtEYblooog (dirtydeeds)
Di tutto... un po' (jordan20)
AK47 (lillo)
Esperienze elettroniche (marco438)
Telecomunicazioni musicali (clavicordo)
Automazione ed Elettronica (gustavo)
Direttive per la sicurezza (ErnestoCappelletti)
EYnfo dall'Alaska (mir)
Apriamo il quadro! (attilio)
H7-25 (asdf)
Passione Elettrica (massimob)
Elettroni a spasso (guidob)
Bloguerra (guerra)


