salve a tutti,
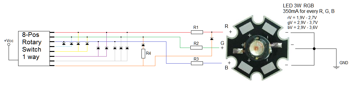
Scrivo x esporvi un problema che mi sta assillando: vorrei comandare 8 colori di un led rgb con uno switch rotativo a 8 posizioni (l'ottavo colore è un diverso dimensionamento delle resistenze su red e green che da arancio anzichè giallo).
Il problema grosso è che vorrei usare meno componentistica possibile poiché lo spazio dove mettere tutto è molto ridotto. E non vorrei usare arduino o componenti programmabili.
L'unica soluzione che son riuscito a trovare è la seguente....ma speravo in qualcosa di meglio :)
Grazie in anticipo e saluti ;)
led rgb e switch rotativo
Moderatore:
IsidoroKZ
12 messaggi
• Pagina 1 di 2 • 1, 2
0
voti
Anghelos ha scritto:lo spazio dove mettere tutto è molto ridotto. E non vorrei usare arduino o componenti programmabili.
Se ci dici le dimensioni massime dello spazio disponibile, magari qualche commutatore adatto possiamo trovarlo
0
voti
SerTom ha scritto:Esistono commutatori BCD che ti consentono di risparmiare i diodi esterni.
perché R4 e sopratutto quel diodo diretto su R ?
ByeSer.Tom
Serve per avere il colore arancione, che lo ottengo togliendo la resistenza dal rosso (o comunque tenendola molto bassa) e aggiungendola al verde che anche se visibile li, in realta' non c'e' (visto che la sua tensione max è gia 3.7V).
Mi sn scordato di dire che la mia alimentazione è una 18650 da 3.7V
Questo fa parte di uno schema un po' piu' complesso, ma ciò che mi preme è appunto questa parte qui.
Ho ordinato due switch rotatori da 1 polo e 8 posizioni, particolari, perché hanno una base molto piccola che entra nel cilindro di metallo (diametro 24mm) ed è proprio per questo che vorrei evitare di cambiare switch. Avevo letto della possibilita' di aggiungere un contatore binario 4516 ma nello schema qui http://www.electroyou.it/g.schgor/wiki/ ... er-led-rgb invece di usare uno switch semplice, vorrei il rotativo per avere maggior controllo sulla luce da proiettare.
0
voti
Non puoi alimentare con una pila da 3,6V led che hanno Vf di 3,7 e pure mettendoci un diodo in serie !
Sono cose che non si fanno, neppure solo per sperimentare.
Cosa succede non appena la tua batteria si scarica un po' o cambia di qualche grado la temperatura e le Vf dei diodi si spostano ?
Bye
Ser.Tom
Sono cose che non si fanno, neppure solo per sperimentare.
Cosa succede non appena la tua batteria si scarica un po' o cambia di qualche grado la temperatura e le Vf dei diodi si spostano ?
Bye
Ser.Tom0
voti
Di che genere di rischi stiamo parlando? E comunque quella è la parte fonale del circuito...intesa non per un uso costante di ore ma a sessioni di max mezz ora. E comunque ci son le resistenze... Nn vedo il problema..... O_o
Al max potrei aggiungere resist. anche dove nn la metto, dimensionando comunque per avere quel colore ma perdendo in luminositá...
Ma il problema principale resta :/
Al max potrei aggiungere resist. anche dove nn la metto, dimensionando comunque per avere quel colore ma perdendo in luminositá...
Ma il problema principale resta :/
0
voti
Il problema è che sei in bilico su dei valori al limite ed appena cambia qualcosa, es. la temperatura, ti ritrovi in una situazione senza controllo. Il rischio non è tanto superare la corrente massima del led, ma ad esempio ottenere colori differenti via via che si scarica la batteria.
Ad esempio accade che il verde si affievolisce subito mentre il rosso reggerà molto di più ed il tuo arancione ... dipenderà dalla batteria !
Se per te va bene .... ma non è così che di fa buona progettazione.
Meglio usare 2 pile più piccole, in serie, in modo da partire con una tensione maggiore e rendere meno significativa la Vf dei led e dei diodi.
Bye
Ser.Tom
Ad esempio accade che il verde si affievolisce subito mentre il rosso reggerà molto di più ed il tuo arancione ... dipenderà dalla batteria !
Se per te va bene .... ma non è così che di fa buona progettazione.
Meglio usare 2 pile più piccole, in serie, in modo da partire con una tensione maggiore e rendere meno significativa la Vf dei led e dei diodi.
Bye
Ser.Tom0
voti
Sisi ma va bene cosi ;) nn è un applicazione "seria".... Ma per il prpblema? A parte i diodi ci sn altre soluzioni?
1
voti
Se non è una applicazione "seria" come puoi aspettarti delle risposte "serie"?
Nella tecnica, e non certo solo lì, o le cose sono fatte bene e funzionano o sono fatte male e non funzionano.
Il tempo di lavoro è indifferente: una giunzione di silicio si fonde in pochi millisecondi.
Aggiungo una osservazione: i commutatori miniaturizzati da cs, principalmente i codificatori, hanno limiti di corrente sui contatti attorno ai 100mA. 350mA proprio no, a meno di cambiarli una volta al dì.
Puoi eliminare i diodi interponendo una elettronica che svolga le funzioni di OR o faccia tutta la decodifica. In tal caso nulla vieta di usare contraves o commutatori miniatura rotativi, che non avranno problemi di corrente.
Nella tecnica, e non certo solo lì, o le cose sono fatte bene e funzionano o sono fatte male e non funzionano.
Il tempo di lavoro è indifferente: una giunzione di silicio si fonde in pochi millisecondi.
Aggiungo una osservazione: i commutatori miniaturizzati da cs, principalmente i codificatori, hanno limiti di corrente sui contatti attorno ai 100mA. 350mA proprio no, a meno di cambiarli una volta al dì.
Puoi eliminare i diodi interponendo una elettronica che svolga le funzioni di OR o faccia tutta la decodifica. In tal caso nulla vieta di usare contraves o commutatori miniatura rotativi, che non avranno problemi di corrente.
-

Brianz
5.828 5 10 - CRU - Account cancellato su Richiesta utente
- Messaggi: 858
- Iscritto il: 24 mar 2016, 11:27
0
voti
va bene, allora parliamo seriamente, ma questo apre nuovi problemi:
Se ho ben capito il led funziona idealmente a quelle correnti e quelle tensioni sopra descritte, ora... se abbasso la corrente di molto, la luminosità ne risentirà, e a questo punto sarebbe inutile questo progetto.
Diodi non vanno bene a quanto pare, perché nel momento che vengono attraversati da corrente superiore a 100mA rischiano di fondersi...e qui parliamo di correnti che superano abbondantemente i 100mA.
La soluzione che proponi, se ho ben capito non va ad intaccare la luminosità perché mantiene le correnti cosi come sono, e -sempre da come ho capito- mi consente di tenere quello switch rotativo, ma a cui devo anteporre un codificatore a OR.
Quando parli di un elettronica che svolga funzioni di OR, stai parlando di integrati come ttl 7432? o c'e' qualcosa di più specifico per il mio problema, puoi farmi un esempio?
Ti ringrazio per le risposte :)
EDIT
alev: non citare per intero il messaggio precedente, usa il tasto Rispondi
Se ho ben capito il led funziona idealmente a quelle correnti e quelle tensioni sopra descritte, ora... se abbasso la corrente di molto, la luminosità ne risentirà, e a questo punto sarebbe inutile questo progetto.
Diodi non vanno bene a quanto pare, perché nel momento che vengono attraversati da corrente superiore a 100mA rischiano di fondersi...e qui parliamo di correnti che superano abbondantemente i 100mA.
La soluzione che proponi, se ho ben capito non va ad intaccare la luminosità perché mantiene le correnti cosi come sono, e -sempre da come ho capito- mi consente di tenere quello switch rotativo, ma a cui devo anteporre un codificatore a OR.
Quando parli di un elettronica che svolga funzioni di OR, stai parlando di integrati come ttl 7432? o c'e' qualcosa di più specifico per il mio problema, puoi farmi un esempio?
Ti ringrazio per le risposte :)
EDIT
Ultima modifica di
alev il 18 mag 2016, 12:11, modificato 1 volta in totale.
Motivazione: Rimosso quoting inutile
Motivazione: Rimosso quoting inutile
12 messaggi
• Pagina 1 di 2 • 1, 2
Torna a Elettronica e spettacolo
Chi c’è in linea
Visitano il forum: Nessuno e 17 ospiti

Elettrotecnica e non solo (admin)
Un gatto tra gli elettroni (IsidoroKZ)
Esperienza e simulazioni (g.schgor)
Moleskine di un idraulico (RenzoDF)
Il Blog di ElectroYou (webmaster)
Idee microcontrollate (TardoFreak)
PICcoli grandi PICMicro (Paolino)
Il blog elettrico di carloc (carloc)
DirtEYblooog (dirtydeeds)
Di tutto... un po' (jordan20)
AK47 (lillo)
Esperienze elettroniche (marco438)
Telecomunicazioni musicali (clavicordo)
Automazione ed Elettronica (gustavo)
Direttive per la sicurezza (ErnestoCappelletti)
EYnfo dall'Alaska (mir)
Apriamo il quadro! (attilio)
H7-25 (asdf)
Passione Elettrica (massimob)
Elettroni a spasso (guidob)
Bloguerra (guerra)


