Ciao a tutti,
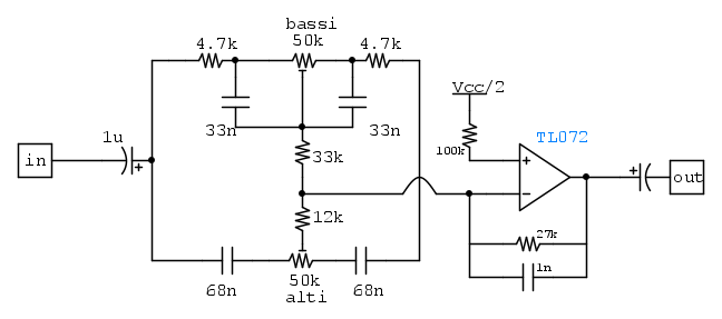
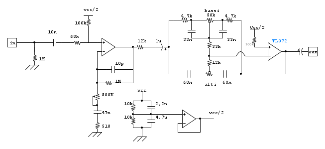
ho realizzato un piccolo circuito per la distorsione di una chitarra elettrica. Una volta raggiunto il suono da me desiderato ho pensato di aggiungere in coda un controllo toni. Cercando in rete, su un blog che non ricordo, ho trovato il seguente schema.
L'ho realizzato su PCB (quindi diamo per scontato che ho rispettato piste e che le saldature siano ok), ma sia in distorsione, sia con suono pulito (ovvero bypassando il mio circuito di condizionamento del suono) il controlli toni non lavora. I potenziometri ALTI e BASSI possono essere al minimo o al massimo e nulla cambia a livello sonoro. Probabilmente è dimensionato per altre frequenze? Purtroppo non me ne intendo di filtri e non saprei come verificare il dimensionamento, quindi chiedo un vostro aiuto.
vi ringrazio in anticipo
filtro audio
Moderatore:
IsidoroKZ
25 messaggi
• Pagina 1 di 3 • 1, 2, 3
1
voti
[2] Re: filtro audio
Cerca Baxandall tone control
Qui trovi l'articolo originale (1952)
NEGATIVE-FEEDBACK TONE-CONTROL: Oct 1952
Peter J Baxandall
http://www.douglas-self.com/ampins/wwar ... .htm#baxtc
Qui trovi l'articolo originale (1952)
NEGATIVE-FEEDBACK TONE-CONTROL: Oct 1952
Peter J Baxandall
http://www.douglas-self.com/ampins/wwar ... .htm#baxtc
0
voti
[3] Re: filtro audio
Super grazie per la dritta… quindi ho mixato gli schemi
Seguire il primo schema o il secondo porta allo stesso risultato no?
C’è un metodo matematico per sapere le frequenze di taglio?
Tra stasera e domani provo e vi aggiorno. Intanto grazie mille
Seguire il primo schema o il secondo porta allo stesso risultato no?
C’è un metodo matematico per sapere le frequenze di taglio?
Tra stasera e domani provo e vi aggiorno. Intanto grazie mille
0
voti
[4] Re: filtro audio
All'incirca. Tutto dipende da come fornisci vdd/2 in uno schema hai l'ingresso ad alta impedenza, nell'altro puoi modificare i poli della funzione di trasferimento.
Per le frequenze di taglio puoi applicare il metodo delle costanti di tempo ;) altrimenti devi calcolarti la funzione di trasferimento.
Per le frequenze di taglio puoi applicare il metodo delle costanti di tempo ;) altrimenti devi calcolarti la funzione di trasferimento.
0
voti
[6] Re: filtro audio
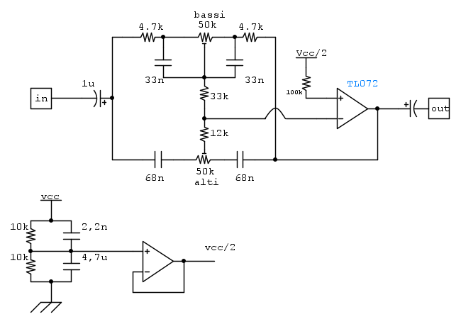
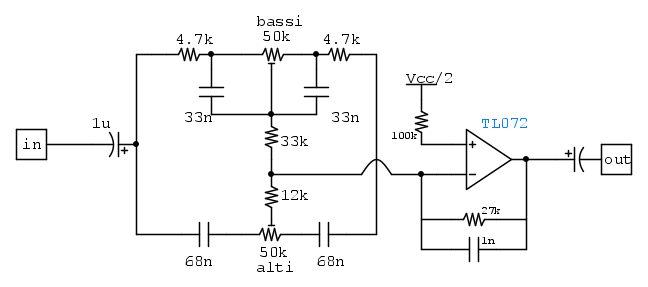
Il controllo alti lavora molto bene, c'è parecchio margine di gioco. Mentre il controllo bassi è limitato, incide poco sul suono. Per migliorare la gestione dei bassi basta agire sui condensatori da 33n giusto?
in ogni caso ripropongo di seguito lo schema corretto e aggiornato... magari in futuro può servire a qualcuno.
0
voti
[7] Re: filtro audio
Suggerisco qualche miglioria trascurabile:
1)
Il resistore da 100k in serie all'ingresso non invertente è inutile o leggermente di danno: ti prendi cura di usare uno stadio voltage follower per ridurre l'impedenza di Vcc/2, poi ci metti in serie 100 K
?
2)
Se togli il condensatore da 2,2 nF dal partitore filtri meglio eventuali disturbi presenti su Vcc.

1)
Il resistore da 100k in serie all'ingresso non invertente è inutile o leggermente di danno: ti prendi cura di usare uno stadio voltage follower per ridurre l'impedenza di Vcc/2, poi ci metti in serie 100 K
?2)
Se togli il condensatore da 2,2 nF dal partitore filtri meglio eventuali disturbi presenti su Vcc.

0
voti
[8] Re: filtro audio
ira83 ha scritto: Per migliorare la gestione dei bassi basta agire sui condensatori da 33n giusto?
Sì, giusto, prova con 22nF
Dai , mostraci anche lo schema del distorsore
-

SediciAmpere
4.187 5 5 8 - Master

- Messaggi: 4847
- Iscritto il: 31 ott 2013, 15:00
0
voti
[9] Re: filtro audio
Grazie mille per le dritte.
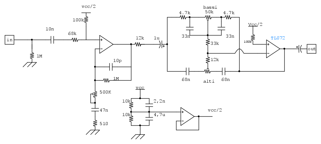
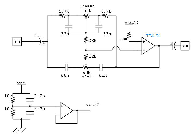
In realtà perché vcc/2 la porto anche in altri punti del circuito... posto sotto lo schema completo
ho fatto delle prove sostituendo i condensatori da circa 100pF fino a 470nF... a livello di suono non mi cambia molto
come da richiesta di seguito lo schema completo, magari mi date ulteriori suggerimenti
semplicemente sfrutto un operazionale in saturazione
MarcoD ha scritto:1) Il resistore da 100k in serie all'ingresso non invertente è inutile o leggermente di danno: ti prendi cura di usare uno stadio voltage follower per ridurre l'impedenza di Vcc/2, poi ci metti in serie 100 K?
In realtà perché vcc/2 la porto anche in altri punti del circuito... posto sotto lo schema completo
SediciAmpere ha scritto:Sì, giusto, prova con 22nF
ho fatto delle prove sostituendo i condensatori da circa 100pF fino a 470nF... a livello di suono non mi cambia molto
come da richiesta di seguito lo schema completo, magari mi date ulteriori suggerimenti
0
voti
[10] Re: filtro audio
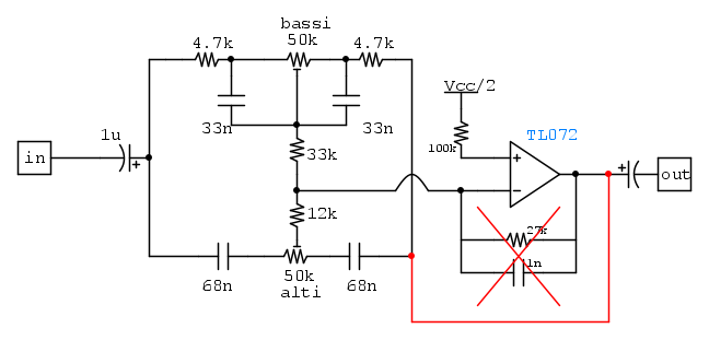
Il potenziometro dei bassi, prova con un 22 k (o giù di lì, quello che hai a disposizione) vedi che succede; prova anche due diodi in antiparallelo nella retroazione del distorsore (in parallelo a resistore e condensatore) vedi se ti aggrada il risultato.
"Non farei mai parte di un club che accettasse la mia iscrizione" (G. Marx)
-

claudiocedrone
21,3k 4 7 9 - Master EY

- Messaggi: 15302
- Iscritto il: 18 gen 2012, 13:36
25 messaggi
• Pagina 1 di 3 • 1, 2, 3
Torna a Elettronica e spettacolo
Chi c’è in linea
Visitano il forum: Nessuno e 27 ospiti

Elettrotecnica e non solo (admin)
Un gatto tra gli elettroni (IsidoroKZ)
Esperienza e simulazioni (g.schgor)
Moleskine di un idraulico (RenzoDF)
Il Blog di ElectroYou (webmaster)
Idee microcontrollate (TardoFreak)
PICcoli grandi PICMicro (Paolino)
Il blog elettrico di carloc (carloc)
DirtEYblooog (dirtydeeds)
Di tutto... un po' (jordan20)
AK47 (lillo)
Esperienze elettroniche (marco438)
Telecomunicazioni musicali (clavicordo)
Automazione ed Elettronica (gustavo)
Direttive per la sicurezza (ErnestoCappelletti)
EYnfo dall'Alaska (mir)
Apriamo il quadro! (attilio)
H7-25 (asdf)
Passione Elettrica (massimob)
Elettroni a spasso (guidob)
Bloguerra (guerra)









