Vabbé visto che "chi dovrebbe" non apprezza queste dimostrazioni di autentica passione per la materia, nonché di pazienza e cura nel fare le cose (forse gli altri forum sono stati più veloce nel servizio, e soprattutto non hanno fatto fastidiose e inutili domande), è doveroso lasciare almeno un commento.
GRAZIE ad Admin e Renzo per il disegno e lo svolgimento!
esercizio sui circuiti elettrici
Moderatori:
IsidoroKZ,
PietroBaima,
Ianero
17 messaggi
• Pagina 2 di 2 • 1, 2
0
voti
Salve a tutti, volevo sottoporvi questo esercizio e visto che c'era questa discussione già aperta ho pensato di inserirlo qua invece di aprirne una nuova. L'esercizio è il seguente:
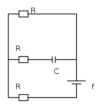
"Nel circuito in figura, f=1,5 V, R=50 kOHM, L=0,5 mH e C=1,2 pF. Calcolare il valore della corrente
che attraversa ciascuna resistenza in funzione del tempo, il valore massimo di ciascuna e quello in
condizioni stazionarie (t → inf), la carica massima depositata sulle armature del condensatore,
l'energia dissipata complessivamente nella resistenza in serie con il condensatore."
Magari, anzi sicuramente, la risoluzione del circuito è banale, ma sono entrato in confusione. Non capisco come calcolare la corrente che scorre nei resistori in funzione del tempo SENZA utilizzare metodi di elettrotecnica (il prof non vuole categoricamente) ma applicando solo leggi studiate nel corso di fisica 2.
Ho pensato a qualche strada da seguire, ma non so quale sia quella giusta ( se ce ne è una giusta, tra queste):
- applico la legge di Kierchhoff scrivendomi le equazioni di due maglie e di un nodo? In questo modo, però, ottengo un sistema di due equazioni differenziali, giusto? Non so a voi, ma a me sembra una strada poco percorribile (ora sarò smentito...XD)
- considero la relazione tra carica e corrente i=dQ/dt, da cui segue che idt=dQ e poi integro (da o a t il primo membro e da o a Q il secondo membro) sfruttando le relazioni note per la carica di un condensatore in un circuito RC? Solo che mi sorge questo dubbio: la corrente che trovo coì non è solamente quella che scorre nel lato in cui è presente il condensatore? E quella che scorre negli altri lati (in funzione del tempo) come la trovo? Sfruttando il fatto che la caratteristica del resistore è lineare?
So che sono dubbi stupidi, i miei, ma fin quando non me li tolgo definitivamente, continuerò ad averli, temo.
Già che ci sono, vi chiedo anche questo: nel testo si fa riferimento a un'induttanza. E' un errore oppure sto tralasciando qualcosa?
Vi ringrazio di cuore in anticipo per qualunque suggerimento sappiate(vogliate) darmi.
"Nel circuito in figura, f=1,5 V, R=50 kOHM, L=0,5 mH e C=1,2 pF. Calcolare il valore della corrente
che attraversa ciascuna resistenza in funzione del tempo, il valore massimo di ciascuna e quello in
condizioni stazionarie (t → inf), la carica massima depositata sulle armature del condensatore,
l'energia dissipata complessivamente nella resistenza in serie con il condensatore."
Magari, anzi sicuramente, la risoluzione del circuito è banale, ma sono entrato in confusione. Non capisco come calcolare la corrente che scorre nei resistori in funzione del tempo SENZA utilizzare metodi di elettrotecnica (il prof non vuole categoricamente) ma applicando solo leggi studiate nel corso di fisica 2.
Ho pensato a qualche strada da seguire, ma non so quale sia quella giusta ( se ce ne è una giusta, tra queste):
- applico la legge di Kierchhoff scrivendomi le equazioni di due maglie e di un nodo? In questo modo, però, ottengo un sistema di due equazioni differenziali, giusto? Non so a voi, ma a me sembra una strada poco percorribile (ora sarò smentito...XD)
- considero la relazione tra carica e corrente i=dQ/dt, da cui segue che idt=dQ e poi integro (da o a t il primo membro e da o a Q il secondo membro) sfruttando le relazioni note per la carica di un condensatore in un circuito RC? Solo che mi sorge questo dubbio: la corrente che trovo coì non è solamente quella che scorre nel lato in cui è presente il condensatore? E quella che scorre negli altri lati (in funzione del tempo) come la trovo? Sfruttando il fatto che la caratteristica del resistore è lineare?
So che sono dubbi stupidi, i miei, ma fin quando non me li tolgo definitivamente, continuerò ad averli, temo.
Già che ci sono, vi chiedo anche questo: nel testo si fa riferimento a un'induttanza. E' un errore oppure sto tralasciando qualcosa?
Vi ringrazio di cuore in anticipo per qualunque suggerimento sappiate(vogliate) darmi.
0
voti
Nello schema non c'era nemmeno un interruttore?
Condizioni iniziali?
Controlla bene lo schema. Sono appunti? Esercizio copiato da un libro?
Condizioni iniziali?
rocco89 ha scritto:nel testo si fa riferimento a un'induttanza. E' un errore oppure sto tralasciando qualcosa?
Controlla bene lo schema. Sono appunti? Esercizio copiato da un libro?
Il Conte di Montecristo
Se non studio un giorno, me ne accorgo io. Se non studio due giorni, se ne accorge il pubblico.
Io devo studiare sodo e preparare me stesso perché prima o poi verrà il mio momento.
Abraham Lincoln
Se non studio un giorno, me ne accorgo io. Se non studio due giorni, se ne accorge il pubblico.
Io devo studiare sodo e preparare me stesso perché prima o poi verrà il mio momento.
Abraham Lincoln
-

EdmondDantes
11,9k 8 11 13 - Disattivato su sua richiesta
- Messaggi: 3619
- Iscritto il: 25 lug 2009, 22:18
- Località: Marsiglia
0
voti
EdmondDantes ha scritto:Nello schema non c'era nemmeno un interruttore?
Condizioni iniziali?
Controlla bene lo schema. Sono appunti? Esercizio copiato da un libro?
Ahimè no, purtroppo è un compito d'esame...non ci sono interruttori ne sono assegnate condizioni iniziali...vi ho scannerizzato il testo dell'esercizio con relativo circuito...guardate voi stessi.
Esercizio_circuito
0
voti
Fa pensare che voglia una soluzione con condizioni iniziali nulle.
Mi pare che l'estensore del problema non abbia le idee molto chiare, sia sui problemi cartacei che su quelli reali. Per la parte cartacea, dov'e` l'induttanza indicata nel testo? Per i problemi reali, una capacita` da 1.2pF e` "piccola" rispetto a capacita` parassite varie degli altri componenti. Mi pare uno dei tanti esercizi senza troppo senso con numeri messi a caso!
Da che libro e` tratto?
Mi pare che l'estensore del problema non abbia le idee molto chiare, sia sui problemi cartacei che su quelli reali. Per la parte cartacea, dov'e` l'induttanza indicata nel testo? Per i problemi reali, una capacita` da 1.2pF e` "piccola" rispetto a capacita` parassite varie degli altri componenti. Mi pare uno dei tanti esercizi senza troppo senso con numeri messi a caso!
Da che libro e` tratto?
Per usare proficuamente un simulatore, bisogna sapere molta più elettronica di lui
Plug it in - it works better!
Il 555 sta all'elettronica come Arduino all'informatica! (entrambi loro malgrado)
Se volete risposte rispondete a tutte le mie domande
Plug it in - it works better!
Il 555 sta all'elettronica come Arduino all'informatica! (entrambi loro malgrado)
Se volete risposte rispondete a tutte le mie domande
0
voti
Io studio Ingegneria Elettrica all'università di Catania, e l'esame di Fisica 2 lo passano mediamente due persone ad appello. Gli esercizi sono spesso incomprensibili e/o troppo complicati per una mataria da 6 crediti...io ho svolto tutti gli esercizi del Mazzoldi e parecchi degli appelli precedenti di questo prof( anche se, non esistendo sue risoluzioni di tali appelli, non ho idea se li ho svolti bene o male), e tuttavia ho la paura di non riuscire a superare questo esame il 2 del prossimo mese...mah...vedremo..
Cioè condensatore scarico e corrente massima?
IsidoroKZ ha scritto:Fa pensare che voglia una soluzione con condizioni iniziali nulle.
Da che libro e` tratto?
Cioè condensatore scarico e corrente massima?
17 messaggi
• Pagina 2 di 2 • 1, 2
Chi c’è in linea
Visitano il forum: Nessuno e 32 ospiti

Elettrotecnica e non solo (admin)
Un gatto tra gli elettroni (IsidoroKZ)
Esperienza e simulazioni (g.schgor)
Moleskine di un idraulico (RenzoDF)
Il Blog di ElectroYou (webmaster)
Idee microcontrollate (TardoFreak)
PICcoli grandi PICMicro (Paolino)
Il blog elettrico di carloc (carloc)
DirtEYblooog (dirtydeeds)
Di tutto... un po' (jordan20)
AK47 (lillo)
Esperienze elettroniche (marco438)
Telecomunicazioni musicali (clavicordo)
Automazione ed Elettronica (gustavo)
Direttive per la sicurezza (ErnestoCappelletti)
EYnfo dall'Alaska (mir)
Apriamo il quadro! (attilio)
H7-25 (asdf)
Passione Elettrica (massimob)
Elettroni a spasso (guidob)
Bloguerra (guerra)




