fisica 2 calcolare espressione corrente I(t)
Moderatori:
IsidoroKZ,
PietroBaima,
Ianero
2
voti
Una serie e un parallelo. Non serve altro.
Il Conte di Montecristo
Se non studio un giorno, me ne accorgo io. Se non studio due giorni, se ne accorge il pubblico.
Io devo studiare sodo e preparare me stesso perché prima o poi verrà il mio momento.
Abraham Lincoln
Se non studio un giorno, me ne accorgo io. Se non studio due giorni, se ne accorge il pubblico.
Io devo studiare sodo e preparare me stesso perché prima o poi verrà il mio momento.
Abraham Lincoln
-

EdmondDantes
11,9k 8 11 13 - Disattivato su sua richiesta
- Messaggi: 3619
- Iscritto il: 25 lug 2009, 22:18
- Località: Marsiglia
0
voti
allora, ecco cosa farei. applicando la legge di Thevenin per calcolarmi la Req che è semplice, in quanto due resistenze R sono in parallelo, e il loro valore è R^2/2R= ( R/2) resistenza che va sommata ad R che è in serie a questa resistenza risultante tra il parallelo. quindi la mia Req = (R/2)+R = (3/2)R.
per quanto riguarda la Feq non ho molto le idee chiare in quanto anche svariando nella ricerca sul web non ho ben capito come funziona, però ci provo così potete correggere i miei errori concettuali: devo considerare il circuito come se nel nodo con il deviatore che chiamo A, e nel nodo sotto in linea con l'induttanza, punto che chiamo B, il mio circuito fosse aperto! ora nella resistenza R vicina al mio punto B non passa corrente in quanto essa è "penzolante" ovvero risulta che la differenza di potenziale ai suoi capi è zero proprio perché corrente non ne passa. rimane una maglia con la mia F e le due R. (col tester sarebbe molto semplice
ma ciò non è importante ai fini del mio studio ) applicando la legge delle maglie da un lato ho le sorgenti, quindi f e dall'altro le cadute di potenziale che sono IR + IR. ovvero f -IR-IR=0 da questa ricavo I=F/(2R) . questa I la devo sostiuire in Vab=IR ricavando che la mia Feq=F/2 .
l'unico problema è che questo è un procedimento imparato dal web su una spiegazione di un professore, ma non ne ho ben capito il meccanismo ed il ragionamento da adottare situazione per situazione, e già qui mi ritrovo con mille dubbi perché se il circuito fosse diverso non riuscirei a capire!
ad esempio, se così fosse giusto, perché la I la devo sostiuire in Vab=IR (dove R mi si simplifica ma se le resistenze fossero per esempio diverse da R, quella R sarebbe R oppure magari chiamata in altro modo quindi non semplificabile nei calcoli??)
spero possiate aiutarmi a capire dove sbaglio ;)
per quanto riguarda la Feq non ho molto le idee chiare in quanto anche svariando nella ricerca sul web non ho ben capito come funziona, però ci provo così potete correggere i miei errori concettuali: devo considerare il circuito come se nel nodo con il deviatore che chiamo A, e nel nodo sotto in linea con l'induttanza, punto che chiamo B, il mio circuito fosse aperto! ora nella resistenza R vicina al mio punto B non passa corrente in quanto essa è "penzolante" ovvero risulta che la differenza di potenziale ai suoi capi è zero proprio perché corrente non ne passa. rimane una maglia con la mia F e le due R. (col tester sarebbe molto semplice
l'unico problema è che questo è un procedimento imparato dal web su una spiegazione di un professore, ma non ne ho ben capito il meccanismo ed il ragionamento da adottare situazione per situazione, e già qui mi ritrovo con mille dubbi perché se il circuito fosse diverso non riuscirei a capire!
ad esempio, se così fosse giusto, perché la I la devo sostiuire in Vab=IR (dove R mi si simplifica ma se le resistenze fossero per esempio diverse da R, quella R sarebbe R oppure magari chiamata in altro modo quindi non semplificabile nei calcoli??)
spero possiate aiutarmi a capire dove sbaglio ;)
-

platinumdj
0 4 - Frequentatore

- Messaggi: 116
- Iscritto il: 25 mar 2009, 23:21
0
voti
Piercarlo ha scritto:PS - Ti ho lasciato solo i conti da fare in cui sono una schiappa sul serio. Ma il ragionamento dovrebbe funzionare.
ci ho provato, spero possa aiutarmi anche lei perché a livello concettuale ho seguito ciò che avevo studiato che è come lei mi ha detto! grazie
-

platinumdj
0 4 - Frequentatore

- Messaggi: 116
- Iscritto il: 25 mar 2009, 23:21
0
voti
platinumdj ha scritto: ci ho provato, spero possa aiutarmi anche lei perché a livello concettuale ho seguito ciò che avevo studiato che è come lei mi ha detto! grazie
Prima di tutto il lei lo riserviamo alle signore!
Ciao
Piercarlo
0
voti
ho calcolato la Req, nel post precedente a quello in cui ti ho ringraziato ho scritto tutto ciò che ho fatto, puoi dargli una letta così da dirmi se ho sbagliato qualcosa? comunque l'unica difficoltà, è la Feq, che non so se ho calcolato bene, è scritto tutto un paio di post fa!
-

platinumdj
0 4 - Frequentatore

- Messaggi: 116
- Iscritto il: 25 mar 2009, 23:21
2
voti
Io procederei così (se non erro) supponendo di avere a che fare con un generatore di tensione continua
...
1. calcolare la corrente
che circola nell'induttanza un istante prima che commuti l'interruttore (
)... (a regime raggiunto l'induttore è assimilabile ad un cortocircuito!)

2. sfruttando la continuità della corrente in un induttore (
), procedere con lo studio della seconda parte di circuito che viene attivata in seguito alla commutazione dell'interruttore (
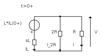
)... io ho scelto di utilizzare il metodo di Laplace che comporta di dover considerare il seguente circuito simbolico...
3. applicare la LKC...

esplicitando i vari termini si ottiene...

quindi la tensione
risulta (tralascio i vari calcoli perché non dovrebbero dare problemi):

pertanto la corrente incognita è pari a:

4. anti-trasformando la
, si ricava il corrispondente andamento temporale...

Sperando di non aver detto castronerie, spero di esserti stato di aiuto....
...1. calcolare la corrente
che circola nell'induttanza un istante prima che commuti l'interruttore (
)... (a regime raggiunto l'induttore è assimilabile ad un cortocircuito!)
2. sfruttando la continuità della corrente in un induttore (
), procedere con lo studio della seconda parte di circuito che viene attivata in seguito alla commutazione dell'interruttore (
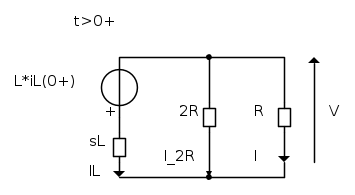
)... io ho scelto di utilizzare il metodo di Laplace che comporta di dover considerare il seguente circuito simbolico...3. applicare la LKC...

esplicitando i vari termini si ottiene...

quindi la tensione
risulta (tralascio i vari calcoli perché non dovrebbero dare problemi):
pertanto la corrente incognita è pari a:

4. anti-trasformando la
, si ricava il corrispondente andamento temporale...
Sperando di non aver detto castronerie, spero di esserti stato di aiuto....

Ultima modifica di
Lele_u_biddrazzu il 9 dic 2011, 0:45, modificato 1 volta in totale.
-

Lele_u_biddrazzu
8.154 3 8 13 - Master EY

- Messaggi: 1288
- Iscritto il: 23 gen 2007, 16:13
- Località: Modena
0
voti
..procederei per gradi, passo passo perché non ho capito molto, analizzando la risoluzione del primo circuito tramite thevenin, è corretto come ho calcolato la Req e la Feq? andiamo per gradi altrimenti mi perdo, io voglio capire bene come ragionare in modo da poter poi in autonomia ragionarci su e capire come svolgere un esercizio, quindi la spiegazione, non tanto il procedimento perché altrimenti non capisco nulla ;)
-

platinumdj
0 4 - Frequentatore

- Messaggi: 116
- Iscritto il: 25 mar 2009, 23:21
1
voti
Se ti interessa il procedimento "a parole" penso di poterlo riassumere nei seguenti punti:
1. studio del circuito prima della perturbazione per poter ricavare quelle grandezze elettriche che si mantengono "continue" nel tempo (correnti negli induttori, tensioni nei condensatori);
2. studio del circuito dopo la perturbazione (commutazione dell'interruttore) con i metodi tipici dell'elettrotecnica (trasformate di Laplace, equazioni differenziali con condizioni iniziali ecc)... purtroppo per capire bene questo punto ti consiglio di leggere testi idonei a tale scopo...
3. se il punto 2 è stato svolto in maniera corretta, dovresti poter valutare l'andamento temporale delle grandezze elettriche per
;
Se hai dubbi non esitare a postare...
1. studio del circuito prima della perturbazione per poter ricavare quelle grandezze elettriche che si mantengono "continue" nel tempo (correnti negli induttori, tensioni nei condensatori);
2. studio del circuito dopo la perturbazione (commutazione dell'interruttore) con i metodi tipici dell'elettrotecnica (trasformate di Laplace, equazioni differenziali con condizioni iniziali ecc)... purtroppo per capire bene questo punto ti consiglio di leggere testi idonei a tale scopo...
3. se il punto 2 è stato svolto in maniera corretta, dovresti poter valutare l'andamento temporale delle grandezze elettriche per
;Se hai dubbi non esitare a postare...

-

Lele_u_biddrazzu
8.154 3 8 13 - Master EY

- Messaggi: 1288
- Iscritto il: 23 gen 2007, 16:13
- Località: Modena
0
voti
..si, il mio dubbio intermedio nel procedimento è:ho calcolato la Req, la Feq se potete controllare un paio di post fa ho scritto come ho fatto, l'ho trovata.ora la Feq e la Req come le utilizzo?
-

platinumdj
0 4 - Frequentatore

- Messaggi: 116
- Iscritto il: 25 mar 2009, 23:21
1
voti
Lo studio del circuito per
serve per calcolare la
...usando un semplice partitore di tensione non dovresti avere problemi nella valutazione di tale corrente...
serve per calcolare la
...usando un semplice partitore di tensione non dovresti avere problemi nella valutazione di tale corrente...-

Lele_u_biddrazzu
8.154 3 8 13 - Master EY

- Messaggi: 1288
- Iscritto il: 23 gen 2007, 16:13
- Località: Modena
Chi c’è in linea
Visitano il forum: Nessuno e 13 ospiti

Elettrotecnica e non solo (admin)
Un gatto tra gli elettroni (IsidoroKZ)
Esperienza e simulazioni (g.schgor)
Moleskine di un idraulico (RenzoDF)
Il Blog di ElectroYou (webmaster)
Idee microcontrollate (TardoFreak)
PICcoli grandi PICMicro (Paolino)
Il blog elettrico di carloc (carloc)
DirtEYblooog (dirtydeeds)
Di tutto... un po' (jordan20)
AK47 (lillo)
Esperienze elettroniche (marco438)
Telecomunicazioni musicali (clavicordo)
Automazione ed Elettronica (gustavo)
Direttive per la sicurezza (ErnestoCappelletti)
EYnfo dall'Alaska (mir)
Apriamo il quadro! (attilio)
H7-25 (asdf)
Passione Elettrica (massimob)
Elettroni a spasso (guidob)
Bloguerra (guerra)


