Esercizio circuito
Moderatori:
IsidoroKZ,
PietroBaima,
Ianero
23 messaggi
• Pagina 3 di 3 • 1, 2, 3
0
voti
Allora,rispondendo a Renzo,studio ingegneria chimica alla federico secondo di napoli,sono al secondo anno,di elettrotecnica non so nulla dato che dobbiamo ancora farla,ho l'esame di fisica 2 a breve (sto studiando dal mazzoldi
).Per quanto riguarda il disegno,non so mettere i simboli delle resistenze in fidocad,ecco tutto.Infine un ringraziamento all'Ing.Schgor per aver postato la soluzione.Sto cercando di fare quati piu esercizi possibili,sto preparando l'esame da due mesi,talvolta ho dei dubbi che grazie voi sto dissipando
-

Ingchimico
-35 5 - Frequentatore

- Messaggi: 149
- Iscritto il: 26 gen 2011, 16:33
1
voti
Direi che, conoscendo solo "legge di Ohm" e "partitore di corrente" , si puo' risolvere con
![\begin{align}
& I=\frac{E}{R_{1}+\frac{R_{2}R}{R_{2}+R}} \\
& I_{R}=\frac{R_{2}}{R_{2}+R}\cdot I=\frac{E}{R_{1}+R\left( \frac{R_{1}}{R_{2}}+1 \right)} \\
& P=RI_{R}^{2}=\frac{RE^{2}}{\left[ R_{1}+R\left( \frac{R_{1}}{R_{2}}+1 \right) \right]^{2}}=\frac{E^{2}}{\frac{R_{1}^{2}}{R}+R\left( \frac{R_{1}}{R_{2}}+1 \right)^{2}+2R_{1}\left( \frac{R_{1}}{R_{2}}+1 \right)}\quad \\
\end{align} \begin{align}
& I=\frac{E}{R_{1}+\frac{R_{2}R}{R_{2}+R}} \\
& I_{R}=\frac{R_{2}}{R_{2}+R}\cdot I=\frac{E}{R_{1}+R\left( \frac{R_{1}}{R_{2}}+1 \right)} \\
& P=RI_{R}^{2}=\frac{RE^{2}}{\left[ R_{1}+R\left( \frac{R_{1}}{R_{2}}+1 \right) \right]^{2}}=\frac{E^{2}}{\frac{R_{1}^{2}}{R}+R\left( \frac{R_{1}}{R_{2}}+1 \right)^{2}+2R_{1}\left( \frac{R_{1}}{R_{2}}+1 \right)}\quad \\
\end{align}](/forum/latexrender/pictures/fb79fa0add516fda332153aa5475e480.png)
e, riconoscendo a denominatore la somma di due termini, direttamente ed inversamente proporzionali ad R con una costante, e quindi una funzione con un unico minimo, uguagliando a zero la derivata del denominatore, ricaverei

BTW ... per gli elettrotecnici è un discorso gia' visto ... per il rendimento massimo
![\begin{align}
& I=\frac{E}{R_{1}+\frac{R_{2}R}{R_{2}+R}} \\
& I_{R}=\frac{R_{2}}{R_{2}+R}\cdot I=\frac{E}{R_{1}+R\left( \frac{R_{1}}{R_{2}}+1 \right)} \\
& P=RI_{R}^{2}=\frac{RE^{2}}{\left[ R_{1}+R\left( \frac{R_{1}}{R_{2}}+1 \right) \right]^{2}}=\frac{E^{2}}{\frac{R_{1}^{2}}{R}+R\left( \frac{R_{1}}{R_{2}}+1 \right)^{2}+2R_{1}\left( \frac{R_{1}}{R_{2}}+1 \right)}\quad \\
\end{align} \begin{align}
& I=\frac{E}{R_{1}+\frac{R_{2}R}{R_{2}+R}} \\
& I_{R}=\frac{R_{2}}{R_{2}+R}\cdot I=\frac{E}{R_{1}+R\left( \frac{R_{1}}{R_{2}}+1 \right)} \\
& P=RI_{R}^{2}=\frac{RE^{2}}{\left[ R_{1}+R\left( \frac{R_{1}}{R_{2}}+1 \right) \right]^{2}}=\frac{E^{2}}{\frac{R_{1}^{2}}{R}+R\left( \frac{R_{1}}{R_{2}}+1 \right)^{2}+2R_{1}\left( \frac{R_{1}}{R_{2}}+1 \right)}\quad \\
\end{align}](/forum/latexrender/pictures/fb79fa0add516fda332153aa5475e480.png)
e, riconoscendo a denominatore la somma di due termini, direttamente ed inversamente proporzionali ad R con una costante, e quindi una funzione con un unico minimo, uguagliando a zero la derivata del denominatore, ricaverei

BTW ... per gli elettrotecnici è un discorso gia' visto ... per il rendimento massimo
"Il circuito ha sempre ragione" (Luigi Malesani)
0
voti
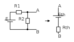
Se si fosse potuto applicare Thevenin
(come suggerito nel post[9]), la soluzione
sarebbe stata ancora più semplice:
Con il circuito equivalente di Thevenin
applicati ad R si ha:
e poiché "è noto" che il massimo di potenza
si ha quando il carico uguaglia la resistenza
interna del generatore, cioè quando R = Rth,
basta calcolare Rth, che risulta proprio il
parallelo di R1 ed R2.
(come suggerito nel post[9]), la soluzione
sarebbe stata ancora più semplice:
Con il circuito equivalente di Thevenin
applicati ad R si ha:
e poiché "è noto" che il massimo di potenza
si ha quando il carico uguaglia la resistenza
interna del generatore, cioè quando R = Rth,
basta calcolare Rth, che risulta proprio il
parallelo di R1 ed R2.
23 messaggi
• Pagina 3 di 3 • 1, 2, 3
Chi c’è in linea
Visitano il forum: Nessuno e 8 ospiti

Elettrotecnica e non solo (admin)
Un gatto tra gli elettroni (IsidoroKZ)
Esperienza e simulazioni (g.schgor)
Moleskine di un idraulico (RenzoDF)
Il Blog di ElectroYou (webmaster)
Idee microcontrollate (TardoFreak)
PICcoli grandi PICMicro (Paolino)
Il blog elettrico di carloc (carloc)
DirtEYblooog (dirtydeeds)
Di tutto... un po' (jordan20)
AK47 (lillo)
Esperienze elettroniche (marco438)
Telecomunicazioni musicali (clavicordo)
Automazione ed Elettronica (gustavo)
Direttive per la sicurezza (ErnestoCappelletti)
EYnfo dall'Alaska (mir)
Apriamo il quadro! (attilio)
H7-25 (asdf)
Passione Elettrica (massimob)
Elettroni a spasso (guidob)
Bloguerra (guerra)



