Revisione Circuito Basato su Atmega328p
Moderatore:
Paolino
1
voti
Perché al momento del reset del micro il pin è flottante e la resistenza tiene spento il mosfet.
-

AlbertoBianchi
2.009 3 5 - Master

- Messaggi: 836
- Iscritto il: 4 dic 2014, 18:30
- Località: Lastra a Signa (FI)
0
voti
Ho comprato diodi e resistenze da 47k, purtroppo il mosfet non c'era quindi non posso provare stasera, però appena avrò provato darò un riscontro, anche se sono sicuro funzionerà.
Non mi è perfettamente chiaro cosa devo fare e il funzionamento. Provo a fare un riepilogo:
- Lascio i motorini come sono collegati ora ma ci aggiungo i diodi in parallelo;
- Aggiungo il mosfet che alimenterà i motorini prelevando dai 5 volt ma proporzionalmente alla corrente nel gate;
- Devo invertire la polarità del pin 17, significa che se prima facevo uscire o 1,25 volt o 2,5 volt adesso
dovrebbero essere -1,25 volt o -2,5 volt;
- Ho capito che il gate si alimenta con una tensione negativa;
- Non ho capito quanta tensione devo dare in ingresso al gate per ottenere rispettivamente tra source e drain 1,25 volt o 2,5 volt.
Non mi è perfettamente chiaro cosa devo fare e il funzionamento. Provo a fare un riepilogo:
- Lascio i motorini come sono collegati ora ma ci aggiungo i diodi in parallelo;
- Aggiungo il mosfet che alimenterà i motorini prelevando dai 5 volt ma proporzionalmente alla corrente nel gate;
- Devo invertire la polarità del pin 17, significa che se prima facevo uscire o 1,25 volt o 2,5 volt adesso
dovrebbero essere -1,25 volt o -2,5 volt;
- Ho capito che il gate si alimenta con una tensione negativa;
- Non ho capito quanta tensione devo dare in ingresso al gate per ottenere rispettivamente tra source e drain 1,25 volt o 2,5 volt.
-

ultrasound91
318 2 4 6 - Disattivato su sua richiesta
- Messaggi: 700
- Iscritto il: 26 ago 2014, 21:02
1
voti
- Lascio i motorini come sono collegati ora ma ci aggiungo i diodi in parallelo;
Esatto
- Aggiungo il mosfet che alimenterà i motorini prelevando dai 5 volt ma proporzionalmente alla corrente nel gate
Si, ma non c'è nessuna proporzionalità, PWM significa onda quadra con duty-cycle variabile; per avere una grandezza proporzionale occorre che qualcuno che integri questo segnale, nel tuo caso lo fa il motorino stesso. Non c'è corrente nel gate, lavora in tensione con impedenza altissima.
- Devo invertire la polarità del pin 17, significa che se prima facevo uscire o 1,25 volt o 2,5 volt adesso
dovrebbero essere -1,25 volt o -2,5 volt;
Sul pin 17 esce un segnale locgico, 0V o 5V, quello che devi invertire è la fase del PWM, nei registri di configurazione del timer.
- Ho capito che il gate si alimenta con una tensione negativa;
NO, non c'è nessuna tensione negativa, o meglio il gate andrà negativo rispetto al source che è fissato a 5V
- Non ho capito quanta tensione devo dare in ingresso al gate per ottenere rispettivamente tra source e drain 1,25 volt o 2,5 volt.
Il pin 17 è un uscita logica, solo 0 e 1 non puoi dare nessuna tensione arbitraria; quando è 0 il mosfet conduce, quando è 1 il mosfet è interdetto.
A.
-

AlbertoBianchi
2.009 3 5 - Master

- Messaggi: 836
- Iscritto il: 4 dic 2014, 18:30
- Località: Lastra a Signa (FI)
0
voti
Ok, quindi il mosfet sta agendo da interruttore.
Invertendo la fase quindi sto scambiando i duty cycle fra livello alto e basso,
cioè se prima mettevo 30 %, che era riferito al livello alto, ora sarà 30 % al livello basso.
Però secondo il mio schema iniziale e i comandi che ho caricato nello sketch,
io potevo comandare i motorini alla tensione desiderata variando il duty cycle, e potevo anche variare la frequenza, cosa che è necessaria, agendo su un timer del microcontrollore.
Mi chiedo, nello schema minimale da te realizzato, i motorini seguiranno la frequenza del pin 17?
Invertendo la fase quindi sto scambiando i duty cycle fra livello alto e basso,
cioè se prima mettevo 30 %, che era riferito al livello alto, ora sarà 30 % al livello basso.
Però secondo il mio schema iniziale e i comandi che ho caricato nello sketch,
io potevo comandare i motorini alla tensione desiderata variando il duty cycle, e potevo anche variare la frequenza, cosa che è necessaria, agendo su un timer del microcontrollore.
Mi chiedo, nello schema minimale da te realizzato, i motorini seguiranno la frequenza del pin 17?
-

ultrasound91
318 2 4 6 - Disattivato su sua richiesta
- Messaggi: 700
- Iscritto il: 26 ago 2014, 21:02
0
voti
ultrasound91 ha scritto:Ok, quindi il mosfet sta agendo da interruttore.
Invertendo la fase quindi sto scambiando i duty cycle fra livello alto e basso,
cioè se prima mettevo 30 %, che era riferito al livello alto, ora sarà 30 % al livello basso.
OK, è giusto.
Però secondo il mio schema iniziale e i comandi che ho caricato nello sketch,
io potevo comandare i motorini alla tensione desiderata variando il duty cycle, e potevo anche variare la frequenza, cosa che è necessaria, agendo su un timer del microcontrollore.
Non devi cambiare la frequenza, di solito in un PWM la frequenza è fissa e varia solo il duty-cycle. E' sufficiente questo.
Mi chiedo, nello schema minimale da te realizzato, i motorini seguiranno la frequenza del pin 17?
Si, seguiranno il duty-cycle.
A.
-

AlbertoBianchi
2.009 3 5 - Master

- Messaggi: 836
- Iscritto il: 4 dic 2014, 18:30
- Località: Lastra a Signa (FI)
0
voti
La frequenza devo variarla solo all'accensione del micro, poi rimane fissa.
Quella di default è circa 500 Hz, e a questa frequenza i motorini emettono un suono strano, come un beep distorto. Per eliminare questo suono devo alzare la frequenza, a 16000 Hz il suono si fa acuto ma è ancora udibile, a 32000 Hz il suono è completamente assente. 32000 Hz è la frequenza che usavo.
Se i motorini seguono la frequenza del pin del microcontrollore, abbiamo risolto il problema della frequenza.
Mi rimangono due problemi:
1) Prima variando il duty cycle ottenevo delle variazioni di tensione, ora non più.
Quindi quale è la percentuale corretta di funzionamento? 50%?
2) Prima, per alimentare un motorino usavo un duty cycle del 25% che corrisponde a 1,25 volt, per alimentare due lo portavo al 50%, in modo che ognuno avesse sempre 1,25 volt. Ora come faccio a distribuire 1,25 volt quando è collegato uno e 2,5 volt quando sono collegati due?
Quella di default è circa 500 Hz, e a questa frequenza i motorini emettono un suono strano, come un beep distorto. Per eliminare questo suono devo alzare la frequenza, a 16000 Hz il suono si fa acuto ma è ancora udibile, a 32000 Hz il suono è completamente assente. 32000 Hz è la frequenza che usavo.
Se i motorini seguono la frequenza del pin del microcontrollore, abbiamo risolto il problema della frequenza.
Mi rimangono due problemi:
1) Prima variando il duty cycle ottenevo delle variazioni di tensione, ora non più.
Quindi quale è la percentuale corretta di funzionamento? 50%?
2) Prima, per alimentare un motorino usavo un duty cycle del 25% che corrisponde a 1,25 volt, per alimentare due lo portavo al 50%, in modo che ognuno avesse sempre 1,25 volt. Ora come faccio a distribuire 1,25 volt quando è collegato uno e 2,5 volt quando sono collegati due?
-

ultrasound91
318 2 4 6 - Disattivato su sua richiesta
- Messaggi: 700
- Iscritto il: 26 ago 2014, 21:02
0
voti
Comunque bisogna vedere se il mosfet riesce a chiudersi e aprirsi così velocemente o se hai dei tempi di risposta più lunghi.
-

ultrasound91
318 2 4 6 - Disattivato su sua richiesta
- Messaggi: 700
- Iscritto il: 26 ago 2014, 21:02
1
voti
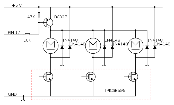
Ti passo uno schema alternativo dove ho apportato le seguenti modifiche (la mattina porta consiglio
) :
1) ho sostituito il mosfet con un transistor pnp, è una soluzione peggiore ma forse la puoi provare più velocemente. Quando avrai il mosfet basta che torni allo schema precedente. Se non hai il bc327 puoi provare ad usare quello che trovi.
2) per ogni motore ci sono due diodi, in questo modo si recupera l'energia del circuito magnetico e la si restituisce al rail di alimentazione invece di sprecarla per scaldare avvolgimento e diodo. I motori sono piccolissimi e l'energia in gioco ha valori bassissimi, ma tutto fa.
Il mosfet sicuramente si, il transistor potrebbe soffrire di lentezza dato che lavora andando in saturazione, ma credo che ce la possa fare (eventualmente puoi abbassare la frequenza del PWM a 10KHz); pui provare a montarlo, almeno ti rendi conto di come funziona il tutto.
Ma la soluzione finale è quella col mosfet.
A.
1) ho sostituito il mosfet con un transistor pnp, è una soluzione peggiore ma forse la puoi provare più velocemente. Quando avrai il mosfet basta che torni allo schema precedente. Se non hai il bc327 puoi provare ad usare quello che trovi.
2) per ogni motore ci sono due diodi, in questo modo si recupera l'energia del circuito magnetico e la si restituisce al rail di alimentazione invece di sprecarla per scaldare avvolgimento e diodo. I motori sono piccolissimi e l'energia in gioco ha valori bassissimi, ma tutto fa.
Comunque bisogna vedere se il mosfet riesce a chiudersi e aprirsi così velocemente o se hai dei tempi di risposta più lunghi.
Il mosfet sicuramente si, il transistor potrebbe soffrire di lentezza dato che lavora andando in saturazione, ma credo che ce la possa fare (eventualmente puoi abbassare la frequenza del PWM a 10KHz); pui provare a montarlo, almeno ti rendi conto di come funziona il tutto.
Ma la soluzione finale è quella col mosfet.
A.
-

AlbertoBianchi
2.009 3 5 - Master

- Messaggi: 836
- Iscritto il: 4 dic 2014, 18:30
- Località: Lastra a Signa (FI)
0
voti
La mattina porta buoni consigli anche a me. Purtroppo non conoscevo il mosfet, il transistor invece si.
Da quel che è ho dedotto dovrebbe copiare la forma d'onda del segnale d'ingresso (il pin 17) con un'ampiezza proporzionale alla tensione nel source (5 volt). Se è così siamo a posto, non mi resta che provare il primo schema. Inutile provare il transistor, perché non sono intenzionato a scendere a 10 kHz.
Curiosità: posso adottare i doppi diodi con il mosfet?
Da quel che è ho dedotto dovrebbe copiare la forma d'onda del segnale d'ingresso (il pin 17) con un'ampiezza proporzionale alla tensione nel source (5 volt). Se è così siamo a posto, non mi resta che provare il primo schema. Inutile provare il transistor, perché non sono intenzionato a scendere a 10 kHz.
Curiosità: posso adottare i doppi diodi con il mosfet?
-

ultrasound91
318 2 4 6 - Disattivato su sua richiesta
- Messaggi: 700
- Iscritto il: 26 ago 2014, 21:02
0
voti
ultrasound91 ha scritto:Da quel che è ho dedotto dovrebbe copiare la forma d'onda del segnale d'ingresso (il pin 17) con un'ampiezza proporzionale alla tensione nel source (5 volt). Se è così siamo a posto, non mi resta che provare il primo schema. Inutile provare il transistor, perché non sono intenzionato a scendere a 10 kHz.
Curiosità: posso adottare i doppi diodi con il mosfet?
Vedo che hai capito
Quella del transistor era una prova da fare in attesa che tu riesca a reperire il mosfet (avevo capito che per il momento non ne avevi)
I doppi diodi li puoi usare con entrambe le soluzioni, sono due cose slegate tra di loro.
-

AlbertoBianchi
2.009 3 5 - Master

- Messaggi: 836
- Iscritto il: 4 dic 2014, 18:30
- Località: Lastra a Signa (FI)
Torna a Realizzazioni, interfacciamento e nozioni generali.
Chi c’è in linea
Visitano il forum: Nessuno e 8 ospiti

Elettrotecnica e non solo (admin)
Un gatto tra gli elettroni (IsidoroKZ)
Esperienza e simulazioni (g.schgor)
Moleskine di un idraulico (RenzoDF)
Il Blog di ElectroYou (webmaster)
Idee microcontrollate (TardoFreak)
PICcoli grandi PICMicro (Paolino)
Il blog elettrico di carloc (carloc)
DirtEYblooog (dirtydeeds)
Di tutto... un po' (jordan20)
AK47 (lillo)
Esperienze elettroniche (marco438)
Telecomunicazioni musicali (clavicordo)
Automazione ed Elettronica (gustavo)
Direttive per la sicurezza (ErnestoCappelletti)
EYnfo dall'Alaska (mir)
Apriamo il quadro! (attilio)
H7-25 (asdf)
Passione Elettrica (massimob)
Elettroni a spasso (guidob)
Bloguerra (guerra)