Cos'è ElectroYou | Login Iscriviti

ElectroYou - la comunità dei professionisti del mondo elettrico

Comandare relè passo-passo con pierin e mm5450

Tipologie, strumenti di sviluppo, hardware e progetti

Moderatore: Foto UtentePaolino

0
voti

[11] Re: Comandare relè passo-passo con pierin e mm5450

Messaggioda Foto UtenteGuidoB » 24 feb 2015, 23:50

spivo ha scritto:Dopo vari test mi sono accorto che con una resitenza di 40 kohm e un condensatore da 470 nF il funzionamento è praticamente perfetto.

Non avevo intenzione di utilizzare questo circuito con raspberry ma credo di aver capito come utilizzarlo Grazie ancora ciao ivo

Ottimo. Felice di esserti stato utile. Ciao! O_/
Big fan of ƎlectroYou!       Ausili per disabili e anziani su ƎlectroYou
Caratteri utili: À È É Ì Ò Ó Ù α β γ δ ε η θ λ μ π ρ σ τ φ ω Ω º ª ² ³ √ ∛ ∜ ₀ ₁ ₂ ₃ ₄ ₅ ₆ ∃ ∄ ∆ ∈ ∉ ± ∓ ∾ ≃ ≈ ≠ ≤ ≥
Avatar utente
Foto UtenteGuidoB
17,8k 7 12 13
G.Master EY
G.Master EY
 
Messaggi: 2811
Iscritto il: 3 mar 2011, 16:48
Località: Madrid

0
voti

[12] Re: Comandare relè passo-passo con pierin e mm5450

Messaggioda Foto Utentespivo » 7 mar 2015, 15:28

Ciao a tutti,
vorrei tornare per un attimo alla prima domanda del primo post:
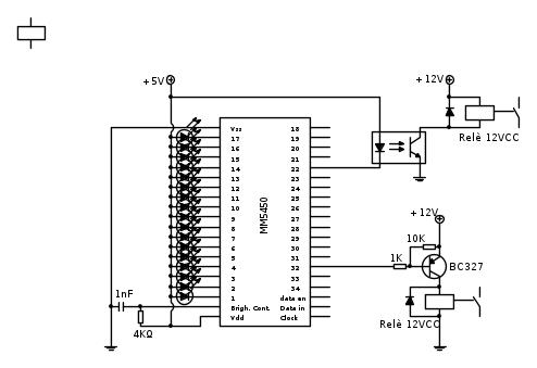
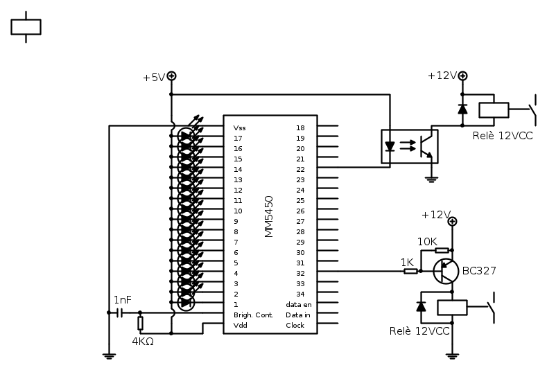
1, se devo collegare molti relè qualcuno conosce qualche componente per evitare una batteria di BC327 con relative resistenze?

Visto che l'mm5450 è un driver led go pensato di potarlo usare con degli optoisolatori in questo modo:

Ho provato e sembra funzionare bene, ma ho ancora qualche dubbio.
L'optoisolatore che pensavo di usare è questo:
http://www.farnell.com/datasheets/1751353.pdf
sul datasheet c'è scritto che può sopportare una "Collector current IC" di 50 mA, io con un tester ho visto che la bobina del relè consuma circa 30 mA sono troppo vicino al limite?
Ciao Grazie Ivo
Avatar utente
Foto Utentespivo
375 1 12
Frequentatore
Frequentatore
 
Messaggi: 197
Iscritto il: 19 dic 2012, 21:29

0
voti

[13] Re: Comandare relè passo-passo con pierin e mm5450

Messaggioda Foto Utentespivo » 9 mar 2015, 14:34

Nei vari tentativi mi sono accorto che collegando direttamente all'optoisoaltore alla bobina del relè quest'ultimo funziona ma fa uno strano ronzio :?
Qualcuno saprebbe dirmi per quale motivo grazie Ciao.
Avatar utente
Foto Utentespivo
375 1 12
Frequentatore
Frequentatore
 
Messaggi: 197
Iscritto il: 19 dic 2012, 21:29

Precedente

Torna a Realizzazioni, interfacciamento e nozioni generali.

Chi c’è in linea

Visitano il forum: Nessuno e 5 ospiti