ARM - From PIC
Moderatore:
Paolino
0
voti
[21] Re: ARM - From PIC
In due parole no ma se leggi QUI ti puoi fare un' idea.
"La follia sta nel fare sempre la stessa cosa aspettandosi risultati diversi".
"Parla soltanto quando sei sicuro che quello che dirai è più bello del silenzio".
Rispondere è cortesia, ma lasciare l'ultima parola ai cretini è arte.
"Parla soltanto quando sei sicuro che quello che dirai è più bello del silenzio".
Rispondere è cortesia, ma lasciare l'ultima parola ai cretini è arte.
-

TardoFreak
73,9k 8 12 13 - -EY Legend-

- Messaggi: 15754
- Iscritto il: 16 dic 2009, 11:10
- Località: Torino - 3° pianeta del Sistema Solare
0
voti
[22] Re: ARM - From PIC
Ok più o meno ci sono.
Solo non capisco il connettore a cosa e dove ti serve,se usi già l st-link per programmare l arm sto connettore jtag che c'entra? :)
Penso che nella mia scheda non ne ho bisogno,ma mi interessa ,oltre per capire, anche perché ho intenzione di abbandonarla sta sched una volta capito come funziona!
Grazie!
Scusa il ritardo nella risposta ma oggi gran bella giornata in montagna sullo snow!
Solo non capisco il connettore a cosa e dove ti serve,se usi già l st-link per programmare l arm sto connettore jtag che c'entra? :)
Penso che nella mia scheda non ne ho bisogno,ma mi interessa ,oltre per capire, anche perché ho intenzione di abbandonarla sta sched una volta capito come funziona!
Grazie!
Scusa il ritardo nella risposta ma oggi gran bella giornata in montagna sullo snow!
Visita il mio sito : http://www.raffotech.altervista.org
0
voti
[23] Re: ARM - From PIC
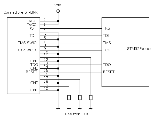
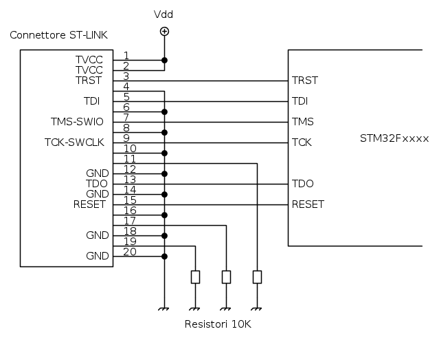
L' ST-Link esce con un connettore a 20 pin collegato ad un flat cable sempre a 20 poli e quindi nella scheda, visto che devo collegarlo in qualche modo al micro, sul prototipèo ci monto un connettore a 20 pin.
Ho provato a non collegare l' ST-Link al micro ma non riesco a programmarlo, non riesco a farci niente.
Nella tua scheda questo collegamento non lo devi fare.
O.T.: a sciare ci andrò durante la settimana ma non con la tavola, con gli snow blades da 60 cm. In pratica scendo giù sugli scarponi.
Ho provato a non collegare l' ST-Link al micro ma non riesco a programmarlo, non riesco a farci niente.
Nella tua scheda questo collegamento non lo devi fare.
O.T.: a sciare ci andrò durante la settimana ma non con la tavola, con gli snow blades da 60 cm. In pratica scendo giù sugli scarponi.
"La follia sta nel fare sempre la stessa cosa aspettandosi risultati diversi".
"Parla soltanto quando sei sicuro che quello che dirai è più bello del silenzio".
Rispondere è cortesia, ma lasciare l'ultima parola ai cretini è arte.
"Parla soltanto quando sei sicuro che quello che dirai è più bello del silenzio".
Rispondere è cortesia, ma lasciare l'ultima parola ai cretini è arte.
-

TardoFreak
73,9k 8 12 13 - -EY Legend-

- Messaggi: 15754
- Iscritto il: 16 dic 2009, 11:10
- Località: Torino - 3° pianeta del Sistema Solare
0
voti
[24] Re: ARM - From PIC
Ho installato Keil e ho guardato il file di esempio!
ma...possibile che ci sia bisogno di tutto quel codice per semplicemente accendere e spegnere dei led??
non è tanto il codice nel main ( che è lo stretto indispensabile) ma tutte quelle inizializzazioni... ono tantissime ! no ?
ma...possibile che ci sia bisogno di tutto quel codice per semplicemente accendere e spegnere dei led??
non è tanto il codice nel main ( che è lo stretto indispensabile) ma tutte quelle inizializzazioni... ono tantissime ! no ?
Visita il mio sito : http://www.raffotech.altervista.org
3
voti
[25] Re: ARM - From PIC
Eh si, caro mio. Gli ARM sono oggetti potentie "non per dummies" (l' ha detto anche
xyz
) ma non si può avere la botte piena, la moglie ubriuaca ... e pretendere pure di vendere il vino.
La MCU è ARM e poi ogni costruttore ci mette le sue periferiche. ARM vuol dire avere micro potenti a basso costo (costano meno di molti 8 bit) ma bisogna spenderci tempo ed energie.
Ne vale la pena? Beh, posso dire che si, ne vale proprio la pena. Io li ho adottati, lo ammetto, non senza sforzo ma ... col cavolo che torno indietro!
) ma non si può avere la botte piena, la moglie ubriuaca ... e pretendere pure di vendere il vino. La MCU è ARM e poi ogni costruttore ci mette le sue periferiche. ARM vuol dire avere micro potenti a basso costo (costano meno di molti 8 bit) ma bisogna spenderci tempo ed energie.
Ne vale la pena? Beh, posso dire che si, ne vale proprio la pena. Io li ho adottati, lo ammetto, non senza sforzo ma ... col cavolo che torno indietro!
"La follia sta nel fare sempre la stessa cosa aspettandosi risultati diversi".
"Parla soltanto quando sei sicuro che quello che dirai è più bello del silenzio".
Rispondere è cortesia, ma lasciare l'ultima parola ai cretini è arte.
"Parla soltanto quando sei sicuro che quello che dirai è più bello del silenzio".
Rispondere è cortesia, ma lasciare l'ultima parola ai cretini è arte.
-

TardoFreak
73,9k 8 12 13 - -EY Legend-

- Messaggi: 15754
- Iscritto il: 16 dic 2009, 11:10
- Località: Torino - 3° pianeta del Sistema Solare
0
voti
[26] Re: ARM - From PIC
va bene, tanto poi credo posso crearmi delle mie librerie personali in cui fare tutte le inizializzazioni necessarie, per rendere il codice un pochino più snello.
Devo cercare di capirle bene però ;)
Detto questo, c'è un problema!
La ST Discovery line board, non mi funziona più, non so se colpa della caduta o cosa, ma non sembra dare più segni id vita la comunicazione USB.
Ne ho ordinata un'altra.
Nel frattempo (dato che a me nn piacciono molto le schede di sviluppo) ho trovato l'st-link!
http://www.ebay.it/itm/ST-LINK-STLink-S ... 5309wt_939
con già dentro tutto quanto, anche il cavo jtag.
e questo :
http://www.flickr.com/photos/gamblekat/5836870207/
per collegare l'arm ad una breadboard.
ma il connettore jtag come lo collego all'arm ?
Devo cercare di capirle bene però ;)
Detto questo, c'è un problema!
La ST Discovery line board, non mi funziona più, non so se colpa della caduta o cosa, ma non sembra dare più segni id vita la comunicazione USB.
Ne ho ordinata un'altra.
Nel frattempo (dato che a me nn piacciono molto le schede di sviluppo) ho trovato l'st-link!
http://www.ebay.it/itm/ST-LINK-STLink-S ... 5309wt_939
con già dentro tutto quanto, anche il cavo jtag.
e questo :
http://www.flickr.com/photos/gamblekat/5836870207/
per collegare l'arm ad una breadboard.
ma il connettore jtag come lo collego all'arm ?
Visita il mio sito : http://www.raffotech.altervista.org
2
voti
[27] Re: ARM - From PIC
Trovi le indicazioni nel datasheet del ST-LINK.
Ma oggi sono buono ed il collegamento te lo do io.
E le birre sono due.
Ma oggi sono buono ed il collegamento te lo do io.
E le birre sono due.
"La follia sta nel fare sempre la stessa cosa aspettandosi risultati diversi".
"Parla soltanto quando sei sicuro che quello che dirai è più bello del silenzio".
Rispondere è cortesia, ma lasciare l'ultima parola ai cretini è arte.
"Parla soltanto quando sei sicuro che quello che dirai è più bello del silenzio".
Rispondere è cortesia, ma lasciare l'ultima parola ai cretini è arte.
-

TardoFreak
73,9k 8 12 13 - -EY Legend-

- Messaggi: 15754
- Iscritto il: 16 dic 2009, 11:10
- Località: Torino - 3° pianeta del Sistema Solare
0
voti
[28] Re: ARM - From PIC
ok grazie !
sto rileggendo il codice... ma...quelle inizializzazioni sono impossibili ! :)
Per la birra, facciamo il conto poi alla fine ;)
sto rileggendo il codice... ma...quelle inizializzazioni sono impossibili ! :)
Per la birra, facciamo il conto poi alla fine ;)
Visita il mio sito : http://www.raffotech.altervista.org
1
voti
[29] Re: ARM - From PIC
Ma non dai, te la metto io l' inizializzazione.
Questa è l' inizializzazione del sistema. Ho usato l' oscillatore interno ed il micro funziona a 24 MHz.
Dopo devi dare il clock alle GPIO. In questo esempio le accendi tutte
per inizializzare le GPIO devi dichiarare una variabile come questa
poi devi inizializzare i pin. Qui inizializzo i PA0 come uscita
Per mettere ad 1 l' uscita devi scrivere
Per mettere l' uscita a 0 scrivi
Dovrebbe essere giusto, l' ho copiato da un mio programma
E le birre sono tre.

Questa è l' inizializzazione del sistema. Ho usato l' oscillatore interno ed il micro funziona a 24 MHz.
- Codice: Seleziona tutto
// Inizializzazione dell' accesso alla FLASH interna
// Abilita il Prefetch Buffer
FLASH_PrefetchBufferCmd(FLASH_PrefetchBuffer_Enable);
// Imposta la latency per la flash a 0 wait state
// Con clock <= 24 MH latency 0
// Con clock 24 - 48 MHz latency 1
// con clock > 48MHz latency 2
FLASH_SetLatency(FLASH_Latency_0);
//-----------------------------------------------------------------------------------
// Inizializzazione del clock di sistema a 24MHz
// Predispone il PLL per utilizzare il clock interno
RCC_PLLConfig( RCC_PLLSource_HSI_Div2, RCC_PLLMul_6 );
// Abilita il PLL
RCC_PLLCmd( ENABLE );
// Aspetta che il PLL sia pronto
while(RCC_GetFlagStatus(RCC_FLAG_PLLRDY) == RESET);
// Seleziona come clock di sistema il PLL
RCC_SYSCLKConfig(RCC_SYSCLKSource_PLLCLK);
// Aspetta che il PLL sia accettato come clock di sistema
while(RCC_GetSYSCLKSource() != 0x08);
Dopo devi dare il clock alle GPIO. In questo esempio le accendi tutte
- Codice: Seleziona tutto
//---------------------------------------------------------------------------
// Accensione delle periferiche.
// L' STM32 al reset ha tutte le perifieriche spente
// e bisogna quindi fornire loro il
// clock per metterle in funzione
RCC_APB2PeriphClockCmd(RCC_APB2Periph_GPIOA, ENABLE); // Porta A
RCC_APB2PeriphClockCmd(RCC_APB2Periph_GPIOB, ENABLE); // Porta B
RCC_APB2PeriphClockCmd(RCC_APB2Periph_GPIOC, ENABLE); // Porta C
per inizializzare le GPIO devi dichiarare una variabile come questa
- Codice: Seleziona tutto
// Definizione della struttura utilizzata per l' inizializzazione delle porte di I/O
GPIO_InitTypeDef GPIO_InitStructure;
poi devi inizializzare i pin. Qui inizializzo i PA0 come uscita
- Codice: Seleziona tutto
// Uscita su PA0
GPIO_InitStructure.GPIO_Pin = GPIO_Pin_0;
GPIO_InitStructure.GPIO_Mode = GPIO_Mode_Out_PP;
GPIO_InitStructure.GPIO_Speed = GPIO_Speed_50MHz;
// Chiama la funzione per l' inizializzazione
GPIO_Init(GPIOA, &GPIO_InitStructure);
Per mettere ad 1 l' uscita devi scrivere
- Codice: Seleziona tutto
GPIOA->BSRR = 0x00000001;
Per mettere l' uscita a 0 scrivi
- Codice: Seleziona tutto
GPIOA->BRR = 0x00000001;
Dovrebbe essere giusto, l' ho copiato da un mio programma
E le birre sono tre.
"La follia sta nel fare sempre la stessa cosa aspettandosi risultati diversi".
"Parla soltanto quando sei sicuro che quello che dirai è più bello del silenzio".
Rispondere è cortesia, ma lasciare l'ultima parola ai cretini è arte.
"Parla soltanto quando sei sicuro che quello che dirai è più bello del silenzio".
Rispondere è cortesia, ma lasciare l'ultima parola ai cretini è arte.
-

TardoFreak
73,9k 8 12 13 - -EY Legend-

- Messaggi: 15754
- Iscritto il: 16 dic 2009, 11:10
- Località: Torino - 3° pianeta del Sistema Solare
0
voti
[30] Re: ARM - From PIC
Tardo non so come ringraziarti!
Ma ti posso offrire pure tutto il bar se ne avrò l'opportunità ;)
ora vado agli allenamenti, poi mi leggo il tutto, aspettando che mi arrivi la scheda da ebay!
Ma ti posso offrire pure tutto il bar se ne avrò l'opportunità ;)
ora vado agli allenamenti, poi mi leggo il tutto, aspettando che mi arrivi la scheda da ebay!
Visita il mio sito : http://www.raffotech.altervista.org
Torna a Realizzazioni, interfacciamento e nozioni generali.
Chi c’è in linea
Visitano il forum: Nessuno e 12 ospiti

Elettrotecnica e non solo (admin)
Un gatto tra gli elettroni (IsidoroKZ)
Esperienza e simulazioni (g.schgor)
Moleskine di un idraulico (RenzoDF)
Il Blog di ElectroYou (webmaster)
Idee microcontrollate (TardoFreak)
PICcoli grandi PICMicro (Paolino)
Il blog elettrico di carloc (carloc)
DirtEYblooog (dirtydeeds)
Di tutto... un po' (jordan20)
AK47 (lillo)
Esperienze elettroniche (marco438)
Telecomunicazioni musicali (clavicordo)
Automazione ed Elettronica (gustavo)
Direttive per la sicurezza (ErnestoCappelletti)
EYnfo dall'Alaska (mir)
Apriamo il quadro! (attilio)
H7-25 (asdf)
Passione Elettrica (massimob)
Elettroni a spasso (guidob)
Bloguerra (guerra)

