venexian ha scritto:BrunoValente ha scritto:... a me funziona, provai anche a realizzarlo fisicamente e funziona...
Da te non me lo sarei aspettato: la solita storia dei circuiti che se montati funzionano, allora sono 'giusti' per definizione.
Ma, guarda, da me puoi aspettarti qualsiasi cosa, sono un autodidatta con varie carenze e di cantonate ne prendo tante ma ti assicuro di non appartenere a quella categoria.
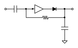
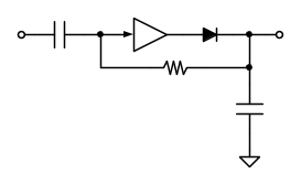
Piuttosto, senza nessuna intenzione di entrare in polemica, è da te che non mi sarei aspettato una simile cantonata perché Il circuito che stai simulando è palesemente diverso dal mio.
Ora se io volessi usare toni simili ai tuoi potrei dirti che sei il solito erudito che si è imparato i circuiti a memoria sui libri senza averne compreso il funzionamento e che quando gliene capita uno appena un po' diverso non ci capisce più niente... e invece non è quello che penso, sicuramente anche tu come me avrai delle carenze ma sono certo che l'elettronica che sai sia più che sufficiente per evitare di prendere certe cantonate.
Nel circuito che stai simulando manca il partitore formato da R1 e R2, per questo non funziona.
Se osservassi il circuito con un atteggiamento più sereno e meno ostile ti accorgeresti che la tensione continua ai capi del condensatore di uscita si ripartisce tra R1 e R2, che
su R1 cade una tensione continua pari a 
e che quindi tra gli ingressi dell'operazionale, che sono collegati ai capi di R1, c'è una componente continua della tensione pari a VR1.
Di conseguenza la tensione sull'ingresso invertente è continua e di valore pari Vout, mentre invece la tensione sull'ingresso non invertente è costituita da una componente continua pari a Vout-VR1,
quindi più bassa di quella all'ingresso invertente, alla quale è sovrapposta la tensione alternata di ingresso come mostrato nel grafico.
Quando Vout raggiunge un valore tale per cui la componente continua VR1 diventa pari al valore di picco della tensione sinusoidale di ingresso allora l'uscita dell'operazionale smette di commutare e rimane permanentemente bassa.
Di seguito quello che succede in questa situazione, cioè quando la tensione sul condensatore di uscita raggiunge il valore finale e gli impulsi di uscita diventano strettissimi e stanno per estinguersi.