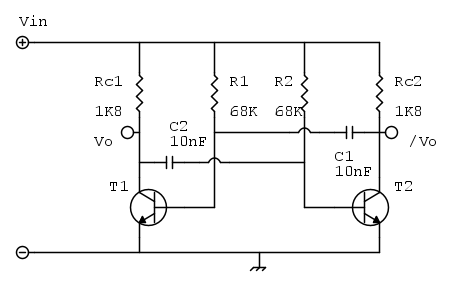
Per la generazione dell'onda quadra si potrebbe usare un classico oscillatore a 2 transistor tipo:
Ma con tensioni Con oltre i 10V faccio letteralmente brillare anche i Transistor con Vce ammessa sui 150V per il breakdown della giunzione BE causato dai condensatori che caricati a Vin quando un T va in saturazione spingono la base dell'altro a -Vin...
Di solito si mettono dei diodi in serie alle basi, ma oltre una 20ina di V non andrei comunque.
Idee?
Variando un po' le capacità o le resistenze è possibile renderlo asimmetrico e quindi avere duty cycle non al 50%.
Poiché la frequenza di oscillazione vale 1/(1.38RC) con i valori proposti oscilla intorno ad 1kHz.
Per non caricarlo si può mettere un transistor in serie all'emettitore di T2 (o T1 se simmetrico, o quello che serve se reso asimmetrico).
In effetti mi viene da pensare anche ad un semplice emitter follower sull'uscita potrebbe funzionare.
Il filtro RC per rilevare il valor medio con freq di taglio 1/10 della fosc.
Da 120Vdc a 12Vdc
Moderatore:
Paolino
45 messaggi
• Pagina 3 di 5 • 1, 2, 3, 4, 5
1
voti
GioArca67 ha scritto:...
Vorrei eliminare induttore e diodo, secondo voi è fattibile?
...
Hai disegnato la base di uno switching, se elimini l'induttanza ed il diodo, come fa a funzionare ?
"Sopravvivere" e' attualmente l'unico lusso che la maggior parte dei Cittadini italiani,
sia pure a costo di enormi sacrifici, riesce ancora a permettersi.
sia pure a costo di enormi sacrifici, riesce ancora a permettersi.
-

Etemenanki
9.527 3 6 10 - Master

- Messaggi: 5951
- Iscritto il: 2 apr 2021, 23:42
- Località: Dalle parti di un grande lago ... :)
0
voti
Ma poi, se proprio vuoi autocostruirlo invece di usare qualche modulo gia pronto, allora perche' non usi direttamente un chip LNK, che sono fatti apposta ... datasheet 
Tensione minima di ingresso 70VDC (poi interviene la protezione UVLO), quindi dovresti starci dentro
Tensione minima di ingresso 70VDC (poi interviene la protezione UVLO), quindi dovresti starci dentro
"Sopravvivere" e' attualmente l'unico lusso che la maggior parte dei Cittadini italiani,
sia pure a costo di enormi sacrifici, riesce ancora a permettersi.
sia pure a costo di enormi sacrifici, riesce ancora a permettersi.
-

Etemenanki
9.527 3 6 10 - Master

- Messaggi: 5951
- Iscritto il: 2 apr 2021, 23:42
- Località: Dalle parti di un grande lago ... :)
0
voti
drGremi ha scritto:Se elimini l'induttore sprechi tutta l'energia nel transistor, in pratica hai unito i difetti dei convertitori lineari e degli switching.
Perché?
Quando T1 è ON la situazione è (circa, ai fini del consumo nel transistor) come con l'induttore, quando è OFF non passa corrente e quindi che perdite ho?
0
voti
Etemenanki ha scritto: invece di usare qualche modulo gia pronto
Sto attendendo
comunque l'idea di mettere in testa a tutto un primo zener da un 47V non è poi così male, mediamente avrei corrente più che dimezzata... e quindi perdite più che dimezzate: i circa 20mA sono a circa 15V usando un buck da 60V a 15V a monte assorbo mediamente 1/4 più le perdite nel buck (30%?) Quindi un 7mA e nello zener dissipo 350mW
1
voti
GioArca67 ha scritto:Quando T1 è ON la situazione è (circa, ai fini del consumo nel transistor) come con l'induttore, quando è OFF non passa corrente e quindi che perdite ho?
Magari! Sai quanti buck avremo senza induttore visto che sono il componente più costoso?
Il problema è che non tieni conto degli impulsi di corrente richiesti per caricare il capacitore. Il transistor (BJT o MOSFET che sia) ha una resistenza finita non nulla. Quando il transistor si accende si dissipa tutta l'energia pari all'integrale della corrente nel tempo per la caduta di tensione voluta. In pratica potevi usare un resistore. L'unica cosa "buona" è che la resistenza si aggiusta con il carico. Ma dissipi tutto
P.S. ti sto rispo da smartphone, spero si capisca.
0
voti
Si capisce grazie!
Io in effetti pensavo più al fatto che la potenza erogata, nella Ro la dissipo e nell'induttore la accumulo, quindi c'è un bel vantaggio ad usarlo, ma non ho particolari esigenze di efficienza... basta che quella Ro non mi diventa una lampadina
Io in effetti pensavo più al fatto che la potenza erogata, nella Ro la dissipo e nell'induttore la accumulo, quindi c'è un bel vantaggio ad usarlo, ma non ho particolari esigenze di efficienza... basta che quella Ro non mi diventa una lampadina
0
voti
GioArca67 ha scritto:... basta che quella Ro non mi diventa una lampadina
Naah ... al massimo ci friggi sopra l'ovetto
"Sopravvivere" e' attualmente l'unico lusso che la maggior parte dei Cittadini italiani,
sia pure a costo di enormi sacrifici, riesce ancora a permettersi.
sia pure a costo di enormi sacrifici, riesce ancora a permettersi.
-

Etemenanki
9.527 3 6 10 - Master

- Messaggi: 5951
- Iscritto il: 2 apr 2021, 23:42
- Località: Dalle parti di un grande lago ... :)
2
voti
45 messaggi
• Pagina 3 di 5 • 1, 2, 3, 4, 5
Torna a Realizzazioni, interfacciamento e nozioni generali.
Chi c’è in linea
Visitano il forum: Nessuno e 13 ospiti

Elettrotecnica e non solo (admin)
Un gatto tra gli elettroni (IsidoroKZ)
Esperienza e simulazioni (g.schgor)
Moleskine di un idraulico (RenzoDF)
Il Blog di ElectroYou (webmaster)
Idee microcontrollate (TardoFreak)
PICcoli grandi PICMicro (Paolino)
Il blog elettrico di carloc (carloc)
DirtEYblooog (dirtydeeds)
Di tutto... un po' (jordan20)
AK47 (lillo)
Esperienze elettroniche (marco438)
Telecomunicazioni musicali (clavicordo)
Automazione ed Elettronica (gustavo)
Direttive per la sicurezza (ErnestoCappelletti)
EYnfo dall'Alaska (mir)
Apriamo il quadro! (attilio)
H7-25 (asdf)
Passione Elettrica (massimob)
Elettroni a spasso (guidob)
Bloguerra (guerra)




