E questa è la comparazione con tre valori di capacità di uscita.
Se poi vuoi ancora negare l'evidenza, fai pure: fino a quando si resta nei limiti del lecito, si può discutere.
Interfacciare ACS712 controllo e misura corrente AC
Moderatore:
Paolino
1
voti
venexian ha scritto:Da te non me lo sarei aspettato: la solita storia dei circuiti che se montati funzionano, allora sono 'giusti' per definizione
Da te non me lo sarei aspettato: la solita storia dei circuiti che se montati non funzionano, allora sono 'sbagliati' per definizione
Se stai simulando con quei valori evidentemente non hai letto il mio messaggio [22] dove ti ho spiegato perché con quei valori non funziona e come fare per rimediare.
venexian ha scritto:Nel tuo caso, non è neppure apparentemente corretto perché la formula non ha NULLA a che vedere con quel circuito.
Strano detto da te: invece di dedurlo da una simulazione che non funziona dovresti provare ad analizzare meglio il circuito
-

BrunoValente
39,6k 7 11 13 - G.Master EY

- Messaggi: 7796
- Iscritto il: 8 mag 2007, 14:48
1
voti
BrunoValente ha scritto:Se stai simulando con quei valori evidentemente non hai letto il mio messaggio [22] dove ti ho spiegato perché con quei valori non funziona e come fare per rimediare.
Allora prendiamo in esame quanto al [22]
BrunoValente ha scritto:No, teoricamente funziona, in pratica invece, quando i valori delle resistenze sono dimensionati per un grosso guadagno, sono i limiti dell'operazionale che lo mettono in difficoltà, prova a scalare i valori delle resistenze, metti R1=100k e R2=4.7M (stesso guadagno di 48) e verifica di nuovo, vedrai che approssimerà molto meglio i valori calcolati con quella formula.
Ma neppure per sogno. Ciò che avviene alzando quei valori è proprio spostare il punto di equilibrio tra la carica che arriva dall'operazionale e quella drenata dalla serie delle due resistenze. I limiti dell'operazionale non hanno nulla a che vedere con quei valori. Anzi, è proprio mettendo resistenze da 5 Megaohm che ci si avvicina alle non idealità dell'operazionale.
Ad ogni modo, simuliamo pure con i nuovi valori...
Adesso l'amplificazione ha superato quella della formula. Come mai? Abbiamo forse superato l'idealità dell'operazionale? Abbiamo raggiunto la 'superidealità'? Io credo di no. Credo che sia invece, come ho scritto dall'inizio, che l'amplificazione dipende dalla costante di tempo del circuito, come questa simulazione conferma ulteriormente.
Cosa succede ora se abbassiamo la capacità in uscita? Certo l'operazionale non sarà più stressato da tale diminuzione di carico, ma... l'amplificazione cala vistosamente.
Chissà perché... Uno che non capisce nulla di elettronica come me potrebbe azzardarsi a ipotizzare che l'amplificazione dipende dalla costante di tempo, ma no, no... non può essere che sia come detto fin dall'inizio.
Sentiamo chi invece le cose le sa: perché si comporta in questo modo così... birichino?
1
voti
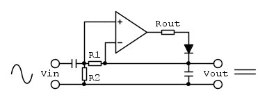
L'ipotesi che l'operazionale potesse 'non farcela' con i valori originali è troppo assurda per non meritare un'analisi più approfondita. Lo schema è stato modificato come si vede qui
aggiungendo una resistenza di uscita e sono state fatte tre simulazioni, tutte con lo stsso ingresso di 200 mV (pk) e con resistenze di uscita di 0 ohm, 100 ohm e 1 kohm.
Come era più che ovvio aspettarsi, non c'è alcuna differenza nei tre casi, come i grafici che seguono evidenziano in modo chiaro.
Puoi chiarire quale sarebbe la non idealità dell'operazionale messa in crisi dalle resistenze R1 e R2, da 10 kohm e da 470 kohm?
aggiungendo una resistenza di uscita e sono state fatte tre simulazioni, tutte con lo stsso ingresso di 200 mV (pk) e con resistenze di uscita di 0 ohm, 100 ohm e 1 kohm.
Come era più che ovvio aspettarsi, non c'è alcuna differenza nei tre casi, come i grafici che seguono evidenziano in modo chiaro.
Puoi chiarire quale sarebbe la non idealità dell'operazionale messa in crisi dalle resistenze R1 e R2, da 10 kohm e da 470 kohm?
6
voti
Caspita! Mi hai costretto a mettere mano al simulatore, cosa che faccio sempre malvolentieri perché mi è antipatico e ci capisco poco.
Dunque: la non idealità dell'operazionale gioca un suo ruolo, a volte importante, ma effettivamente sono stato avventato ad attribuire solo a questo motivo il cattivo funzionamento del circuito con i valori originali.
I motivi per cui con quei valori funziona male sono prevalentemente 2:
1) il valore del condensatore di ingresso è eccessivamente basso: 100nF a 50Hz è una reattanza di oltre 30k e fa abbassare notevolmente l'ampiezza del segnale.
Aumentando il valore delle resistenze a 100k e 4.7M come ti ho suggerito, da una parte pone rimedio a questo, dall'altra però fa spostare significativamente la polarizzazione degli ingressi a causa della corrente di bias e questo fa aumentare la tensione di uscita.
2) Il ripple sul condensatore di uscita, quando il guadagno è alto, gioca un ruolo determinante e deve essere bassissimo.
La presenza di ripple sul condensatore di uscita non permette il raggiungimento della tensione finale che, quando il guadagno è alto, si attesta a valori sensibilmente più bassi.
Nella tua simulazione fatta con resistenze di 100k e 4.7M hai contemporaneamente due effetti indesiderati contrastanti: l'aumento della tensione di uscita dovuto allo spostamento delle tensioni di polarizzazione per causa dei valori eccessivi delle resistenze e l'abbassamento della tensione di uscita dovuto alla presenza di ripple sul condensatore di uscita.
Nella tua simulazione fatta con 3.3uF il ripple è basso e la tensione di uscita è eccessiva a causa delle resistenze di valore troppo alto il cui effetto indesiderato prevale, mentre in quella fatta con 0.33uF la tensione di uscita è insufficiente a causa dell'eccessivo ripple il cui effetto indesiderato prevale sull'altro.
A dimostrazione di quanto detto e dell'esattezza della tanto disprezzata formula, di seguito faccio vedere i risultati di varie simulazioni che non dovrebbero lasciare dubbi.
Nella prima simulazione, dove i valori delle resistenze sono quelli originali di 10k e 470k, ho portato il valore del condensatore di ingresso a 2uF e quello del condensatore di uscita a 100uF, nelle successive, dove il guadagno è più basso per cui il ripple fa meno danno e l'impedenza di ingresso è più alta, ho portato il valore del condensatore di ingresso a 200nF e quello del condensatore di uscita l'ho lasciato a 3.3uF.
La prima simulazione è fatta quindi con i valori originali delle resistenze di 10k e 470k con i quali secondo la famigerata formula si dovrebbe avere un guadagno pari a 48.
Con un segnale di ingresso di 100mV di picco la tensione sul condensatore di uscita si attesta a 4.88V contro i 4.8V teorici.
La seconda simulazione è fatta con i valori delle resistenze di 100k e 100k con i quali secondo la formula si dovrebbe avere un guadagno pari a 2 e con 1V di picco in ingresso si ottengono in uscita 1.94V contri 2V teorici.
La terza simulazione è fatta con i valori delle resistenze di 100k e 200k con i quali secondo la formula si dovrebbe avere un guadagno pari a 3 e con 1V di picco in ingresso si ottengono in uscita 2.89V contri 3V teorici.
La quarta simulazione è fatta con i valori delle resistenze di 100k e 300k con i quali secondo la formula si dovrebbe avere un guadagno pari a 4 e con 1V di picco in ingresso si ottengono in uscita 4.07V contri 4V teorici.
Nell'oscillogramma in alto si vede la tensione sul condensatore di uscita, indicata anche dal voltmetro sul condensatore.
Nell'oscillogramma in basso si vede l'andamento della tensione su R1 che è proprio come previsto.
Lo zero di entrambi i canali è al centrato nello schermo.
Dunque: la non idealità dell'operazionale gioca un suo ruolo, a volte importante, ma effettivamente sono stato avventato ad attribuire solo a questo motivo il cattivo funzionamento del circuito con i valori originali.
I motivi per cui con quei valori funziona male sono prevalentemente 2:
1) il valore del condensatore di ingresso è eccessivamente basso: 100nF a 50Hz è una reattanza di oltre 30k e fa abbassare notevolmente l'ampiezza del segnale.
Aumentando il valore delle resistenze a 100k e 4.7M come ti ho suggerito, da una parte pone rimedio a questo, dall'altra però fa spostare significativamente la polarizzazione degli ingressi a causa della corrente di bias e questo fa aumentare la tensione di uscita.
2) Il ripple sul condensatore di uscita, quando il guadagno è alto, gioca un ruolo determinante e deve essere bassissimo.
La presenza di ripple sul condensatore di uscita non permette il raggiungimento della tensione finale che, quando il guadagno è alto, si attesta a valori sensibilmente più bassi.
Nella tua simulazione fatta con resistenze di 100k e 4.7M hai contemporaneamente due effetti indesiderati contrastanti: l'aumento della tensione di uscita dovuto allo spostamento delle tensioni di polarizzazione per causa dei valori eccessivi delle resistenze e l'abbassamento della tensione di uscita dovuto alla presenza di ripple sul condensatore di uscita.
Nella tua simulazione fatta con 3.3uF il ripple è basso e la tensione di uscita è eccessiva a causa delle resistenze di valore troppo alto il cui effetto indesiderato prevale, mentre in quella fatta con 0.33uF la tensione di uscita è insufficiente a causa dell'eccessivo ripple il cui effetto indesiderato prevale sull'altro.
A dimostrazione di quanto detto e dell'esattezza della tanto disprezzata formula, di seguito faccio vedere i risultati di varie simulazioni che non dovrebbero lasciare dubbi.
Nella prima simulazione, dove i valori delle resistenze sono quelli originali di 10k e 470k, ho portato il valore del condensatore di ingresso a 2uF e quello del condensatore di uscita a 100uF, nelle successive, dove il guadagno è più basso per cui il ripple fa meno danno e l'impedenza di ingresso è più alta, ho portato il valore del condensatore di ingresso a 200nF e quello del condensatore di uscita l'ho lasciato a 3.3uF.
La prima simulazione è fatta quindi con i valori originali delle resistenze di 10k e 470k con i quali secondo la famigerata formula si dovrebbe avere un guadagno pari a 48.
Con un segnale di ingresso di 100mV di picco la tensione sul condensatore di uscita si attesta a 4.88V contro i 4.8V teorici.
La seconda simulazione è fatta con i valori delle resistenze di 100k e 100k con i quali secondo la formula si dovrebbe avere un guadagno pari a 2 e con 1V di picco in ingresso si ottengono in uscita 1.94V contri 2V teorici.
La terza simulazione è fatta con i valori delle resistenze di 100k e 200k con i quali secondo la formula si dovrebbe avere un guadagno pari a 3 e con 1V di picco in ingresso si ottengono in uscita 2.89V contri 3V teorici.
La quarta simulazione è fatta con i valori delle resistenze di 100k e 300k con i quali secondo la formula si dovrebbe avere un guadagno pari a 4 e con 1V di picco in ingresso si ottengono in uscita 4.07V contri 4V teorici.
Nell'oscillogramma in alto si vede la tensione sul condensatore di uscita, indicata anche dal voltmetro sul condensatore.
Nell'oscillogramma in basso si vede l'andamento della tensione su R1 che è proprio come previsto.
Lo zero di entrambi i canali è al centrato nello schermo.
-

BrunoValente
39,6k 7 11 13 - G.Master EY

- Messaggi: 7796
- Iscritto il: 8 mag 2007, 14:48
1
voti
BrunoValente ha scritto:Caspita! Mi hai costretto a mettere mano al simulatore, cosa che faccio sempre malvolentieri perché mi è antipatico e ci capisco poco.
Si vede che con il simulatore ci capisci poco, infatti lo hai usato proprio come non si deve fare. Il simulatore serve per verificare qualcosa che già sai, non per adattare i componenti fino a ottenere ciò che vuoi che venga fuori! Andiamo comunque per passi.
BrunoValente ha scritto:la non idealità dell'operazionale gioca un suo ruolo, a volte importante, ma effettivamente sono stato avventato ad attribuire solo a questo motivo il cattivo funzionamento del circuito con i valori originali.
E con questo abbiamo messo fine a una delle sciocchezzuole dei post precedenti.
BrunoValente ha scritto:I motivi per cui con quei valori funziona male sono prevalentemente 2:
1) il valore del condensatore di ingresso è eccessivamente basso: 100nF a 50Hz è una reattanza di oltre 30k e fa abbassare notevolmente l'ampiezza del segnale.
Eh sì! Quel condensatore gioca un ruolo fondamentale, ma questo lo vediamo più avanti...
BrunoValente ha scritto:Aumentando il valore delle resistenze a 100k e 4.7M come ti ho suggerito, da una parte pone rimedio a questo, dall'altra però fa spostare significativamente la polarizzazione degli ingressi a causa della corrente di bias e questo fa aumentare la tensione di uscita.
Eh??? No, no, la corrente di bias non c'entra proprio nulla, ma nulla di nulla.
BrunoValente ha scritto:2) Il ripple sul condensatore di uscita, quando il guadagno è alto, gioca un ruolo determinante e deve essere bassissimo.
La presenza di ripple sul condensatore di uscita non permette il raggiungimento della tensione finale che, quando il guadagno è alto, si attesta a valori sensibilmente più bassi.
Qui sarebbe proprio il caso di tirare in ballo Tognazzi. Perché il ripple dovrebbe limitare l'amplificazione? Forse perché in corrispondenza delle semionde negative il condensatore si scarica? Come dire che l'amplificazione dipende dalla costante di tempo di quel circuito? Oh Jesus... ma mi pare ci fosse stato qualcuno che lo avesse detto qualche post fa? Sei stato tu?
Tutte le altre illazioni su correnti di bias inesistenti e altre cose le lasciamo stare e passiamo a guardare un po' di numeri che non mentono mai.
Prima simulazione: un circuito in cui c'è un condensatore da 100 uF schiaffato in uscita a un operazionale non lo prendo neppure in considerazione. Qualsiasi risultato si ottenga da una simulazione di questo genere è privo di significato, visto che l'operazionale si trova a lavorare talmente al di fuori di quelle che sono le caratteristiche per le quali è stato sviluppato il modello, che tanto vale chiedere i numeri a quelli che li vendono per giocare al Lotto.
Altre simulazioni: ottengo anch'io gli stessi risultati. Perfetto! Allora il circuito adesso va bene!
Ehmmm... no, proprio no... è qui che possiamo riprendere la discussione sul simulatore e su come si usa. Come dicevo prima, adattare i valori dei componenti per raggiungere un risultato voluto è ciò che non bisogna fare ed è invece ciò che è stato fatto. In particolare, è stato adattato il valore del condensatore di ingresso a quello delle resistenze di retroazione per ottenere il guadagno voluto che a questo punto si muove proporzionalmente a quanto previsto. Ma cosa succede se per esempio cambiamo il valore delle resistenze di retroazione mantenendo invariato il loro rapporto? Purtroppo casca il palco e l'amplificazione non è più quella prevista. Eh già...
Prendiamo ad esempio l'ultima simulazione
R1 = 100 kohm
R2 = 300 kohm
Cout = 3,3 uF
Cin = 200 nF
L'amplificazione prevista è 4 V/V non dovrebbe cambiare se le resistenze dovessero avere i loro valori raddoppiati o dimezzati. Sarà così? Simuliamo...
Toh, guarda... solo con i valori 100 kohm e 300 kohm l'amplificazione si avvicina a quella prevista, ma variando la somma delle resistenze, l'amplificazione cambia.
Questo dipende dal partitore formato con il condensatore di ingresso che non è più un semplice condensatore di disaccoppiamento (*), ma risulta un componente il cui valore influenza direttamente l'amplificazione, come la influenza la somma delle resistenze e il valore del condensatore di uscita.
Ciò che è stato fatto è scegliere un gruppo di valori che rendono vera quell'equazione in un unico punto, non nell'insieme della validità dei valori possibili. Come dicevo, il modo errato di usare un simulatore.
Quel circuito rettifica e amplifica il segnale sulla base di un equilibrio difficilmente prevedibile tra costanti di tempo di scarica del condensatore di uscita e attenuazione del partitore di ingresso formato dal condensatore di disccoppiamento e resistenze di reazione.
La formula indicata, come già detto non rappresenta la funzione di trasferimento del circuito.
(*) Se fosse tale non avrebbe gioco nell'amplificazione. Se fosse tale e avesse un valore al limite, influenzerebbe solo l'aumento o la diminuzione di un altro valore del circuito (i.e. la somma delle resistenze), non entrambi.
7
voti
Ti ho dimostrato ampiamente che funziona anche se tu non vuoi/sai vederlo, il condensatore di uscita di alto valore ci può stare anche se ti scandalizzi tanto, vorrà dire che durante la carica andrà in funzione la limitazione della corrente di uscita di cui l'operazionale dispone, e comunque a carica terminata la corrente di uscita scende a valori normali ed è quello che conta.
Il ripple sul condensatore di uscita gioca un ruolo determinante, evidentemente non riesci a vederlo perché non hai capito come funziona il circuito, ora non ho voglia, forse domani provo a spiegartelo anche se ormai so come andrà a finire... lascia stare Tognazzi che è meglio.
Quella del condensatore di ingresso scelto ad arte te la potevi anche risparmiare, ma con chi credi di avere a che fare? Se provi ad aumentarne il valore i risultati non cambiano, deve solo avere un valore sufficiente per fare in modo che l'ampiezza del del segnale su R2 sia poco attenuata rispetto a quello di ingresso per ovvi motivi.
Dei tre grafici che hai mostrato quello con 200k e 600k non corrisponde alla mia simulazione: a me dà sempre 4V in uscita e ovviamente continua a dare 4V anche se aumenti il valore del condensatore di ingresso.
Invece quello con 50k e 150k ha due problemi e il secondo capisco che non ci arrivi ma almeno il primo avresti dovuto vederlo: la reattanza del condensatore di ingresso è piccola, se aumenti il valore di quel condensatore e lo metti grande quanto vuoi, la tensione di uscita si avvicina a 4V... o forse hai fatto finta di non vederlo?
Il secondo problema, quello che non sai vedere, è il ripple eccessivo, se aumenti la capacità di uscita il ripple si riduce e il valore della tensione di uscita si approssima ancora meglio a 4V, a riprova che il ripple influenza il guadagno.
So bene come andrebbe utilizzato il simulatore, in questo caso però simulando quel circuito che non ho dimensionato io, mi è balzato all'occhio che con i valori originali c'era un'attenuazione del segnale, cosa che tu invece mi pare non abbia notato neanche simulando...ma certo, non avendo capito come funziona...
Se ancora non ti è chiaro il condensatore di ingresso non c'entra un tubo con il funzionamento, deve essere solo scelto di valore sufficientemente grande per non attenuare significativamente il segnale di ingresso, se continui a tirarlo in ballo vuol dire che non hai capito e stai annaspando.
Il ripple sul condensatore di uscita gioca un ruolo determinante, evidentemente non riesci a vederlo perché non hai capito come funziona il circuito, ora non ho voglia, forse domani provo a spiegartelo anche se ormai so come andrà a finire... lascia stare Tognazzi che è meglio.
Quella del condensatore di ingresso scelto ad arte te la potevi anche risparmiare, ma con chi credi di avere a che fare? Se provi ad aumentarne il valore i risultati non cambiano, deve solo avere un valore sufficiente per fare in modo che l'ampiezza del del segnale su R2 sia poco attenuata rispetto a quello di ingresso per ovvi motivi.
Dei tre grafici che hai mostrato quello con 200k e 600k non corrisponde alla mia simulazione: a me dà sempre 4V in uscita e ovviamente continua a dare 4V anche se aumenti il valore del condensatore di ingresso.
Invece quello con 50k e 150k ha due problemi e il secondo capisco che non ci arrivi ma almeno il primo avresti dovuto vederlo: la reattanza del condensatore di ingresso è piccola, se aumenti il valore di quel condensatore e lo metti grande quanto vuoi, la tensione di uscita si avvicina a 4V... o forse hai fatto finta di non vederlo?
Il secondo problema, quello che non sai vedere, è il ripple eccessivo, se aumenti la capacità di uscita il ripple si riduce e il valore della tensione di uscita si approssima ancora meglio a 4V, a riprova che il ripple influenza il guadagno.
So bene come andrebbe utilizzato il simulatore, in questo caso però simulando quel circuito che non ho dimensionato io, mi è balzato all'occhio che con i valori originali c'era un'attenuazione del segnale, cosa che tu invece mi pare non abbia notato neanche simulando...ma certo, non avendo capito come funziona...
Se ancora non ti è chiaro il condensatore di ingresso non c'entra un tubo con il funzionamento, deve essere solo scelto di valore sufficientemente grande per non attenuare significativamente il segnale di ingresso, se continui a tirarlo in ballo vuol dire che non hai capito e stai annaspando.
-

BrunoValente
39,6k 7 11 13 - G.Master EY

- Messaggi: 7796
- Iscritto il: 8 mag 2007, 14:48
1
voti
Hai poco da ripetere che non ho capito il circuito, e negare i risultati delle simulazioni.
I numeri sono lì, e sono quelli nel grafico in [36].
Se poi a te da sempre amplificazione 4 V/V, vuol dire che la magia esiste, almeno a casa di qualcuno...
I numeri sono lì, e sono quelli nel grafico in [36].
Se poi a te da sempre amplificazione 4 V/V, vuol dire che la magia esiste, almeno a casa di qualcuno...
1
voti
Anche se ti potrà sembrare strano che un c@zzaro come me possa capire qualcosa del circuito che hai progettato e che vai lodando contro ogni evidenza, incidentalmente l’intento mi è chiaro. E mi è chiaro anche perché non funzioni come dovrebbe.
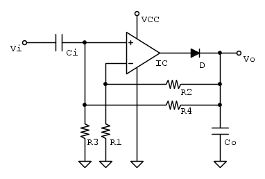
Giusto per correttezza nei confronti degli altri che leggono, vediamo di fare un circuito come si deve, che persegua lo stesso risultato, ma che non sia affetto dai problemi di quello finora trattato. Un esempio è questo.
E' un rettificatore di precisione con la sua amplificazione data dal partitore composto da R1 e R2. Se non ci fosse l'altra parte del circuito, il problema sarebbe quello del segnale di ingresso che scende sotto il riferimento. Possiamo ovviare, portando un bias all'ingresso, prelevato dalla tensione di uscita. Bisogna prendere quel segnale dall'uscita, non da altre parti del circuito come fatto nel circuito originario.
Come stabiliamo i valori? Noi vogliamo avere un modo chiaro per determinare l'amplificazione e che questa non dipenda da altri fattori che non siano i rapporti di resistori, come deve essere in ogni circuito a operazionali ben progettato.
Sappiamo che che

con

Vogliamo però anche che la tensione media all'ingresso non invertente sia pari a
, così il picco negativo non scenderà sotto il riferimento. Al picco superiore, la tensione all'ingresso non invertente sarà allora

da cui

Possiamo allora definire l'amplificazione come

Restano da definire gli altri 2 resistori. Noi vogliamo che la frazione riportata all'ingresso sia esattamente la metà della tensione al picco superiore e dovendola prelevare all'uscita, ciò che vogliamo è che

Soddisfatta questa condizione il circuito funziona come progettato. La capacità di ingresso definisce uno zero che deve essere posizionato opportunamente, ma dipende solo da R3 e R4 e non influenza altre parti del circuito. Il valore della capacità di uscita determina il ripple e non modifica in alcun modo l'amplificazione e può essere determinata insieme alle resistenze R1 e R2 senza influenzare altre parti del circuito.
Simulando un circuito con questi valori
R1 = 200 kohm
R2 = 600 kohm
R3 = 100 kohm
R4 = 700 kohm
Ci = 470 nF
Co = 10 uF
si ha amplificazione 8 V/V e nessuna dipendenza dal valore assoluto dei due partitori, ma solo dal rapporto tra le resistenze, come si può vedere dal grafico allegato.
Poi, si sa... questo circuito utilizza ben due resistenze in più... ma ha anche il piccolissimo pregio di funzionare correttamente.
Giusto per correttezza nei confronti degli altri che leggono, vediamo di fare un circuito come si deve, che persegua lo stesso risultato, ma che non sia affetto dai problemi di quello finora trattato. Un esempio è questo.
E' un rettificatore di precisione con la sua amplificazione data dal partitore composto da R1 e R2. Se non ci fosse l'altra parte del circuito, il problema sarebbe quello del segnale di ingresso che scende sotto il riferimento. Possiamo ovviare, portando un bias all'ingresso, prelevato dalla tensione di uscita. Bisogna prendere quel segnale dall'uscita, non da altre parti del circuito come fatto nel circuito originario.
Come stabiliamo i valori? Noi vogliamo avere un modo chiaro per determinare l'amplificazione e che questa non dipenda da altri fattori che non siano i rapporti di resistori, come deve essere in ogni circuito a operazionali ben progettato.
Sappiamo che che

con

Vogliamo però anche che la tensione media all'ingresso non invertente sia pari a
, così il picco negativo non scenderà sotto il riferimento. Al picco superiore, la tensione all'ingresso non invertente sarà allora
da cui

Possiamo allora definire l'amplificazione come

Restano da definire gli altri 2 resistori. Noi vogliamo che la frazione riportata all'ingresso sia esattamente la metà della tensione al picco superiore e dovendola prelevare all'uscita, ciò che vogliamo è che

Soddisfatta questa condizione il circuito funziona come progettato. La capacità di ingresso definisce uno zero che deve essere posizionato opportunamente, ma dipende solo da R3 e R4 e non influenza altre parti del circuito. Il valore della capacità di uscita determina il ripple e non modifica in alcun modo l'amplificazione e può essere determinata insieme alle resistenze R1 e R2 senza influenzare altre parti del circuito.
Simulando un circuito con questi valori
R1 = 200 kohm
R2 = 600 kohm
R3 = 100 kohm
R4 = 700 kohm
Ci = 470 nF
Co = 10 uF
si ha amplificazione 8 V/V e nessuna dipendenza dal valore assoluto dei due partitori, ma solo dal rapporto tra le resistenze, come si può vedere dal grafico allegato.
Poi, si sa... questo circuito utilizza ben due resistenze in più... ma ha anche il piccolissimo pregio di funzionare correttamente.
9
voti
Bel circuito, dico davvero
Non condivido il voto negativo... ma immagino non sia riferito al circuito.
Hai provato a vedere cosa capita con alti guadagni?
Io ho provato con un guadagno di 48 (R1=10k, R2=230k, R3=10k, R4=470k) e non funziona: con 100mV di picco in ingresso dà 4V in uscita invece di 4.8V.
Ora potrei continuare in due modi: potrei aggredirti alla venexian dicendo che non funziona affatto e che quelle formule sono sbagliate, oppure consigliarti di aumentare il valore della capacità di ingresso fino ad almeno 3-4uF, quale preferisci?
Non condivido il voto negativo... ma immagino non sia riferito al circuito.
Hai provato a vedere cosa capita con alti guadagni?
Io ho provato con un guadagno di 48 (R1=10k, R2=230k, R3=10k, R4=470k) e non funziona: con 100mV di picco in ingresso dà 4V in uscita invece di 4.8V.
Ora potrei continuare in due modi: potrei aggredirti alla venexian dicendo che non funziona affatto e che quelle formule sono sbagliate, oppure consigliarti di aumentare il valore della capacità di ingresso fino ad almeno 3-4uF, quale preferisci?
-

BrunoValente
39,6k 7 11 13 - G.Master EY

- Messaggi: 7796
- Iscritto il: 8 mag 2007, 14:48
Torna a Realizzazioni, interfacciamento e nozioni generali.
Chi c’è in linea
Visitano il forum: Nessuno e 28 ospiti

Elettrotecnica e non solo (admin)
Un gatto tra gli elettroni (IsidoroKZ)
Esperienza e simulazioni (g.schgor)
Moleskine di un idraulico (RenzoDF)
Il Blog di ElectroYou (webmaster)
Idee microcontrollate (TardoFreak)
PICcoli grandi PICMicro (Paolino)
Il blog elettrico di carloc (carloc)
DirtEYblooog (dirtydeeds)
Di tutto... un po' (jordan20)
AK47 (lillo)
Esperienze elettroniche (marco438)
Telecomunicazioni musicali (clavicordo)
Automazione ed Elettronica (gustavo)
Direttive per la sicurezza (ErnestoCappelletti)
EYnfo dall'Alaska (mir)
Apriamo il quadro! (attilio)
H7-25 (asdf)
Passione Elettrica (massimob)
Elettroni a spasso (guidob)
Bloguerra (guerra)


