Alimentare motore 5 v
Moderatore:
Paolino
32 messaggi
• Pagina 4 di 4 • 1, 2, 3, 4
0
voti
Ciao
Elidur ti ringrazio ,almeno mi metto il cuore in pace con il trasformatore , in effetti ho diversi alimentatori per PC, cell ,ecc , provo a vedere che tensioni erogano, scusate per l'ignoranza avevo pensato di saldare quel trasformatore su una basetta mille fori ed assemblare i vari componenti , ma se diventa poi pericola che si surriscalda lascio perdere per sicurezza, al giorno d'oggi si cerca di recuperare e risparmiare sempre qualcosina , ma la sicurezza viene prima di tutto , adesso guardo un poco che tipo di alimentatori mi ritrovo in giro
-

Roberto377
10 5 - New entry

- Messaggi: 99
- Iscritto il: 10 ott 2022, 13:33
1
voti
Ciao
Roberto377.
Purtroppo 5VA non sono sufficienti per quello che volevi fare. Solo per ridurre la tensione da 12 a 5V avresti portato al limite il trasformatore e per il mini drill non ci sarebbe stata energia a sufficienza, surriscaldando inutilmente il trasformatore.
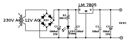
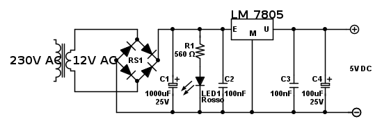
Se trovi un trasformatore un po' più potente puoi realizzare, in alternativa a quello di
gianniniivo, un altro tipo di circuito utilizzando un integrato stabilizzatore ma se hai degli alimentatori già pronti da provare ti conviene utilizzarli, a meno che intendi costruire per divertirti e allora è una scelta personale.
Purtroppo 5VA non sono sufficienti per quello che volevi fare. Solo per ridurre la tensione da 12 a 5V avresti portato al limite il trasformatore e per il mini drill non ci sarebbe stata energia a sufficienza, surriscaldando inutilmente il trasformatore.
Se trovi un trasformatore un po' più potente puoi realizzare, in alternativa a quello di
32 messaggi
• Pagina 4 di 4 • 1, 2, 3, 4
Torna a Realizzazioni, interfacciamento e nozioni generali.
Chi c’è in linea
Visitano il forum: Nessuno e 7 ospiti

Elettrotecnica e non solo (admin)
Un gatto tra gli elettroni (IsidoroKZ)
Esperienza e simulazioni (g.schgor)
Moleskine di un idraulico (RenzoDF)
Il Blog di ElectroYou (webmaster)
Idee microcontrollate (TardoFreak)
PICcoli grandi PICMicro (Paolino)
Il blog elettrico di carloc (carloc)
DirtEYblooog (dirtydeeds)
Di tutto... un po' (jordan20)
AK47 (lillo)
Esperienze elettroniche (marco438)
Telecomunicazioni musicali (clavicordo)
Automazione ed Elettronica (gustavo)
Direttive per la sicurezza (ErnestoCappelletti)
EYnfo dall'Alaska (mir)
Apriamo il quadro! (attilio)
H7-25 (asdf)
Passione Elettrica (massimob)
Elettroni a spasso (guidob)
Bloguerra (guerra)

