Fa un po' quello che vuoi.
Se serve per nascondere l'evidenza che (per chi vuole vederla) trasborda dai post precedenti, fai pure, a me non tange.
A me interessa solo, esclusivamente, e sempre, la parte tecnica. Tutto il resto è rumore.
Interfacciare ACS712 controllo e misura corrente AC
Moderatore:
Paolino
4
voti
venexian ha scritto:A me interessa solo, esclusivamente, e sempre, la parte tecnica. Tutto il resto è rumore.
Sono d'accordo.
Caspita, è da ieri che guardo e riguardo il tuo circuito, ma sai che è davvero bello e anche originale?
C'è solo una cosa che proverei a migliorare: le condizioni che hai scelto per definire i rapporti tra i resistori ti consentono di non far sconfinare il segnale sull'ingresso non invertente verso valori negativi, però questo è vero solo teoricamente perché ti sei messo proprio sul confine senza tener conto delle tolleranze dei componenti che nella pratica potrebbero giocare a sfavore.
Proporrei quindi, se non vedi controindicazioni, di rivedere quei rapporti in modo da alzare ulteriormente il valore medio della tensione sull'ingresso non invertente per metterci al sicuro.
Avrei fatto anche due conti per vedere anzitutto quanto vale il guadagno in generale, cioè facendo assumere valori qualsiasi alle resistenze, e poi per vedere quali restrizioni imporre per evitare lo sconfinamento di cui sopra.
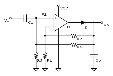
Per comodità riporto il tuo schema
In generale la tensione di uscita possiamo considerarla come somma di due contributi: quello dato dal segnale alternato proveniente dall'ingresso e quello dato dalla componente continua V1 presente sull'ingresso non invertente.
La tensione di uscita quindi vale
1)

dove con Vpk indichiamo il valore di picco della tensione alternata sinusoidale di ingresso ed essendo V1 derivato dalla tensione di uscita tramite il partitore R4-R3, possiamo scrivere
2)

e a conti fatti
3)

Questa è l'espressione generale del guadagno del tuo circuito in funzione dei valori delle quattro resistenze dove si vede facilmente che dobbiamo fare attenzione e porre subito una restrizione al rapporto R4/R3 il cui valore non deve superare quello del rapporto R2/R1 altrimenti si instaura una reazione positiva.
4)

Vediamo ora quali dovrebbero essere i limiti da imporre per evitare lo sconfinamento.
Per evitare lo sconfinamento in teoria sarebbe sufficiente la condizione imposta da te, cioè quella con V1 uguale a Vpk ma per quanto detto sopra invece secondo me dovremmo cautelarci e imporre a V1 un valore maggiore di Vpk, quindi
5)

6)

7)

che è la condizione che ci mette al sicuro dallo sconfinamento.
Quindi in pratica, in generale, si dovrebbe poter ottenere il guadagno desiderato imponendo alle quattro resistenze qualsiasi combinazione di valori che soddisfi la 3) facendo però attenzione al limite segnalato dalla 7), cioè occorre fare in modo da restare sufficientemente distanti dal limite per essere certi di non sconfinare verso valori negativi con la tensione sull'ingresso non invertente e ovviamente anche i limiti imposti dall'operazionale vanno rispettati.
Che te ne pare? Vedi inesattezze?
-

BrunoValente
39,6k 7 11 13 - G.Master EY

- Messaggi: 7796
- Iscritto il: 8 mag 2007, 14:48
1
voti
Ho provato a simularlo impostando un guadagno di 8 come nel tuo ma al rapporto R4/R3 invece di 7 ho dato un valore pari a 4 per allontanarmi dalla condizione pericolosa, poi ho ricavato il valore del rapporto R2/R1 dalla 3) del [42]

I valori diventano R1 = 260k, R2 = 540k, R3 = 100k, R4 = 400k
Pere funzioni ugualmente bene, il guadagno è pari a 8 e con un segnale di ingresso di 0.625V di picco in ingresso l'oscillogramma del segnale sull'ingresso non invertente appare ben centrato su 1V come dovrebbe essere, quindi resta libera una fascia di sicurezza di 0.375V tra i picchi negativi e lo zero.

I valori diventano R1 = 260k, R2 = 540k, R3 = 100k, R4 = 400k
Pere funzioni ugualmente bene, il guadagno è pari a 8 e con un segnale di ingresso di 0.625V di picco in ingresso l'oscillogramma del segnale sull'ingresso non invertente appare ben centrato su 1V come dovrebbe essere, quindi resta libera una fascia di sicurezza di 0.375V tra i picchi negativi e lo zero.
-

BrunoValente
39,6k 7 11 13 - G.Master EY

- Messaggi: 7796
- Iscritto il: 8 mag 2007, 14:48
0
voti
Allora si potrebbe prendere in considerazione l'ultimo schema (messaggio 43) ?
Se ho in uscita dal sensore 100mV per 1A (230W di carico circa)
Per 23 W ho 10mV amplificate per 8 sono 80 mV da far leggere al AD (circa 16 step di un Ad 10 bit).
Vi tornano i calcoli ho sbaglio qualcosa ?
Se ho in uscita dal sensore 100mV per 1A (230W di carico circa)
Per 23 W ho 10mV amplificate per 8 sono 80 mV da far leggere al AD (circa 16 step di un Ad 10 bit).
Vi tornano i calcoli ho sbaglio qualcosa ?
-

Sapientino
10 4 - New entry

- Messaggi: 51
- Iscritto il: 8 dic 2009, 12:07
1
voti
Il circuito mi pare faccia bene quello che abbiamo visto che fa, aspettiamo comunque
venexian che ci dirà se è d'accordo sulle modifiche che ho apportato al suo circuito.
Per quanto riguarda l'uso che ne vuoi fare sinceramente non mi è chiaro cosa ti serve davvero, potresti provare a spiegarlo meglio.
Per quello che ho capito, forse sbaglio ma mi pare tu sia completamente fuori strada.
Per quanto riguarda l'uso che ne vuoi fare sinceramente non mi è chiaro cosa ti serve davvero, potresti provare a spiegarlo meglio.
Per quello che ho capito, forse sbaglio ma mi pare tu sia completamente fuori strada.
-

BrunoValente
39,6k 7 11 13 - G.Master EY

- Messaggi: 7796
- Iscritto il: 8 mag 2007, 14:48
0
voti
Inizialmente avevo l'intenzione di utilizzare ACS 712 20A sia per misurare la corrente sia per rilevare il passaggio di corrente .
Poi successivamente prendendo in considerazione i limiti del sensore ho pensato di utilizzarlo solo per rilevare il passaggio di corrente per carichi in alternata dai 10/20W in su per arrivare ad un massimo di 2300W.
La gestione di tutto viene affidata ad un micro 16f1503 .
Poi successivamente prendendo in considerazione i limiti del sensore ho pensato di utilizzarlo solo per rilevare il passaggio di corrente per carichi in alternata dai 10/20W in su per arrivare ad un massimo di 2300W.
La gestione di tutto viene affidata ad un micro 16f1503 .
-

Sapientino
10 4 - New entry

- Messaggi: 51
- Iscritto il: 8 dic 2009, 12:07
0
voti
Quindi ti occorre un segnale normalmente basso che va alto quando la corrente supera il valore corrispondente ad una potenza di 10-20W?
-

BrunoValente
39,6k 7 11 13 - G.Master EY

- Messaggi: 7796
- Iscritto il: 8 mag 2007, 14:48
0
voti
Si va bene anche un segnale che da alto va basso per me è indifferente
L'importante che sià isolato
L'importante che sià isolato
-

Sapientino
10 4 - New entry

- Messaggi: 51
- Iscritto il: 8 dic 2009, 12:07
0
voti
Bruno hai capito bene e non devi aggiungere altro.
Per te quale potrebbe essere una valida alternativa con garanzia di isolamento e reperibilità di componenti a costi modesti ?
Per te quale potrebbe essere una valida alternativa con garanzia di isolamento e reperibilità di componenti a costi modesti ?
-

Sapientino
10 4 - New entry

- Messaggi: 51
- Iscritto il: 8 dic 2009, 12:07
0
voti
Ho cancellato la risposta che ti avevo dato perché non stavo tenendo conto del fatto che vuoi lavorare in alternata.
Comunque quel sensore mi pare non vada bene perché eroga una tensione di rumore, quindi sempre presente e sovrapposta al segnale utile, corrispondente a circa 100mA nel carico, significa che quando nel tuo carico non scorre corrente il sensore invece di erogare una tensione nulla ne eroga una corrispondente ad una corrente nel carico di 100mA che imbroglierebbe i circuiti a valle.
Non saprei se filtrando si possa migliorare ma io non mi avventurerei per questa via.
Comunque quel sensore mi pare non vada bene perché eroga una tensione di rumore, quindi sempre presente e sovrapposta al segnale utile, corrispondente a circa 100mA nel carico, significa che quando nel tuo carico non scorre corrente il sensore invece di erogare una tensione nulla ne eroga una corrispondente ad una corrente nel carico di 100mA che imbroglierebbe i circuiti a valle.
Non saprei se filtrando si possa migliorare ma io non mi avventurerei per questa via.
-

BrunoValente
39,6k 7 11 13 - G.Master EY

- Messaggi: 7796
- Iscritto il: 8 mag 2007, 14:48
Torna a Realizzazioni, interfacciamento e nozioni generali.
Chi c’è in linea
Visitano il forum: Nessuno e 3 ospiti

Elettrotecnica e non solo (admin)
Un gatto tra gli elettroni (IsidoroKZ)
Esperienza e simulazioni (g.schgor)
Moleskine di un idraulico (RenzoDF)
Il Blog di ElectroYou (webmaster)
Idee microcontrollate (TardoFreak)
PICcoli grandi PICMicro (Paolino)
Il blog elettrico di carloc (carloc)
DirtEYblooog (dirtydeeds)
Di tutto... un po' (jordan20)
AK47 (lillo)
Esperienze elettroniche (marco438)
Telecomunicazioni musicali (clavicordo)
Automazione ed Elettronica (gustavo)
Direttive per la sicurezza (ErnestoCappelletti)
EYnfo dall'Alaska (mir)
Apriamo il quadro! (attilio)
H7-25 (asdf)
Passione Elettrica (massimob)
Elettroni a spasso (guidob)
Bloguerra (guerra)

