Senza carico d'ingresso solo con il sensore ACS712 20A collegato ,
in uscita sul condensatore da 3.3uF ho una tensione continua di 50mV.
Mentre applicando una corrente AC di 50mA sul sensore ho in uscita sempre sul condensatore da 3.3uF una tensione di 100mV circa. Se non vado errato 50mV di differenza sono circa 10 punti del AD (10bit).
Queste prove Le ho fatte con il 1 circuito da te realizzato.
Ora se ci sono soluzioni più semplici e affidabili valuto tutte le ipotesi.
Nei post precedenti si è parlato anche di sensori Hall classici qualcuno ha dettagli in più ?
Interfacciare ACS712 controllo e misura corrente AC
Moderatore:
Paolino
0
voti
Adesso che hanno finito di scannarsi
e si ritorna sull'argomento iniziale... possiamo ragionare sull'argomento.
Dipende da cosa ci devi fare con questo circuito.
Se MISURARE la corrente ad esempio per calcolare l'energia consumata ... allora devi definire di che precisione hai bisogno. Come detto l'ACS712 ha, solo lui, oltre l'1,5% di errore. Inoltre, in un ADC, l'ultimo Bit lo puoi quasi buttare.
Fissato il primo paletto si può ragionare sul metodo per farlo.
Se invece ti basta sapere solo se circola qualche elettrone ... usa pure il diodo. Oops, lo volevi isolato ... beh con un fotoaccoppiatore risolvi anche questo problema.
Comunque fissa gli obiettivi desiderati che poi ci si può ragionare.
Bye
Ser.Tom
Dipende da cosa ci devi fare con questo circuito.
Se MISURARE la corrente ad esempio per calcolare l'energia consumata ... allora devi definire di che precisione hai bisogno. Come detto l'ACS712 ha, solo lui, oltre l'1,5% di errore. Inoltre, in un ADC, l'ultimo Bit lo puoi quasi buttare.
Fissato il primo paletto si può ragionare sul metodo per farlo.
Se invece ti basta sapere solo se circola qualche elettrone ... usa pure il diodo. Oops, lo volevi isolato ... beh con un fotoaccoppiatore risolvi anche questo problema.
Comunque fissa gli obiettivi desiderati che poi ci si può ragionare.
Bye
Ser.Tom2
voti
Scannarsi? ma stai scherzando!
Ma a proposito è un po' che
venexian non si fa vivo, sapete che fine ha fatto? Proprio ora che si era rivalutato con il suo circuito da premio Nobel non avrà mica gettato la spugna? Forse sarà andato a farsi un giro in gondola 
Ma a proposito è un po' che
-

BrunoValente
39,6k 7 11 13 - G.Master EY

- Messaggi: 7796
- Iscritto il: 8 mag 2007, 14:48
0
voti
Allora andiamo con i diodi e il foto accoppiatore.
Ci servono dei diodi da 1000/800V 20A minimo se non vado errato.
Il carico massimo è di 10A 230Vac.
Stavo vedendo i STTH3010 che ne pensate ?
Costano parecchio avete altre alternative ?
Ci servono dei diodi da 1000/800V 20A minimo se non vado errato.
Il carico massimo è di 10A 230Vac.
Stavo vedendo i STTH3010 che ne pensate ?
Costano parecchio avete altre alternative ?
-

Sapientino
10 4 - New entry

- Messaggi: 51
- Iscritto il: 8 dic 2009, 12:07
0
voti
Stavo vedendo anche i P2500M della Diotec non sono fast ma più economici
Che ne pensate ?
Nel data vi è scritto : 25A se i cavi vengono mantenuti a temperatura ambiente a una distanza di 10 mm dalla custodia
Che ne pensate ?
Nel data vi è scritto : 25A se i cavi vengono mantenuti a temperatura ambiente a una distanza di 10 mm dalla custodia
-

Sapientino
10 4 - New entry

- Messaggi: 51
- Iscritto il: 8 dic 2009, 12:07
8
voti
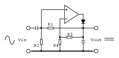
Scusate ma avrei ancora da dire qualcosa su quel portento di circuito di
venexian che non finisce mai di stupirmi, lo riporto di nuovo qui perché è troppo bello
Dunque pensate un po' che quel circuito, oltre a funzionare perfettamente come giustamente rivendica
venexian, gode anche di insospettate proprietà: attribuendo un particolare valore al rapporto R1/R2 subisce una vera metamorfosi, cosa da non credere, e il suo funzionamento perfetto, diventa persino più elegante di prima.
Abbiamo visto qualche post indietro che l'espressione del guadagno è
1)
e che il rapporto R1/R2 possiamo variarlo per aumentare a piacere la componente continua sull'ingresso non invertente purché rispettiamo i limiti imposti dalle seguenti relazioni
2)
3)
Guardate cosa succede al guadagno se scegliamo un rapporto R3/R4 pari a zero
4)
5)
La 2) e la 3) sono ancora rispettate, quindi tutto a posto
In particolare la 3) diventa
6)
Andiamo ora a vedere come si modifica il circuito con il rapporto R3/R4 pari a zero che significa sostituire R3 con un corto circuito e R4 con una resistenza di valore qualsiasi, quindi conviene quella di valore infinito che non costa nulla e si può fare perché
fa comunque zero. 
Ecco che quel portento di circuito diventa qualcosa di ancora più portentoso... che però conosciamo già!
Sì è proprio il mio circuito descritto per la prima volta qui e la formula del guadagno è proprio quella tanto disprezzata da venexian e sia la 5) che la 6) sono proprio loro, quelle presenti anche nel vecchio post
In pratica non ha inventato niente, il mio circuito è solo una caso particolare del suo.
Venexian ha sentenziato in continuazione che quella formula del guadagno è sbagliata, spero si sia reso conto...
Quando lo pensai, stiamo parlando di 7 anni fa, partii proprio dal circuito di venexian che mi venne in mente per primo e che mi sembrò una buona soluzione ma non degna di interesse, invece quella ovvia versione semplificata a cui pensai un minuto dopo mi sembrò molto più elegante, in qualche modo mi ricordava i vecchi ricevitori reflex in uso prima degli anni '30 del secolo scorso dove un solo triodo amplificava contemporaneamente la radio frequenza e il segnale audio e ne parlai in quella vecchia discussione, il tutto nel giro di non più di mezz'ora, poi la sera ci persi un'altra mezz'ora e provai a montarlo al volo su una basetta mille fori e vidi che funzionava, mi pare con un guadagno di dieci, la cosa finì lì.
Mai avrei immaginato che a distanza di anni intorno a quell'innocuo e insignificante circuito si sarebbe potuto alzare un simile polverone e che qualcuno avrebbe potuto dire tante amenità e cose insensate... pare ancora non si sia accorto che le feroci critiche da lui rivolte, in realtà le ha rivolte anche al suo circuito da cui il mio discende.
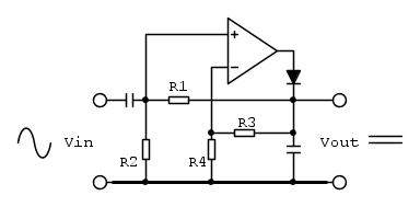
Dunque pensate un po' che quel circuito, oltre a funzionare perfettamente come giustamente rivendica
Abbiamo visto qualche post indietro che l'espressione del guadagno è
1)

e che il rapporto R1/R2 possiamo variarlo per aumentare a piacere la componente continua sull'ingresso non invertente purché rispettiamo i limiti imposti dalle seguenti relazioni
2)

3)

Guardate cosa succede al guadagno se scegliamo un rapporto R3/R4 pari a zero
4)

5)

La 2) e la 3) sono ancora rispettate, quindi tutto a posto
In particolare la 3) diventa
6)

Andiamo ora a vedere come si modifica il circuito con il rapporto R3/R4 pari a zero che significa sostituire R3 con un corto circuito e R4 con una resistenza di valore qualsiasi, quindi conviene quella di valore infinito che non costa nulla e si può fare perché
fa comunque zero. Ecco che quel portento di circuito diventa qualcosa di ancora più portentoso... che però conosciamo già!
Sì è proprio il mio circuito descritto per la prima volta qui e la formula del guadagno è proprio quella tanto disprezzata da venexian e sia la 5) che la 6) sono proprio loro, quelle presenti anche nel vecchio post
In pratica non ha inventato niente, il mio circuito è solo una caso particolare del suo.
Venexian ha sentenziato in continuazione che quella formula del guadagno è sbagliata, spero si sia reso conto...
Quando lo pensai, stiamo parlando di 7 anni fa, partii proprio dal circuito di venexian che mi venne in mente per primo e che mi sembrò una buona soluzione ma non degna di interesse, invece quella ovvia versione semplificata a cui pensai un minuto dopo mi sembrò molto più elegante, in qualche modo mi ricordava i vecchi ricevitori reflex in uso prima degli anni '30 del secolo scorso dove un solo triodo amplificava contemporaneamente la radio frequenza e il segnale audio e ne parlai in quella vecchia discussione, il tutto nel giro di non più di mezz'ora, poi la sera ci persi un'altra mezz'ora e provai a montarlo al volo su una basetta mille fori e vidi che funzionava, mi pare con un guadagno di dieci, la cosa finì lì.
Mai avrei immaginato che a distanza di anni intorno a quell'innocuo e insignificante circuito si sarebbe potuto alzare un simile polverone e che qualcuno avrebbe potuto dire tante amenità e cose insensate... pare ancora non si sia accorto che le feroci critiche da lui rivolte, in realtà le ha rivolte anche al suo circuito da cui il mio discende.
-

BrunoValente
39,6k 7 11 13 - G.Master EY

- Messaggi: 7796
- Iscritto il: 8 mag 2007, 14:48
0
voti
Appunto !Sapientino ha scritto:Stavo vedendo anche i P2500M della Diotec ... nel data vi è scritto : 25A se i cavi vengono mantenuti a temperatura ambiente ...
Nonostante una Vf di, solo, circa 0,9V a 20A hai ben 18W da dissipare ...
Allora hanno poco da scrivere .... o ci metti un climatizzatore
Dovendo dissipare quelle potenze ti consiglio modelli facilmente applicabili su un adeguato dissipatore.
Bye
Ser.Tom0
voti
SerTom nel mio caso la corrente massima che scorre nei diodi è di 10A quindi 9 W da dissipare se non erro.
-

Sapientino
10 4 - New entry

- Messaggi: 51
- Iscritto il: 8 dic 2009, 12:07
3
voti
Ancora una volta leggo con piacere un contenuto di grande valore. Qui serve un bell'articolo.
La discussione con
Alberto.
0
voti
Ho trovato anche i GPA1607 1000V 16A TO220 che ve ne pare ?
Li produce la Taiwan Semiconductor
Mi sembrano economici rispetto ad altri
Li produce la Taiwan Semiconductor
Mi sembrano economici rispetto ad altri
-

Sapientino
10 4 - New entry

- Messaggi: 51
- Iscritto il: 8 dic 2009, 12:07
Torna a Realizzazioni, interfacciamento e nozioni generali.
Chi c’è in linea
Visitano il forum: Nessuno e 13 ospiti

Elettrotecnica e non solo (admin)
Un gatto tra gli elettroni (IsidoroKZ)
Esperienza e simulazioni (g.schgor)
Moleskine di un idraulico (RenzoDF)
Il Blog di ElectroYou (webmaster)
Idee microcontrollate (TardoFreak)
PICcoli grandi PICMicro (Paolino)
Il blog elettrico di carloc (carloc)
DirtEYblooog (dirtydeeds)
Di tutto... un po' (jordan20)
AK47 (lillo)
Esperienze elettroniche (marco438)
Telecomunicazioni musicali (clavicordo)
Automazione ed Elettronica (gustavo)
Direttive per la sicurezza (ErnestoCappelletti)
EYnfo dall'Alaska (mir)
Apriamo il quadro! (attilio)
H7-25 (asdf)
Passione Elettrica (massimob)
Elettroni a spasso (guidob)
Bloguerra (guerra)



