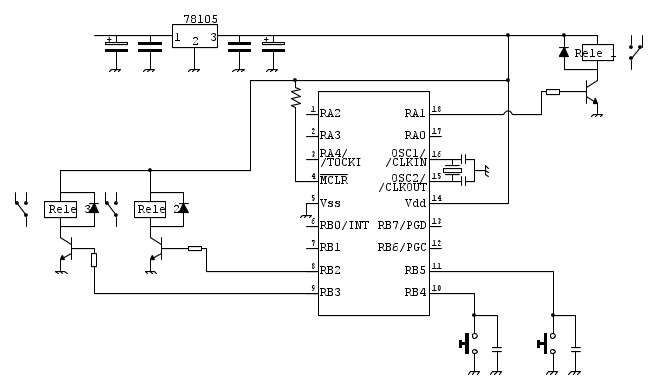
Per la disposizione dei pulsanti sinceramente non ho capito se devo togliere del tutto resistenze e alimentazione verso il vdd e mettere un condensatore in parallelo verso massa?
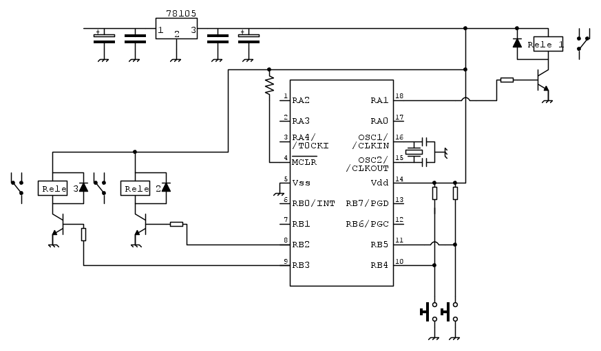
Sono riuscito a rimetterlo in fidocadj cambiando qualche componente.
Moderatore:
Paolino
IlGuru ha scritto:... però vanno messi dei condensatori antirimbalzo...


bebos89 ha scritto:Per la disposizione dei pulsanti sinceramente non ho capito se devo togliere del tutto resistenze
bebos89 ha scritto:non ho capito cosa intendete con resistenza programmabile.
bebos89 ha scritto:Potrebbe funzionare una cosa del genere?
bebos89 ha scritto:non sapevo quale delle 10000000 versioni di MPLAB fosse la più semplice
Torna a Firmware e programmazione
Visitano il forum: Nessuno e 16 ospiti