Tra l'altro nel suo blog c'è un bell'articolo a riguardo.
timer per la pasta
Moderatore:
Paolino
0
voti
A parte che allo schema mancano i resistori, con un pilotaggio multiplexato risparmi pin e codice, come già annunciato da
TardoFreak.
Tra l'altro nel suo blog c'è un bell'articolo a riguardo.
Tra l'altro nel suo blog c'è un bell'articolo a riguardo.
0
voti
mi sono letto l'articolo pero mi sembra una cosa complessa che non e certamente al mio livello
TardoFreak,me no male che mi mi avevi detto di iniziare con una cosa ''semplice'' come un timer per la pasta 
1
voti
Che non sia facile, posso anche darti ragione. Che sia impossibile, invece NO!
Ora, fai un bel respiro e analizza il problema con calma. Secondo me ti stai agitando troppo: troppa entropia e poco rendimento
Dai un'occhiata a questo articolo. All'inizio troverai uno schema di multiplexing, fatto con display a 7 segmenti. Prendilo come esempio.
Ciao.
Paolo.
Ora, fai un bel respiro e analizza il problema con calma. Secondo me ti stai agitando troppo: troppa entropia e poco rendimento
Dai un'occhiata a questo articolo. All'inizio troverai uno schema di multiplexing, fatto con display a 7 segmenti. Prendilo come esempio.
Ciao.
Paolo.
"Houston, Tranquillity Base here. The Eagle has landed." - Neil A.Armstrong
-------------------------------------------------------------
PIC Experience - http://www.picexperience.it
-------------------------------------------------------------
PIC Experience - http://www.picexperience.it
-

Paolino
32,6k 8 12 13 - G.Master EY

- Messaggi: 4226
- Iscritto il: 20 gen 2006, 11:42
- Località: Vigevano (PV)
1
voti
riporto lo schema :
ho capito come si collega ma non capisco il motivo del funzionamento cioe facendo uscire +5V da un dei pin non si dovrebbe accendere lo stesso segmento in tutti i display?
ho capito come si collega ma non capisco il motivo del funzionamento cioe facendo uscire +5V da un dei pin non si dovrebbe accendere lo stesso segmento in tutti i display?
0
voti
credo di aver capito, praticamente se uno dei pin collegate ai catodi viene portato a massa dovrebbe accendersi in ogni uno dei display lo stesso segmento ma questo non succede perche solo gli anodi del dispay in cui si intende accendere il segmento viene collegato ai +5V
giusto?
giusto?
1
voti
ramboluis ha scritto:giusto?
Giusto!
Paolo.
"Houston, Tranquillity Base here. The Eagle has landed." - Neil A.Armstrong
-------------------------------------------------------------
PIC Experience - http://www.picexperience.it
-------------------------------------------------------------
PIC Experience - http://www.picexperience.it
-

Paolino
32,6k 8 12 13 - G.Master EY

- Messaggi: 4226
- Iscritto il: 20 gen 2006, 11:42
- Località: Vigevano (PV)
1
voti
Anzi, mi correggo:
il firmware è tale da collegare a GND solamente un catodo alla volta, lasciando gli altri disattivati. Così, la cifra che vuoi rappresentare viene visualizzata solo sul display che ha il catodo commutato a GND.
Paolo.
il firmware è tale da collegare a GND solamente un catodo alla volta, lasciando gli altri disattivati. Così, la cifra che vuoi rappresentare viene visualizzata solo sul display che ha il catodo commutato a GND.
Paolo.
"Houston, Tranquillity Base here. The Eagle has landed." - Neil A.Armstrong
-------------------------------------------------------------
PIC Experience - http://www.picexperience.it
-------------------------------------------------------------
PIC Experience - http://www.picexperience.it
-

Paolino
32,6k 8 12 13 - G.Master EY

- Messaggi: 4226
- Iscritto il: 20 gen 2006, 11:42
- Località: Vigevano (PV)
1
voti
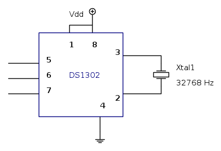
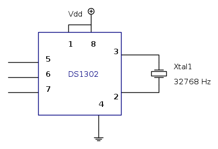
TI riferisci a questa sezione dello schema?
Il DS1302, che è un RTCC (Real Time Clock Calendar), non ti serve. Direi che invece il quarzo da 32768 Hz potrebbe essere impiegato per la base del tempi, a meno che il PIC16F887 già non ce l'abbia al suo interno (devo guardare il datasheet).
Per il momento omettilo. Concentrati sulla sezione dei display e del multiplexing.
Paolo.
Il DS1302, che è un RTCC (Real Time Clock Calendar), non ti serve. Direi che invece il quarzo da 32768 Hz potrebbe essere impiegato per la base del tempi, a meno che il PIC16F887 già non ce l'abbia al suo interno (devo guardare il datasheet).
Per il momento omettilo. Concentrati sulla sezione dei display e del multiplexing.
Paolo.
"Houston, Tranquillity Base here. The Eagle has landed." - Neil A.Armstrong
-------------------------------------------------------------
PIC Experience - http://www.picexperience.it
-------------------------------------------------------------
PIC Experience - http://www.picexperience.it
-

Paolino
32,6k 8 12 13 - G.Master EY

- Messaggi: 4226
- Iscritto il: 20 gen 2006, 11:42
- Località: Vigevano (PV)
Torna a Firmware e programmazione
Chi c’è in linea
Visitano il forum: Nessuno e 15 ospiti

Elettrotecnica e non solo (admin)
Un gatto tra gli elettroni (IsidoroKZ)
Esperienza e simulazioni (g.schgor)
Moleskine di un idraulico (RenzoDF)
Il Blog di ElectroYou (webmaster)
Idee microcontrollate (TardoFreak)
PICcoli grandi PICMicro (Paolino)
Il blog elettrico di carloc (carloc)
DirtEYblooog (dirtydeeds)
Di tutto... un po' (jordan20)
AK47 (lillo)
Esperienze elettroniche (marco438)
Telecomunicazioni musicali (clavicordo)
Automazione ed Elettronica (gustavo)
Direttive per la sicurezza (ErnestoCappelletti)
EYnfo dall'Alaska (mir)
Apriamo il quadro! (attilio)
H7-25 (asdf)
Passione Elettrica (massimob)
Elettroni a spasso (guidob)
Bloguerra (guerra)



