c'e` sempre, al piu` si potrebbe discutere se ci debba essere oppure no
, comunque c'e` anche lui perche' il flusso e` tutto contenuto nel nucleo.
Moderatori:
SandroCalligaro,
mario_maggi,
fpalone
c'e` sempre, al piu` si potrebbe discutere se ci debba essere oppure no
, comunque c'e` anche lui perche' il flusso e` tutto contenuto nel nucleo.
è finalmente giusta? 



e
le f.e.m indotte dagli avvolgimenti so che:



; 
:
come:
:
risulta dunque:
![\dot{N}_{2}=\bar{E}_{2}\check{I}_{2}=(38{,}8+\rm{j}66,6)(2{,}1+\rm{j}0,8)=28{,}2[W]-\rm{j}171 \rm{var} \dot{N}_{2}=\bar{E}_{2}\check{I}_{2}=(38{,}8+\rm{j}66,6)(2{,}1+\rm{j}0,8)=28{,}2[W]-\rm{j}171 \rm{var}](/forum/latexrender/pictures/76a8caf72bfff946de2189e357744684.png)
risulta essere:
per cui per calcolare la corrente magnetizzate occorre procedere in questo modo
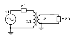
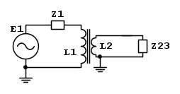
e su come ragionare per quanto riguarda il calcolo della potenza complessiva assorbita dalle 3 impedenze. E' giusto pensare di portare
al secondario e calcolare complessivamente la potenza delle tre impedenze in serie?Visitano il forum: Nessuno e 26 ospiti