gabrisav ha scritto:Allora non ho capito, come fate a garantire la protezione differenziale del motore? potresti fare uno schema semplice della vostra macchina?
Forse ho capito dove sta la confusione.
In questa macchina abbiamo motori a 400Vac e motori a 230Vac.
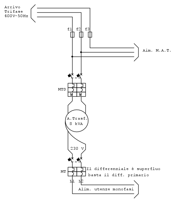
Immagina che arriva la 400Vac del cliente al nostro quadro, a quel punto sezionatore/interruttore generale sul nostro quadro e poi , dal sezionatore parte la dorsale da cui vengono derivate tutte le linee per le utenze a 400Vac (tra cui due motori a 400Vac), tutte protette ma solo da magnetotermici (senza differenziale).
Poi, lato 230vac, in uscita al trasformatore (perché solitamente mettiamo un trasformatore e non un autotrasformatore) mettiamo un MT + differenziale ma solo in USCITA dal trasformatore. In ingresso portafusibile bipolare aM
Questa 230Vac alimenta motori a 230vac monofase e riscaldatori e contattori, lampade, etc etc
Per quello che mi dici tu, proprio dall' autotrasformatore, a monte , metterei un MT + differenziale e magari a valle fusibili o un altro MT

Elettrotecnica e non solo (admin)
Un gatto tra gli elettroni (IsidoroKZ)
Esperienza e simulazioni (g.schgor)
Moleskine di un idraulico (RenzoDF)
Il Blog di ElectroYou (webmaster)
Idee microcontrollate (TardoFreak)
PICcoli grandi PICMicro (Paolino)
Il blog elettrico di carloc (carloc)
DirtEYblooog (dirtydeeds)
Di tutto... un po' (jordan20)
AK47 (lillo)
Esperienze elettroniche (marco438)
Telecomunicazioni musicali (clavicordo)
Automazione ed Elettronica (gustavo)
Direttive per la sicurezza (ErnestoCappelletti)
EYnfo dall'Alaska (mir)
Apriamo il quadro! (attilio)
H7-25 (asdf)
Passione Elettrica (massimob)
Elettroni a spasso (guidob)
Bloguerra (guerra)

Ma la protezine differenziale dei vari motori trifase chi la fa???







