eddy,
l'ho scritto in un altro thread.
Considera la situazione termica nel transitorio.
Se metti un dito nell'acqua bollente e lo ritrai subito mettendolo in acqua fredda, non ti scotti. La quantita' di calore che passa dall'acqua bollente all'interno del dito e' mimima, ma la pelle ne risente.
Lo stesso avviene in un motore durante la frenatura - sia in controcorrente che con iniezione di corrente continua.
Si ha un surriscaldamento molto rapido della gabbia, che scalda subito il pacco rotorico (che a volte si dilata e si stacca dall'albero), subito dopo si scalda l'albero, quindi gli anelli interni dei cuscinetti (che si dilatano, e premono contro le sfere/rulli. Poi il calore pian piano passa attraverso i piccoli punti di contatto delle sfere/rulli (e intanto la temperatura continua a salire).
Dalle sfere/rulli il calore passa finalmente all'anello esterno, e da qui alla carcassa.
La costante di tempo termica del rotore e' infatti molto piu' bassa di quella del motore intero. Se disegni una serie di resistenze termiche avrai due "colli di bottiglia" costituiti dai punti di appoggio delle sfere/rulli. Se la gabbia arriva a 300°C durante la frenata, la parte interna dell'albero puo' arrivare a 250°C, gli anelli interni dei cuscinetti a 220°C, quelli esterni a 80°. La resistenza termica si manifesta quindi in modo significativo nel cuscinetto. Se la durata della frenatura fosse lunga, pian piano anche le altre parti si scalderebbero molto. Nel caso di centrifughe e' abbastanza facile superare i limiti termici accettabili dal motore durante la frenata.
Ciao
Mario
frenatura in c.c.
Moderatori:
SandroCalligaro,
mario_maggi,
fpalone
16 messaggi
• Pagina 2 di 2 • 1, 2
1
voti
Mario Maggi
https://www.evlist.it per la mobilità elettrica e filiera relativa
https://www.axu.it , inverter speciali, convertitori DC/DC, soluzioni originali per la qualità dell'energia
Innovazioni: https://www.axu.it/mm4
https://www.evlist.it per la mobilità elettrica e filiera relativa
https://www.axu.it , inverter speciali, convertitori DC/DC, soluzioni originali per la qualità dell'energia
Innovazioni: https://www.axu.it/mm4
-

mario_maggi
20,0k 3 11 12 - G.Master EY

- Messaggi: 4179
- Iscritto il: 21 dic 2006, 9:59
- Località: Milano
0
voti
Infatti la corrente in fase di rigenerazione dovrebbe passare sui diodi di ricircolo per poi entrare verso "Vcc", ossia verso il positivo dell'alimentazione del ponte ad H. Immagina che il ponte stia fornendo energia per magnetizzare l'avvolgimento; la corrente verrà portata al valore richiesto parzializzando l'accensione della coppia di transistor che portano il lato AC a tensione positiva (per ipotesi usiamo un PWM unipolare). Quando l'avvolgimento è magnetizzato e l'induttanza tende a diminuire e la corrente tende ad aumentare allora una strategia di controllo potrebbe essere aprire gli interruttori precedentemente chiusi e chiudere quelli precedentemente aperti.
In questo modo la tensione ai capi dell'avvolgimento risulta essere -Vcc e la corrente (che non può andare a 0 per via dell'induttanza dell'avvolgimento) si chiuderà attraverso i diodi di ricircolo sulla sorgente di alimentazione, un po' come in uno step-up. Ovviamente la corrente diminuirà ed a quel punto a secondo del regolatore di inseguimento della corrente impiegato (a isteresi, Dead zone, con un PID...) il controllo cambierà stato.
Se imponessi la corrente già durante la fase di avvicinamento avresti una coppia motrice fino a che il polo non si allinea e successivamente frenante; d'altronde, fintanto che la costante di tempo dell'avvolgimento è molto bassa rispetto al tempo impiegato al polo di rotore per percorrere lo spazio tra due espansioni di statore, si può tranquillamente scegliere di far "partire" la corrente (angolo di accensione) quando la riluttanza sta già diminuendo. Si immagazinerà energia nel campo magetico e la si recupererà dopo lo spegnimento del transistor (angolo di spegnimento). Ho trovato un grafico relativo all'andamento di tenione e corrente per il funzionamento da motore per la zona di funzionamento a "coppia costante", lo allego di seguito:
il relativo andamento dell'induttanza è questo:
e la coppia risultante :
In questo modo la tensione ai capi dell'avvolgimento risulta essere -Vcc e la corrente (che non può andare a 0 per via dell'induttanza dell'avvolgimento) si chiuderà attraverso i diodi di ricircolo sulla sorgente di alimentazione, un po' come in uno step-up. Ovviamente la corrente diminuirà ed a quel punto a secondo del regolatore di inseguimento della corrente impiegato (a isteresi, Dead zone, con un PID...) il controllo cambierà stato.
Se imponessi la corrente già durante la fase di avvicinamento avresti una coppia motrice fino a che il polo non si allinea e successivamente frenante; d'altronde, fintanto che la costante di tempo dell'avvolgimento è molto bassa rispetto al tempo impiegato al polo di rotore per percorrere lo spazio tra due espansioni di statore, si può tranquillamente scegliere di far "partire" la corrente (angolo di accensione) quando la riluttanza sta già diminuendo. Si immagazinerà energia nel campo magetico e la si recupererà dopo lo spegnimento del transistor (angolo di spegnimento). Ho trovato un grafico relativo all'andamento di tenione e corrente per il funzionamento da motore per la zona di funzionamento a "coppia costante", lo allego di seguito:
il relativo andamento dell'induttanza è questo:
e la coppia risultante :
0
voti
I grafici sono presi dal libro "energy-efficient electric motors, ISBN 0824757351;
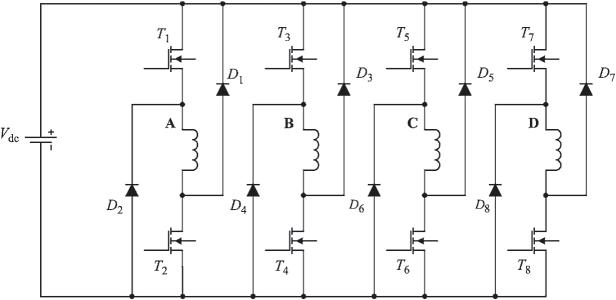
il convertitore ed il controllo, ossia la parte logica e quella di potenza (per le basse velocità) dovrebbe essere piuttosto semplice; il convertitore al quale le figure si riferiscono è questo :
Se per dirac intendi impulso di corrente di breve durata direi di sì, anche se la coppia aumenta (a parità di intensità di corrente) con l'aumentare della differenza tra angolo di accensione ed angolo di spegnimento.
Per quanto riguarda l' "azione di fede" io ad esempio per credere al generatore asincrono in isola ho dovuto collegare tre condensatori ad una (ex) pompa centrifuga per crederci fino in fondo...!
il convertitore ed il controllo, ossia la parte logica e quella di potenza (per le basse velocità) dovrebbe essere piuttosto semplice; il convertitore al quale le figure si riferiscono è questo :
Se per dirac intendi impulso di corrente di breve durata direi di sì, anche se la coppia aumenta (a parità di intensità di corrente) con l'aumentare della differenza tra angolo di accensione ed angolo di spegnimento.
Per quanto riguarda l' "azione di fede" io ad esempio per credere al generatore asincrono in isola ho dovuto collegare tre condensatori ad una (ex) pompa centrifuga per crederci fino in fondo...!
0
voti
mario_maggi ha scritto:cesco,
esatto, la frenatura in c.c. e' piu' dolce, e piu' facilmente regolabile variando la tensione ed il tipo di collegamento (2 fasi, 3 fasi)
Ciao
Mario
Ciao a tutti.
Allora mi chiedo come sia il funzionamento di uno chopper e resistenza di frenatura di un TRAM in c.c visto che da quello che ho letto dai vostri commenti c'è un punto che mi sfugge..!? Intendo capire la differenza che c'è da inverter a chopper. Visto che risulta che una riseptto l'altra ha una diversità al quanto significativa. Grazie di tutto
0
voti
Frenatura in corrente continua di un motore asincrono a gabbia.Allora mi chiedo come sia il funzionamento di uno chopper e resistenza di frenatura di un TRAM in c.c visto che da quello che ho letto dai vostri commenti c'è un punto che mi sfugge..!? Intendo capire la differenza che c'è da inverter a chopper. Visto che risulta che una riseptto l'altra ha una diversità al quanto significativa.
La corrente durante la frenatura deve essere contenuta da 1 a 2 volte quella normalmente attraversante l’avvolgimento statore a seconda della coppia desiderata. Le tensioni che entrano in considerazione sono generalmente dell’ordine di 10 a 30 V e possono essere calcolate con la legge di ohm, prendendo come resistenza: 2 volte la resistenza di fase, se l’avvolgimento è collegato a stella – 2/3 della resistenza di fase, se l’avvolgimento è collegato a triangolo.
Frenatura di un motore a corrente continua di un TRAM.
Frenatura adottata nelle tranvie: frenatura in cortocircuito sull’armatura mediante resistori con elementi a resistenza regolabili in molti gradini. L’eccitazione non deve restare inserita a motore fermato, poiché all’arresto l’avvolgimento d’eccitazione rimane senza ventilazione. Per motori di una certa potenza si impiega anche la frenatura a recupero: i giri del motore diminuiscono con un rinforzo dell’eccitazione, la corrente viene mandata in rete. Con questa frenatura non si arresta il motore.
Frenatura di un motore a corrente continua
La frenatura del motore a corrente continua può essere prevista in controcorrente. Naturalmente bisognerà predisporre dei resistori nel circuito d’armatura dimensionati per la corrispondente elevata corrente di frenatura desiderata. Anche con questa frenatura controcorrente bisogna prevedere apparecchi per staccare il motore dalla rete e arrestarlo, qualora alla frenatura non debba seguire l’inversione, completa della rotazione del motore. Una frenatura fino all’arresto, realizzata in cortocircuito sull’armatura, è chiamata anche frenatura dinamica, e consiste nel far funzionare il motore a corrente continua come generatore staccato dalla rete ma ancora eccitato, su un resistore che assorbe l’energia ancora prodotta. Opportunamente dimensionando gli elementi del resistore si può agire sul valore della coppia frenante.
-

StefanoSunda
2.880 3 6 10 - Master

- Messaggi: 1962
- Iscritto il: 16 set 2010, 19:29
16 messaggi
• Pagina 2 di 2 • 1, 2
Chi c’è in linea
Visitano il forum: Nessuno e 25 ospiti

Elettrotecnica e non solo (admin)
Un gatto tra gli elettroni (IsidoroKZ)
Esperienza e simulazioni (g.schgor)
Moleskine di un idraulico (RenzoDF)
Il Blog di ElectroYou (webmaster)
Idee microcontrollate (TardoFreak)
PICcoli grandi PICMicro (Paolino)
Il blog elettrico di carloc (carloc)
DirtEYblooog (dirtydeeds)
Di tutto... un po' (jordan20)
AK47 (lillo)
Esperienze elettroniche (marco438)
Telecomunicazioni musicali (clavicordo)
Automazione ed Elettronica (gustavo)
Direttive per la sicurezza (ErnestoCappelletti)
EYnfo dall'Alaska (mir)
Apriamo il quadro! (attilio)
H7-25 (asdf)
Passione Elettrica (massimob)
Elettroni a spasso (guidob)
Bloguerra (guerra)


