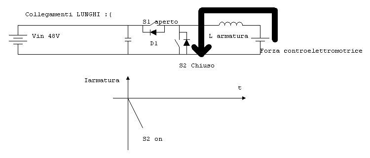
delgiu87 ha scritto:non ho ancora chiaro i percorsi delle correnti..se attivo il MOS basso il motore gira..non appena lo spengo l'induttore restituisce corrente dallo stesso verso e cioè dal più verso il meno...perciò viene bloccato dal catodo di quello basso e circola nel diodo alto..quindi se mantengo sempre a 1 il MOS alto oltre a frenare( cioè cortocircuitare il motore) dovrei anche ricaricare...così sembra mi ha fatto capire oggi il prouttore della centralina originale( a meno che mi ha traviato per non farmela sistemare).
Ci provo con un paio di disegni. Negli schemi i MOS sono rappresentati da un interruttore (S) con un diodo (D) in parallelo. Lo schema sembra diverso dal mezzo ponte, ma e` sempre lui. Il motore e` modellato con la sua induttanza di armatura e una tensione che e` la forza controelettromotrice del motore che sta girando. La forza controelettromotrice dipende dalla velocita`, e a meno di discese e velocita` folli, e` sempre minore della tensione di batteria. Ho usato una batteria piu` "lunga" per rappresentare i 48V e una piu` corta per la tensione generata dal motore, ad esempio 36V.
Analizzo un comando semplificato, in cui comando solo un interruttore per volta, S1 oppure S2 a seconda che voglio fornire potenza al motore oppure recuperarla in frenata. Suggerisco anche di dare un'occhiata a questi articoli sul
buck e sul
boostFase di motoring, stai andando avanti ed eroghi potenza al motore. Chiudi e apri ciclicamente l'interruttore S1. Durante la chiusura la corrente scorre nel verso indicato,

- motore1.jpg (19.79 KiB) Osservato 7736 volte
la corrente nell'induttanza scorre verso destra, e sale perche' la tensione di batteria e` piu` elevata di quella nel motore. Durante questa fase la tensione ai morsetti del motore e` di 48V, la tensione sulla induttanza e` di 12V con il positivo a sinistra.
Apri S1, la corrente nell'induttanza di armatura scorreva verso destra, e continua a scorrere verso destra. Non passa per S1, ma trova come percorso il diodo di substrato D2, vedi figura

- motore2.jpg (19.4 KiB) Osservato 7731 volte
Durante questa fase la tensione ai capi del motore e` di 0V, quella sull'induttanza e` di -36V (sempre considerando il piu` a sinistra). La corrente nell'induttanza scende perche' ai suoi capi ha solo la tensione generata dal motore.
QUesti cicli si ripetono periodici, con duty cycle, con i numeri che ho messo, di 0.75.
Questo e` nient'altro che un convertitore step down, o buck, che abbassa la tensione da 48V a 36V.
Se a un certo punto interrompi la ciclicita` e tieni entrambi i MOS spenti, la corrente nell'induttanza continua a scorrere verso destra, scende fino a zero, e poi i due MOS sono aperti, i due diodi sono polarizzati a rovescio e il motore e` lasciato libero di andare (fase di coasting)
Ora supponiamo di voler frenare. Partiamo, per semplicita` da corrente di armatura nulla. Chiudo il MOS S2 e l'ingresso del motore viene cortocircuitato. Questa volta la corrente puo` scorrere verso sinistra, come in figura attraverso S2.

- motore3.jpg (19.22 KiB) Osservato 7734 volte
La tensione ai capi del motore e` 0V, la corrente e` uscente perche' spinta dalla forza controelettromotrice. La tensione ai capi dell'induttanza e` di 36V con il positivo a destra, e la corrente nell'induttanza, se e` partita da zero, diventa sempre piu` grande scorrendo verso sinistra.
Quando si apre il MOS S2, la corrente nella L di armatura sta scorrendo verso sinistra, e continua a scorrere verso sinistra. Non passa piu` in S2 ma per fortuna trova il diodo D1 del MOS e percorre quella strada, tornando verso l'ingresso a caricare il
condensatore di ingresso. Non posso aggiungere la quarta figura perche' il limite e` 3

. In questa fase la tensione ai capi del motor e` 48V, la tensione sull'induttanza e` di 12V con il positivo a sinistra, la corrente scorre verso sinistra ma decresce di valore (l'ingresso "spinge di piu`" della forza controelettromotrice e quindi fa diminuire la corrente)
In questo caso, se si legge il circuito da destra verso sinistra, si riconosce il solito step up o boost. Si deve controllare l'interruttore S2 con duty cycle iniziale di circa 0.25, e poi aumentarlo di mano in mano che il motore rallenta e genera meno tensione.
Spero che cosi` sia un po' piu` chiaro. Peccato per la quarta figura, l'avevo gia` preparata

Osservazioni varie. Ci
deve essere un condensatore di ingresso, sano robusto e grande, perche' gli impulsi di corrente (ripidi) si richiudono li`, non devono passare attraverso i fili lunghi. Se manca quel condensatore, oppure e` montato male, si crea una sovratensione che uccide i MOS.
Altra osservazione: il controllo puo` benissimo essere fatto con i due MOS comandati in opposizione di fase (modo sincrono), aumenta l'efficienza.
Ultima osservazione: si puo` usare un coso del genere (che i motoristi chiamano chopper) con un brushless, che ha un inverter al suo interno? Dipende dal motore. Se l'inverter solo sono 6 MOS comandati dalla rotazione del motore, si`, si puo` usare perche' la frequenza del regolatore e` molto maggiore di quella dell'inverter interno. L'inverter interno e` solo al posto del collettore meccanico. Questi brushless di fuori si comportano quasi esattamente come un motore in continua. Se invece l'inverter interno e` piu` complicato, lavora in PWM, allora potrebbero esserci problemi.