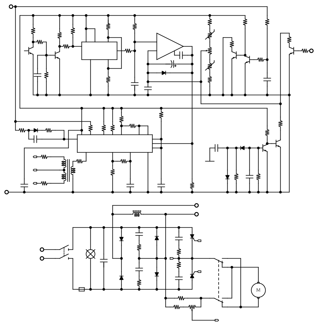
mario_maggi ha scritto:srg,
almeno uno dei due tiristori è defunto.
Tra l' altro noto solo ora la figura da babbo che ho fatto, in quanto al post [2]
Moderatori:
SandroCalligaro,
mario_maggi,
fpalone
mario_maggi ha scritto:srg,
almeno uno dei due tiristori è defunto.

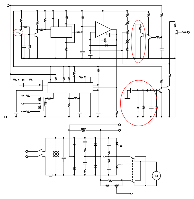
edgar ha scritto:I 3 punti cerchiati mi lasciano perplesso sulla congruità dello schema elettrico
P.S. Ho aggiunto i collegamenti dell'alimentazione dell'operazionale
Visitano il forum: Nessuno e 16 ospiti