La resa di un trasformatore

Trasformatori, macchine rotanti ed azionamenti

Moderatori: Foto UtenteSandroCalligaro, Foto Utentemario_maggi, Foto Utentefpalone

Avatar utente
Foto Utentesetteali
11,9k 5 5 9
Master
Master
Messaggi: 5922
Iscritto il: 15 dic 2013, 20:09
Contatta:
0
voti

[21] Re: La resa di un trasformatore

Messaggioda Foto Utentesetteali » 18 ago 2024, 17:07

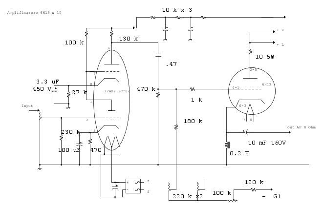
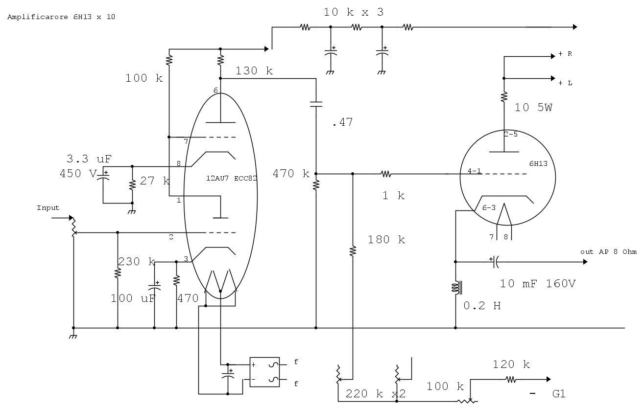
Si lo schema di principio è corretto.
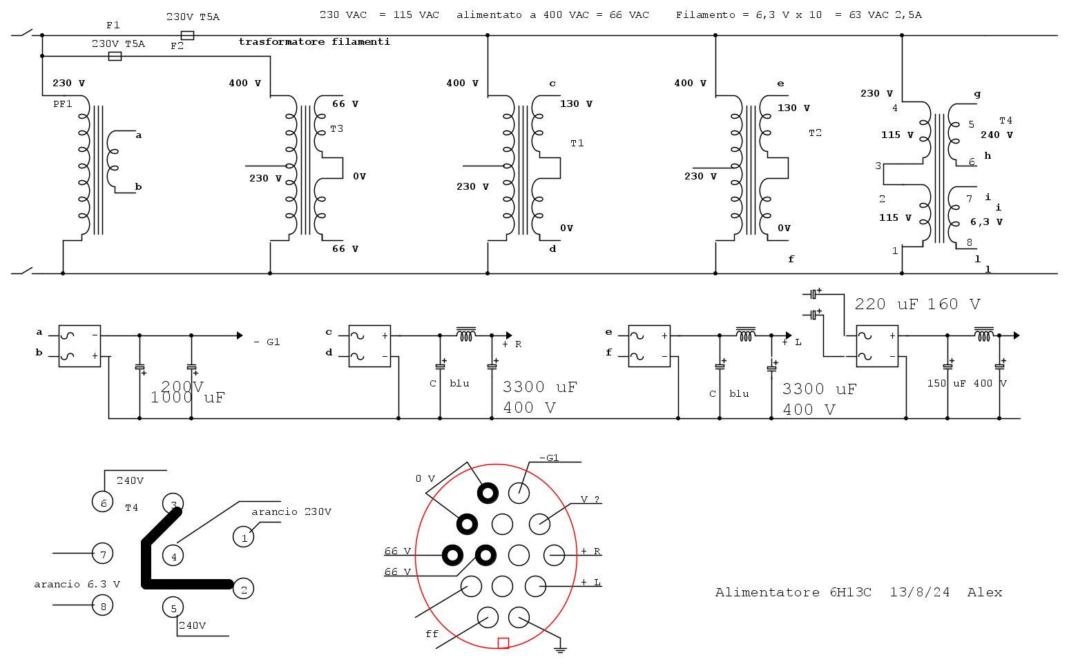
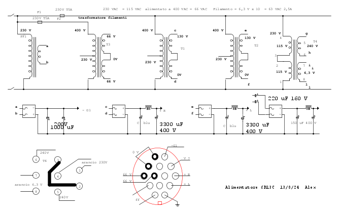
Riporto gli schemi che ho tirato giù dagli chassis:


E questo è dell'alimentazione


I filamenti delle valvole sono messi in serie, 2 canali separati, 66V 2,5 A.
Alex
https://www.facebook.com/Elettronicaeelettrotecnica

<< vedi di pigliare arditamente in mano, il dizionario che ti suona in bocca,
se non altro è schietto e paesano.
(Giuseppe Giusti) <<

Avatar utente
Foto UtenteMarcoD
12,2k 5 9 13
Master EY
Master EY
Messaggi: 6696
Iscritto il: 9 lug 2015, 16:58
Località: Torino
1
voti

[22] Re: La resa di un trasformatore

Messaggioda Foto UtenteMarcoD » 18 ago 2024, 17:22

Schemi interessanti.
Il secondo stadio della ECC82 lavora con la griglia positiva rispetto al catodo !
L'altoparlante è da 8 ohm, pilotato da 10 triodi, quindi 80 ohm/triodo.
Se l''escursione è di 70 Vpp 25 Veff la potenza è P=V^2/R = 25^2/8 = 78 W massimi

Avatar utente
Foto Utentesetteali
11,9k 5 5 9
Master
Master
Messaggi: 5922
Iscritto il: 15 dic 2013, 20:09
Contatta:
0
voti

[23] Re: La resa di un trasformatore

Messaggioda Foto Utentesetteali » 18 ago 2024, 17:25

Hai notato! Anch'io avevo fatto caso a questa configurazione, cosa ti sembra a te? un darlington?
Alex
https://www.facebook.com/Elettronicaeelettrotecnica

<< vedi di pigliare arditamente in mano, il dizionario che ti suona in bocca,
se non altro è schietto e paesano.
(Giuseppe Giusti) <<

Avatar utente
Foto UtenteMarcoD
12,2k 5 9 13
Master EY
Master EY
Messaggi: 6696
Iscritto il: 9 lug 2015, 16:58
Località: Torino
1
voti

[24] Re: La resa di un trasformatore

Messaggioda Foto UtenteMarcoD » 18 ago 2024, 17:33

A me pare un errore, ma non sono così competente con valvole con corrente anodica così bassa. Se funziona va bene. Hai rilevato le tensioni sui piedini della ECC82?

Avatar utente
Foto Utentesetteali
11,9k 5 5 9
Master
Master
Messaggi: 5922
Iscritto il: 15 dic 2013, 20:09
Contatta:
0
voti

[25] Re: La resa di un trasformatore

Messaggioda Foto Utentesetteali » 18 ago 2024, 18:15

No non le ho rilevate, avevo dato qualche spiegazione del perché, potrei alimentare il canale che è rimasto integro e fare i rilievi, ma volevo ragionare sullo schema e cercare di capire perché si è bruciato il trasformatore dell'anodica.
Guardando il rocchetto e aprendolo un po' si vede abbastanza bene che il secondario è cotto, controllato ponte ed elettrolitici, li ho trovati buoni, perciò sembrerebbe che ci circolasse troppa corrente.

Ora se fosse solo una questione di taratura della G1 mal regolata è fattibile la riparazione, ma se devo mettere mano a modificare il circuito e non vorrei sostituire i trasformatori , perché mi sembra che non sia un progetto molto indovinato e non ho voglia di adottare un figlio tale.
Alex
https://www.facebook.com/Elettronicaeelettrotecnica

<< vedi di pigliare arditamente in mano, il dizionario che ti suona in bocca,
se non altro è schietto e paesano.
(Giuseppe Giusti) <<

Avatar utente
Foto Utentestandardoil
547 2 4
Stabilizzato
Stabilizzato
Messaggi: 424
Iscritto il: 15 lug 2022, 19:14
1
voti

[26] Re: La resa di un trasformatore

Messaggioda Foto Utentestandardoil » 18 ago 2024, 18:26

MarcoD ha scritto:Se l''escursione è di 70 Vpp 25 Veff la potenza è P=V^2/R = 25^2/8 = 78 W massimi



Con 130 w circa di alimentazione e un massimo teorico di rendimento della classe A del 25% è già buona se escono 15-20W

Secondo me quell'ampli è buono solo per fare da contrappeso a un ascensore fai-da-te

Avatar utente
Foto Utentesetteali
11,9k 5 5 9
Master
Master
Messaggi: 5922
Iscritto il: 15 dic 2013, 20:09
Contatta:
0
voti

[27] Re: La resa di un trasformatore

Messaggioda Foto Utentesetteali » 18 ago 2024, 18:34

standardoil ha scritto:
MarcoD ha scritto:........
Secondo me quell'ampli è buono solo per fare da contrappeso a un ascensore fai-da-te


Se vi ci mettete anche voi a svalutarlo andiamo bene! Già ci sono io che tiro indietro.

Ci volete aggiungere che il solo alimentatore peserà 50 kg, io non ce la faccio a sollevarlo e non sono messo male!
O_/
Alex
https://www.facebook.com/Elettronicaeelettrotecnica

<< vedi di pigliare arditamente in mano, il dizionario che ti suona in bocca,
se non altro è schietto e paesano.
(Giuseppe Giusti) <<

Avatar utente
Foto UtenteKagliostro
6.401 4 5 7
Master
Master
Messaggi: 4836
Iscritto il: 19 set 2012, 11:32
1
voti

[28] Re: La resa di un trasformatore

Messaggioda Foto UtenteKagliostro » 18 ago 2024, 21:10

Tempo fa, su questa questione, ci ho litigato con un costruttore di trasformatori della domenica (che ha una ditta ed un nome con il quale è in commercio)

Secondo questo signore la corrente disponibile in AC in un trasformatore resta la stessa disponibile in DC una volta raddrizzato e livellato (1A AC = 1A DC ... secondo lui)

Io, onestamente, non so fare tutti i calcoli necessari ma una regoletta "a spanne", leggendo in un sacco di posti, me la sono fatta

Per sapere quanta corrente DC avrò disponibile prendo la corrente AC e la moltiplico per 0,6 ( 1A AC x 0,6 = 600mA DC), per cui .... 760mA di consumo (a regime) con disponibile 1A AC, mi pare potrebbe essere la fonte del problema

Ma sono sono uno smanettone e lascio ai più acculturati fare degli eventuali calcoli precisi

Franco

Avatar utente
Foto Utentestandardoil
547 2 4
Stabilizzato
Stabilizzato
Messaggi: 424
Iscritto il: 15 lug 2022, 19:14
0
voti

[29] Re: La resa di un trasformatore

Messaggioda Foto Utentestandardoil » 18 ago 2024, 22:18

Non credo proprio

Per definizione una grandezza CA ha gli stessi effetti termici (ossia veicola la stessa potenza) della stessa grandezza CC, una delle prime cose che vengono insegnate ai periti elettrotecnici in IV perito, o almeno venivano insegnate quando i periti elettrotecnici servivano per far andare le centrali elettriche, non come ora che si crede siano quelli che cambiano le lampadine

Ovvero 1A CA una volta raddrizzato e senza considerare le perdite trasporta la stessa corrente (e quindi ha lo stesso valore) di 1A CC

Semmai e' la tensione CA che se raddrizzata e filtrata con un filtro ad ingresso capacitivo sembra, ma solo sembra, piu' alta, ma se il raddrizzatore lo si mette sotto carico i conti ricominciano subito a tornare

Peraltro se la potenza si esprime in tensione per corrente per fattore di potenza, e considerando che dopo al raddrizzatore non ci sono carichi capacitivi ne induttivi, la potenza in CA, escluse le perdite, deve essere uguale alla potenza in CC, il principio di conservazione dell'energia non lascia altre possibilita'

Avatar utente
Foto Utenteclaudiocedrone
21,3k 4 7 9
Master EY
Master EY
Messaggi: 15317
Iscritto il: 18 gen 2012, 12:36
0
voti

[30] Re: La resa di un trasformatore

Messaggioda Foto Utenteclaudiocedrone » 18 ago 2024, 23:31

Ma anche il raddrizzamento ha il suo consumo, con raddrizzamento a stato solido a ponte la potenza disponibile in continua è notevolmente minore di quella in alternata con un fattore di correzione pari a 1,8 (potenza in watt dopo il livellamento pari a quella in voltampere del trasformatore diviso 1,8).
"Non farei mai parte di un club che accettasse la mia iscrizione" (G. Marx)


Torna a “Macchine elettriche”