Buongiorno, cito una parte di articolo trovato in rete
"Diverse reti elettriche in Italia e nel mondo non dispongono del Neutro; in presenza di carichi monofase è necessario generare un Neutro stabile in presenza di carichi squilibrati. Quando non è necessario separare da rete i carichi con un trasformatore di separazione Dyn11 si può utilizzare un autotrasformatore generatore di Neutro, definito impropriamente un autotrasformatore in quanto dal punto di vista costruttivo è un reattore collegato a ZigZag. Quando è necessario adattare anche la tensione di rete (es. da 220 V a 400V trifase) è possibile utilizzare un vero e proprio autotrasformatore in salita con collegamenti a semplice ZigZag o a doppio ZigZag"
La mie domande sono due:
-ho sempre pensato (non so il perché) che l'autotrasformatore funzionasse solo di tipo 'abbassatore' ma a quanto pare come qualsiasi altro trasformatore è possibile mettendo un numero di spire più alto al secondario innalzare anche la tensione.. corretto?
-perchè c'è bisogno di collegare a zig-zag per creare il neutro? cioè non si può semplicemente prender tre induttanze collegarle come un qualsiasi carico e poi dal centro stella prelevare il neutro? sarà una domanda stupida ma che differenza c'è tra quello che ho detto (che probabilmente è un cto-cto trifase secco) e invece collegare un trasformatore o in quel caso autotrasformatore zig zag.
Creazione neutro tramite autotrasformatore
Moderatori:
SandroCalligaro,
mario_maggi,
fpalone
18 messaggi
• Pagina 1 di 2 • 1, 2
0
voti
loganwolverine ha scritto:tre induttanze collegarle come un qualsiasi carico e poi dal centro stella prelevare il neutro?
Tre induttanze separate no, debbono essere avvolte su un medesimo nucleo a tre colonne ed ecco l'autotrasformatore (che poi può lavorare in discesa, in salita o semplicemente passante per creare il neutro).
Se quell'articolo dice che l'avvolgimento migliore in questi casi è a zig-zag avrà i suoi motivi, adesso non posso verificare.
0
voti
⋮ƎlectroYou e non smetti mai di imparare!
0
voti
grazie delle risposte.. ho letto l'articolo ma non capisco una frase
''L'unica possibilità sarebbe quella di inserirle insieme al carico, con un interruttore tripolare. In tal caso le resistenze d'esempio potrebbero essere dimensionate per una corrente pari ad un terzo di quella del carico, 3,33 A nel caso d'esempio, e la potenza dissipata da ognuna sarebbe 2.97*3,33^2=32.5 W.''
come mai inserendole insieme dovrebbe passare quella corrente?? a me non risulta
''L'unica possibilità sarebbe quella di inserirle insieme al carico, con un interruttore tripolare. In tal caso le resistenze d'esempio potrebbero essere dimensionate per una corrente pari ad un terzo di quella del carico, 3,33 A nel caso d'esempio, e la potenza dissipata da ognuna sarebbe 2.97*3,33^2=32.5 W.''
come mai inserendole insieme dovrebbe passare quella corrente?? a me non risulta
-

loganwolverine
130 1 2 7 - Stabilizzato

- Messaggi: 328
- Iscritto il: 17 gen 2011, 12:14
1
voti
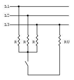
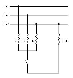
Nel primo caso descritto nell'articolo quanto stacco il carico, la terna di resistenze è comunque alimentata e dissipa la potenza 52,9kW.
Vedi schema seguente:
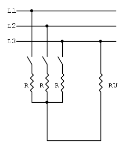
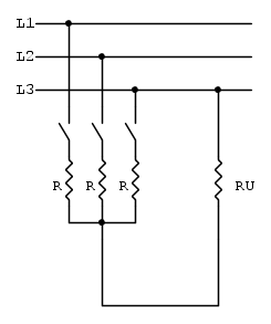
Se sposto l'interruttore a monte delle resistenze ho risolto il problema perché le stesse vengono alimentate esclusivamente insieme al carico.
Vedi schema seguente.
Non so che calcoli facevi ma ora dovrebbe essere chiaro.
Ciao,
Dario
Vedi schema seguente:
Se sposto l'interruttore a monte delle resistenze ho risolto il problema perché le stesse vengono alimentate esclusivamente insieme al carico.
Vedi schema seguente.
Non so che calcoli facevi ma ora dovrebbe essere chiaro.
Ciao,
Dario
⋮ƎlectroYou e non smetti mai di imparare!
0
voti
Chiarissimo grazie, rileggendo la sera stessa e riguardando i calcoli mi ero accorto di cosa intendesse. Mi hai riconfermato quello che avevo immaginato.. GRAZIE! buona giornata!
-

loganwolverine
130 1 2 7 - Stabilizzato

- Messaggi: 328
- Iscritto il: 17 gen 2011, 12:14
0
voti
loganwolverine ha scritto:non capisco una frase
''L'unica possibilità sarebbe quella di inserirle insieme al carico, con un interruttore tripolare. In tal caso le resistenze d'esempio potrebbero essere dimensionate per una corrente pari ad un terzo di quella del carico, 3,33 A nel caso d'esempio, e la potenza dissipata da ognuna sarebbe 2.97*3,332=32.5 W.''
Forse ti riferisci al passo che termina con la frase seguente:
"Non è una strada praticabile" ?
0
voti
in realtà mi è chiaro il discorso e tutto.. ma quel valore di 2,97 non capisco da dove esca.. ed un altro dubbio che mi è venuto ora è il fatto dell'equivalenza monofase.. il carico Ru non potrebbe esser visto come in parallelo alla resistenza che fa capo alla stessa fase? ..
-

loganwolverine
130 1 2 7 - Stabilizzato

- Messaggi: 328
- Iscritto il: 17 gen 2011, 12:14
1
voti
In pratica quel 2,97 deriva dal prodotto di 22*0,136. Nel primo calcolo il 2,97 è arrotondato a 3Ohm.
Questa non l'ho capita.
Al limite fai uno schema.
Ciao,
Dario
loganwolverine ha scritto:.. ed un altro dubbio che mi è venuto ora è il fatto dell'equivalenza monofase.. il carico Ru non potrebbe esser visto come in parallelo alla resistenza che fa capo alla stessa fase? ..
Questa non l'ho capita.
Al limite fai uno schema.
Ciao,
Dario
⋮ƎlectroYou e non smetti mai di imparare!
0
voti
Ciao, ho scritto in allegato un foglio per cercare di essere il piu chiaro possibile. Grazie per le risposte
- Allegati
-
doc05899320160310143402.pdf- (189.69 KiB) Scaricato 546 volte
-

loganwolverine
130 1 2 7 - Stabilizzato

- Messaggi: 328
- Iscritto il: 17 gen 2011, 12:14
18 messaggi
• Pagina 1 di 2 • 1, 2
Chi c’è in linea
Visitano il forum: Nessuno e 15 ospiti

Elettrotecnica e non solo (admin)
Un gatto tra gli elettroni (IsidoroKZ)
Esperienza e simulazioni (g.schgor)
Moleskine di un idraulico (RenzoDF)
Il Blog di ElectroYou (webmaster)
Idee microcontrollate (TardoFreak)
PICcoli grandi PICMicro (Paolino)
Il blog elettrico di carloc (carloc)
DirtEYblooog (dirtydeeds)
Di tutto... un po' (jordan20)
AK47 (lillo)
Esperienze elettroniche (marco438)
Telecomunicazioni musicali (clavicordo)
Automazione ed Elettronica (gustavo)
Direttive per la sicurezza (ErnestoCappelletti)
EYnfo dall'Alaska (mir)
Apriamo il quadro! (attilio)
H7-25 (asdf)
Passione Elettrica (massimob)
Elettroni a spasso (guidob)
Bloguerra (guerra)




