Ciò detto passiamo subito alle mie domande:
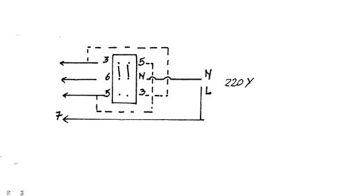
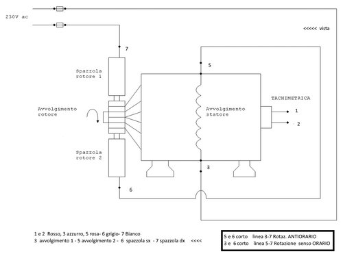
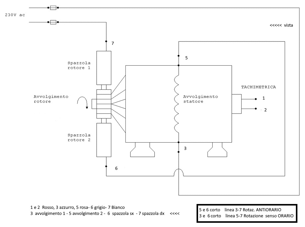
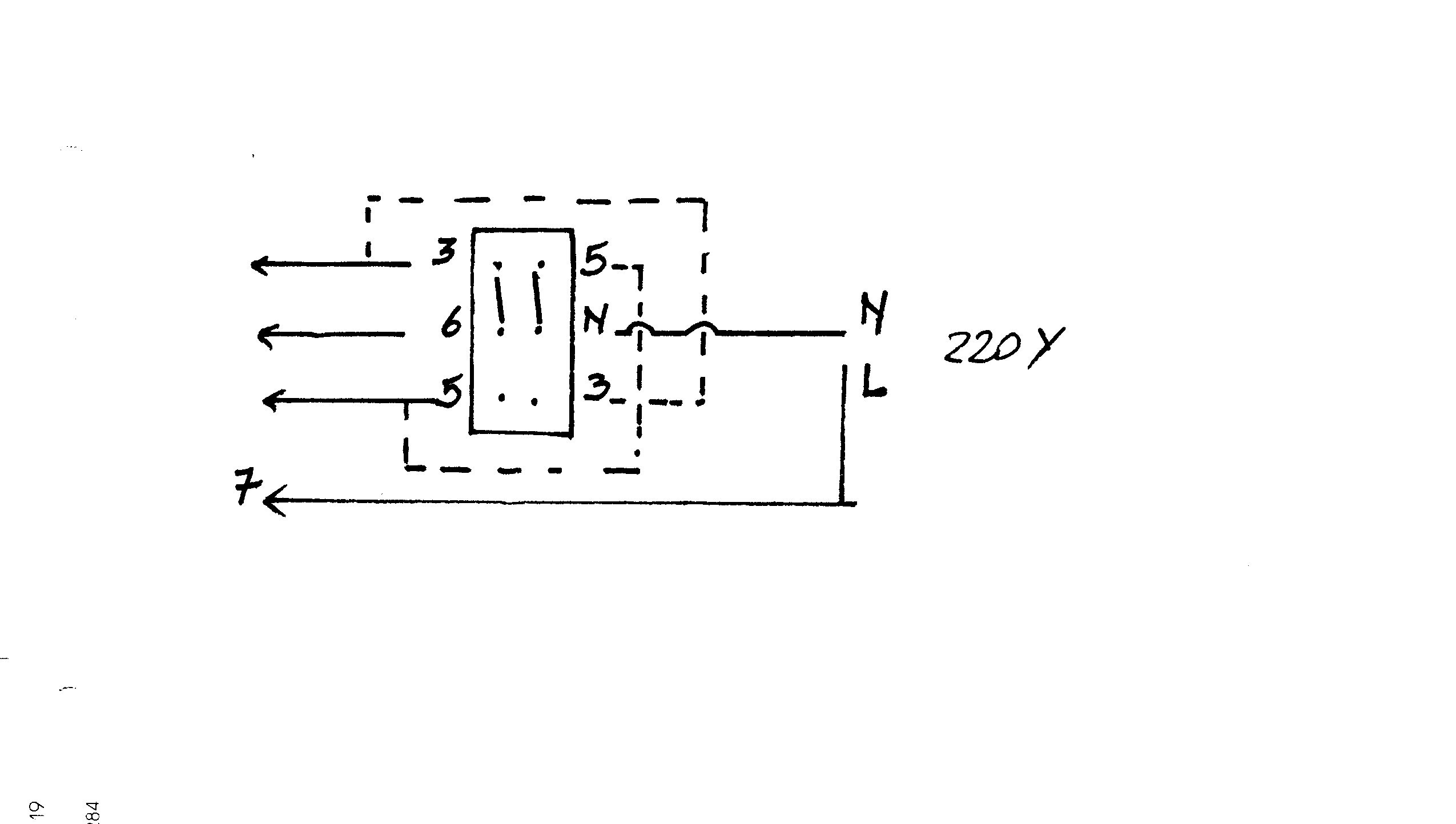
1) devo collegare la morsettiera del motore e mi piacerebbe avere la possibilità di gestire la direzionalità del movimento, da questo schema trovato in rete, verificato a 24 V, tutto Ok.
Ora vorrei aggiungere un interruttore doppio da collegare come da immagine, e qui prima di passare alla fase operativa sarebbe gradito vostro commento . Mi scuso per il disegno moolto artigianale
2) sulla linea vorrei aggiungere anche un dimer per regolare meglio la velocità , ne ho uno per lampade a incandescenza 220 V - 400 watt, secondo voi è idoneo ?
grazie a chi vorrà rispondere.

Elettrotecnica e non solo (admin)
Un gatto tra gli elettroni (IsidoroKZ)
Esperienza e simulazioni (g.schgor)
Moleskine di un idraulico (RenzoDF)
Il Blog di ElectroYou (webmaster)
Idee microcontrollate (TardoFreak)
PICcoli grandi PICMicro (Paolino)
Il blog elettrico di carloc (carloc)
DirtEYblooog (dirtydeeds)
Di tutto... un po' (jordan20)
AK47 (lillo)
Esperienze elettroniche (marco438)
Telecomunicazioni musicali (clavicordo)
Automazione ed Elettronica (gustavo)
Direttive per la sicurezza (ErnestoCappelletti)
EYnfo dall'Alaska (mir)
Apriamo il quadro! (attilio)
H7-25 (asdf)
Passione Elettrica (massimob)
Elettroni a spasso (guidob)
Bloguerra (guerra)




