un carissimo amico si trova in Africa e avrebbe bisogno di aiuto per cercare di far funzionare al meglio un impianto fotovoltaico in isola installato in un villaggio a servizio della comunità locale.
Per ora mi ha inviato alcune fotografie che allego di seguito.
Non ho molte informazioni, però l'impianto dovrebbe essere attualmente in funzione.
Non riescono però a garantire il funzionamento di una pompa sommersa, mi immagino che riescano ad utilizzarlo per alimentare qualche lampadina e niente di più.
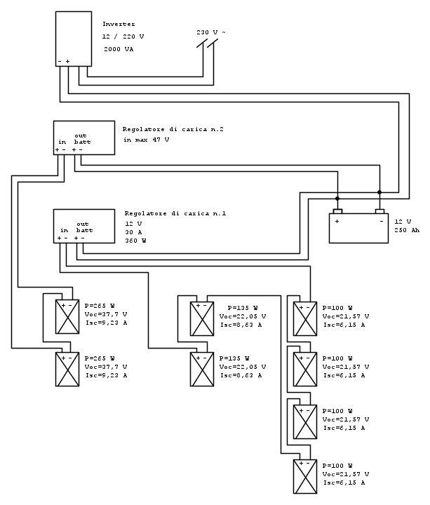
Ho un video in cui si vede che sono presenti n. 8 moduli fotovoltaici (policristallini) che costituiscono il campo.
Fra questi 8 moduli abbiamo almeno n. 3 tipologie: ho intravisto moduli da 100 W, moduli da 135 W ed uno da 265 W
L'inverter (quell'affare blu che si intravede nella fotografia) è un victron energy - Phoenix inverter compact con ingresso 12 V e uscita 230 V (potenza massima in ingresso 2000 VA).
Le batterie che si vedono in fotografie dovrebbero essere state sostituite da un'unica batteria 12 V 250 Ah (spero sia una batteria per storage, ho visto che di quella taglia se ne trovano in commercio).
Prima di provare a disegnare uno schema vorrei discutere alcune cose:
- quei due scatolotti neri che si vedono in foto sono i regolatori di carica (o controller chiamiamoli come vogliamo). Ho i dati di uno solo dei due che riporta in etichetta 12/24 V e 360/720 W;
- del secondo scatolotto (sinistra nella foto) ho trovato il manuale, non conosco il modello quindi potrebbe avere correnti in uscita fra 10 e 30 A, però ho notato che accetta al massimo una tensione del campo fotovoltaici di 47 V;
- ipotizzo un motore (a bordo della pompa sommersa) con potenza pari a 0,75 kW;
- l'inverter avendo una potenza di 2000 VA in ingresso (12 V) credo che sia l'unico componente adeguato (viva le ipotesi), perché presumibilmente, anche considerando un motore collegato a 230 V con fattore di potenza basso, potrebbe fornire direi circa 1200 W a 230 V (considerando un fattore di potenza di 0,6);
- i moduli credo che siano collegati in due gruppi, ognuno ad un diverso regolatore di carica.
Detto questo, inizio a trarre le seguenti conclusioni:
1. non capisco come diavolo hanno collegato i due regolatori di carica, sembra che alimentino le batterie e poi in parallelo anche l'inverter (questo collegamento mi lascia molti dubbi, direi che sarebbe decisamente meglio usare l'uscita dedicata dei regolatori così ho il controllo sulla scarica, così non saprei dire se funziona, ma credo proprio di no). Sicuramente sarebbe preferibile usare un unico regolatore di carica, ma in caso estremo si potrebbero parallelare le uscite verso il carico dei regolatori e collegarle direttamente all'inverter;
2. i moduli, considerando per ipotesi che siano n. 6 da 100 W, n. 1 da 135 W e n. 1 da 265 W, in ogni caso possono fornire al massimo 100x8= 800 W, considerando poi forti perdite per mismatching, direi massimo 600-700 W;
3. considerando il funzionamento continuo del motore da 0,75 kW (cautelativamente 900 W) la batteria si scarica in circa 3 h.
Domanda finale:
non capisco come questo sistema possa gestire la carica/scarica delle batterie visto il suo collegamento. Avete dei suggerimenti?
Dati pochi e ipotesi tante, attendo però ulteriori informazioni dal mio amico, quindi voglio fare una prima analisi.


Elettrotecnica e non solo (admin)
Un gatto tra gli elettroni (IsidoroKZ)
Esperienza e simulazioni (g.schgor)
Moleskine di un idraulico (RenzoDF)
Il Blog di ElectroYou (webmaster)
Idee microcontrollate (TardoFreak)
PICcoli grandi PICMicro (Paolino)
Il blog elettrico di carloc (carloc)
DirtEYblooog (dirtydeeds)
Di tutto... un po' (jordan20)
AK47 (lillo)
Esperienze elettroniche (marco438)
Telecomunicazioni musicali (clavicordo)
Automazione ed Elettronica (gustavo)
Direttive per la sicurezza (ErnestoCappelletti)
EYnfo dall'Alaska (mir)
Apriamo il quadro! (attilio)
H7-25 (asdf)
Passione Elettrica (massimob)
Elettroni a spasso (guidob)
Bloguerra (guerra)









