Gentili utenti di electroyou: ho bisogno del vostro sapere!
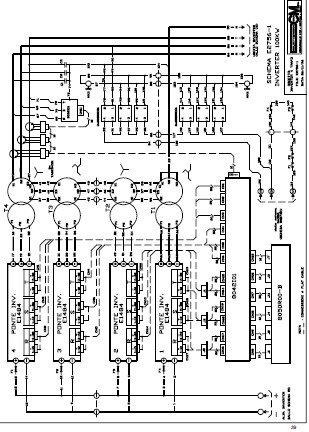
Sono un ferroviere, mi occupo di impianti di sicurezza e segnalamento. Sto stendendo una tesina (per la laurea triennale) sulle UPS per l'alimentazione degli impianti di segnalamento ferroviario. Lo schema elettrico in questione utilizza quattro ponti inverter trifase con le uscite collegate in parallelo: due ponto sono connessi a due trafi Y/Y, mentre gli altri due sono connessi a due trafi Y/zig-zag. Ho cercato in molti testi questo tipo di configurazione, ma non riesco a capire il perché vengano fatti questi collegamenti!!! potete essermi d'aiuto? L'inverter in questione utilizza una modulazione PWM a portante sinusoidale, tipica delle UPS....Ringrazio fin d'ora chi volesse rispondermi
Andrea
UPS TRIFASE
Moderatori:
sebago,
mario_maggi
-
andrea di monti
0 2 - Messaggi: 10
- Iscritto il: 8 ago 2008, 12:49
0
voti
[2] Re: UPS TRIFASE
Leggendo i vostri interventi sugli inverter per impianti FV, noto che anche in questo campo, per esigenze di dimensionamento, è frequente fare il parallelo di due o più ponti. Anche per la "mia" UPS c'è questa esigenza, essendo di taglia 100 kVA. Quello che non capisco sono i trafi in uscita, e il tipo di collegamento.
Allego una copia dello schema elettrico, così chi vuole puòdarci un'occhiata e volendo aiutarmi.
Grazie a tutti
Andrea
Allego una copia dello schema elettrico, così chi vuole puòdarci un'occhiata e volendo aiutarmi.
Grazie a tutti
Andrea
- Allegati
-
- Inverter trifase
- Inverter_3F.jpg (58.03 KiB) Visto 1347 volte

Elettrotecnica e non solo (admin)
Un gatto tra gli elettroni (IsidoroKZ)
Esperienza e simulazioni (g.schgor)
Moleskine di un idraulico (RenzoDF)
Il Blog di ElectroYou (webmaster)
Idee microcontrollate (TardoFreak)
PICcoli grandi PICMicro (Paolino)
Il blog elettrico di carloc (carloc)
DirtEYblooog (dirtydeeds)
Di tutto... un po' (jordan20)
AK47 (lillo)
Esperienze elettroniche (marco438)
Telecomunicazioni musicali (clavicordo)
Automazione ed Elettronica (gustavo)
Direttive per la sicurezza (ErnestoCappelletti)
EYnfo dall'Alaska (mir)
Apriamo il quadro! (attilio)
H7-25 (asdf)
Passione Elettrica (massimob)
Elettroni a spasso (guidob)
Bloguerra (guerra)