Ciao a tutti, un cliente a cui hanno fatto un fotovoltaico ci ha chiesto di eseguire le manutenzioni al suo impianto da 99KW, installato nel 2012 la cui impresa installatrice ora non esiste più.
Lo stabile è dotato di propria cabina MT/bt.
Nel quadro generale sotto gli inverter è presente il DIA4N, collegato ma non comanda nessun dispositivo.
Il comando del teleruttore lo fa invece la protezione di interfaccia ABB CM-UFS.
Siccome abbiamo sempre fatto impianti senza cabina di trasformazione, ho molti dubbi sull'impianto:
Il cliente è considerato autoproduttore MT?
Se è un autoproduttore MT, la protezione di interfaccia ABB CM-UFS è idonea?
Come mai sono presenti sia il DIA4N che l'ABB CM-UFS?
I teleruttori devo essere 1 o 2?
Fotovoltaico e CEI 0-16
Moderatori:
sebago,
mario_maggi
16 messaggi
• Pagina 1 di 2 • 1, 2
1
voti
Se c'è una cabina MT come dici l'interfaccia la dovrebbe fare il relè della SEB , quel relè ABB se non ricordo male andava bene per gli impianti che ricadevano sotto CEI 0-21
0
voti
iaki ha scritto:Il cliente è considerato autoproduttore MT?
Autoproduttore significa altro rispetto a quello che credi. L'impianto comunque è soggetto alle regole degli impianti MT
Se è un autoproduttore MT, la protezione di interfaccia ABB CM-UFS è idonea?
No, come ti ha già detto Massimo
Come mai sono presenti sia il DIA4N che l'ABB CM-UFS?
Non ci sono ragioni tecniche e/o normative
I teleruttori devo essere 1 o 2?
I DI potrebbero essere più d'uno ma in questo caso non avrebbe senso.
-

Giovepluvio
5.978 3 6 10 - G.Master EY

- Messaggi: 2947
- Iscritto il: 21 dic 2010, 1:10
- Località: Mantova
0
voti
Quindi essendo un utenza con cabina propria, la protezione di interfaccia la deve fare il SEB DIA4N e non l'ABB CM-UFS che serviva per impianto connessi in BT CEI 0-21.
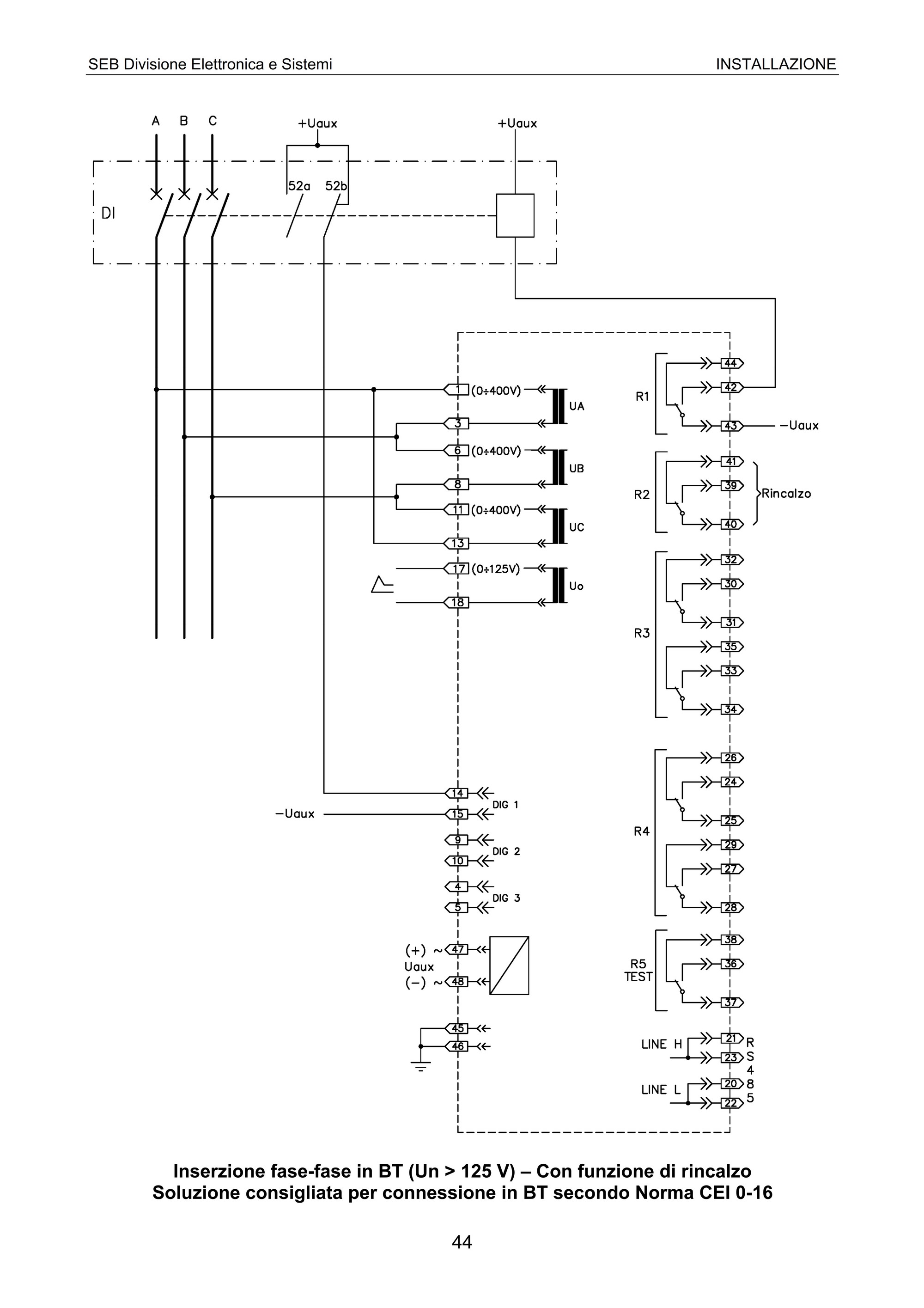
Verificando il cablaggio effettuato ho visto che il SEB DIA4N, è stato collegato usando
lo schema "Inserzione fase-fase in BT (Un > 125 V) – Con funzione di rincalzo
Soluzione consigliata per connessione in BT secondo Norma CEI 0-16 "
Allego lo schema.
Ma ora mi viene un dubbio, come puo essere "connessione in BT secondo Norma CEI 0-16 " quando la connessione BT e a norma CEI0-21?
Avete esperienza in merito?
Verificando il cablaggio effettuato ho visto che il SEB DIA4N, è stato collegato usando
lo schema "Inserzione fase-fase in BT (Un > 125 V) – Con funzione di rincalzo
Soluzione consigliata per connessione in BT secondo Norma CEI 0-16 "
Allego lo schema.
Ma ora mi viene un dubbio, come puo essere "connessione in BT secondo Norma CEI 0-16 " quando la connessione BT e a norma CEI0-21?
Avete esperienza in merito?
0
voti
Poche idee e ben confuse mi pare.
Hai scritto prima che il rele SEB non è collegato a nessun dispositivo. ora dici che fa da rincalzo all'ABB. Chiarisci meglio la situazione.
Hai scritto prima che il rele SEB non è collegato a nessun dispositivo. ora dici che fa da rincalzo all'ABB. Chiarisci meglio la situazione.
-

Giovepluvio
5.978 3 6 10 - G.Master EY

- Messaggi: 2947
- Iscritto il: 21 dic 2010, 1:10
- Località: Mantova
1
voti
Se l'interfaccia è in bassa tensione lo schema di inserzione è quello postato da te, segnale voltmetrico per la minima - massima tensione e frequenza prelevato dalle fasi dell'impianto BT. In media devono esserci i TV a triangolo aperto per il segnale della tensione residua. Anche se l'interfaccia è in bassa si fa sempre riferimento alla CEI 0-16
0
voti
In effetti ho spiegato a metà.
Il SEB è collegato solamente sulla parte di sinistra, dove prende alimentazione e fa le misure.
Morsetti 47-48 e poi morsetti 1 -11 -13 con i lori ponticelli.
Sul lato destro dove ci sono i morsetti per comandare il teleruttore e il rincalzo non c'è collegato nulla.
(quello intendevo con non è collegato a nulla)
Il teleruttore e collegato al dispositivo ABB.
Oltretutto il titolare ci ha detto che il DIA4N è a un paio di mesi che non funziona, è proprio spento.
Massimo, quindi il collegamento va bene. Quindi a questo punto il problema e che bisogna portare il comando del teleruttore sul DIA4N, sui morsetti R1 giusto?
Il dispositivo di rincalzo va inserito in questo caso?
Il SEB è collegato solamente sulla parte di sinistra, dove prende alimentazione e fa le misure.
Morsetti 47-48 e poi morsetti 1 -11 -13 con i lori ponticelli.
Sul lato destro dove ci sono i morsetti per comandare il teleruttore e il rincalzo non c'è collegato nulla.
(quello intendevo con non è collegato a nulla)
Il teleruttore e collegato al dispositivo ABB.
Oltretutto il titolare ci ha detto che il DIA4N è a un paio di mesi che non funziona, è proprio spento.
Massimo, quindi il collegamento va bene. Quindi a questo punto il problema e che bisogna portare il comando del teleruttore sul DIA4N, sui morsetti R1 giusto?
Il dispositivo di rincalzo va inserito in questo caso?
1
voti
La bobina di minima dell'interruttore o la bobina del teleruttore va portata su R1, sui morsetti 14-15 c'è il contatto aux dell'interfaccia. R2 è disponibile per comandare un eventuale dispositivo di rincalzo. Scusa ma mi sembra tutto di una semplicità estrema. Nel tuo caso mi sembra di ricordare che il rincalzo non sia obbligatorio (ma dovrei guardare non ricordo) ma se lo vuoi fare comunque non c'è problema. Significa che con R2 fai sganciare un altro interruttore posto amonte o a valle dell'interfaccia nel caso l'interfaccia non apra. Il contatto aux su 14-15 serve proprio a dire al relè se l'interfaccia ha aperto oppure no
0
voti
Sai non ho mai messo le mani su un impianto con cabina e fotovoltaico, quindi sto cercando di capire come funziona il tutto. La documentazione di progetto è carente, arrivo e mi trovo un DIA4N che non comanda nulla, e la funzione di interfaccia e demandata ad un apparato ABB che va usato in altri casi.
Volevo capire in poche parole se devo eliminare l'ABB CM-UFS e lasciare solo il DIA4N collegato correttamente.
Non capisco perché ci fossero i 2 apparati comunque, cosa ne pensi?
Volevo capire in poche parole se devo eliminare l'ABB CM-UFS e lasciare solo il DIA4N collegato correttamente.
Non capisco perché ci fossero i 2 apparati comunque, cosa ne pensi?
1
voti
penso che dovrebbe esserci un progettista che dovrebbe seguire la cosa....mi sembra che ci sia molta confusione in un impianto che probabilmente è semplicissimo. Di certo se è un impianto con propria cabina l'unico relè di interfaccia che ci deve essere è quello SEB.
16 messaggi
• Pagina 1 di 2 • 1, 2
Torna a Energia e qualità dell'energia
Chi c’è in linea
Visitano il forum: Nessuno e 14 ospiti

Elettrotecnica e non solo (admin)
Un gatto tra gli elettroni (IsidoroKZ)
Esperienza e simulazioni (g.schgor)
Moleskine di un idraulico (RenzoDF)
Il Blog di ElectroYou (webmaster)
Idee microcontrollate (TardoFreak)
PICcoli grandi PICMicro (Paolino)
Il blog elettrico di carloc (carloc)
DirtEYblooog (dirtydeeds)
Di tutto... un po' (jordan20)
AK47 (lillo)
Esperienze elettroniche (marco438)
Telecomunicazioni musicali (clavicordo)
Automazione ed Elettronica (gustavo)
Direttive per la sicurezza (ErnestoCappelletti)
EYnfo dall'Alaska (mir)
Apriamo il quadro! (attilio)
H7-25 (asdf)
Passione Elettrica (massimob)
Elettroni a spasso (guidob)
Bloguerra (guerra)
