ciao a tutti,
devo fare un impianto fotovoltaico superbonus110 su una villetta.
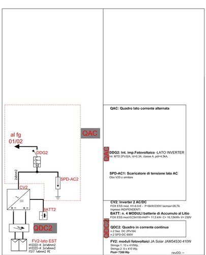
29 pannelli JAsolar da 410w, esposizione su 2 falde est ovest.
sono in monofase, 10kwh accettato da enel
accumulo da circa 28 kWh, con pezzi da 4,1kwh della fox-ess.
mi hanno proposto due inverter ibridi fox-ess:
fox-ess hybrid inverter H1 da 6,0kw
fox-ess hybrid inverter H1 da 4,6 kW
alla mia rimostranza che il secondo inverter doveva essere del tipo hybrid inverter AC1 da 4,6
mi hanno detto che non è reperibile in italia.
ora, se metto due inverter ibridi di quel tipo,
sicuramente la batteria la potrò mettere solo sotto inverter 6 kW, e ho molti dubbi che l'impianto possa funzionare correttamente. mi potete dare una mano? l
il secondo inverter come dovrebbe essere? 'ingegnere a cui purtroppo mi sono affidato, non mi da risposte...
grazie per l'aiuto,
impianto monofase due inverter e accumulo
Moderatori:
sebago,
mario_maggi
1
voti
[5] Re: impianto monofase due inverter e accumulo
Queste cose non si gestiscono a parole.
SI fa riferimento ad una pratica di connessione che ormai dovrebbe essere stata presentata (superbonus su singola unità).
La configurazione non ha molta logica.
Se la pratica è già stata presentata sei vincolato, verifica e poi eventualmente ne discutiamo.
SI fa riferimento ad una pratica di connessione che ormai dovrebbe essere stata presentata (superbonus su singola unità).
La configurazione non ha molta logica.
Se la pratica è già stata presentata sei vincolato, verifica e poi eventualmente ne discutiamo.
0
voti
[6] Re: impianto monofase due inverter e accumulo
GioArca67 ha scritto:Chi lo dice? Enel?
Un inverter ibrido senza batterie funziona come un inverter normale.
me lo dice l'ingegnere, di cui però adesso non ho fiducia e vorrei verificare sentendo consigli.
secondo te pertanto:
la falda ad est con 17 pannelli
collegata ad un inverter ibrido da 6 kW
a sua volta collegato ad un pacco batterie da 28kw
la falda ad avest con 12 pannelli
collegata ad un inverter ibrido 4,6 NON interfacciabile con l'altro inverter
come lavora l'impianto?
mi hanno parlato di pinze amperometriche... non vanno in conflitto i due inverter?
se il pomeriggio la casa richiede corrente, viene prelevata dalla produzione istantanea della falda ovest (inverter 4,6) o dalla batteria della falda est (inverter 6 kW) prodotta la mattina?
c'è modo di riuscire ad immagazzinare l'energia prodotta al pomeriggio?
0
voti
[7] Re: impianto monofase due inverter e accumulo
Danielex ha scritto:Queste cose non si gestiscono a parole.
SI fa riferimento ad una pratica di connessione che ormai dovrebbe essere stata presentata (superbonus su singola unità).
La configurazione non ha molta logica.
Se la pratica è già stata presentata sei vincolato, verifica e poi eventualmente ne discutiamo.
è stata presentata una procedura semplificata, che a detta dell'ingegnere si deve poter ripresentare.
ho però la netta sensazione che la persona a cui mi sono affidato non sia sul pezzo.
e vorrei potermi fare un'idea più precisa.
sono molto amareggiato a fronte di un investimento di circa 45.000€ di non avere un prodotto all'altezza, se potete darmi pareri e consigli, vi sarei grato
1
voti
[9] Re: impianto monofase due inverter e accumulo
Non so dirti come lavorerà l'impianto, non conosco assolutamente i prodotti proposti (mai sentiti nominare).
E' previsto un sistema di misura che comunica con entrambi gli inverter vedo.
C'è da dire che dando un'occhiata alle schede tecniche vedo caratteristiche particolari: hanno tensioni e correnti massime di ingresso molto limitate.
Primo problema: perché rimanere in monofase? Il costo fisso di una fornitura monofase è uguale a quello di una fornitura trifase. Non mi sognerei mai di realizzare un impianto monofase da 10 kW (per motivi che non ripeto, fai una ricerca sul forum in proposito). Non accetto nemmeno le scusanti relative al costo di adeguamento dell'impianto, perché con cifre così alte in ballo risulta praticamente trascurabile.
Secondo problema: scelta dei materiali poco oculata (o meglio, assurda). In questo caso avrei semplicemente optato per un inverter trifase con Pac= 10 kW, un MPPT dedicato alla falda EST ed un MPPT dedicato alla falda OVEST (eventualmente due stringhe in parallelo per ogni MPPT, da valutare in base alle caratteristiche dei moduli scelti). UN sistema di accumulo lato DC (taglia a piacere secondo quanto compatibile con l'inverter).
Il sistema che ti hanno proposto in qualche modo funzionerà, ma sicuramente non c'è una logica e viste le cifre in gioco forse conviene ragionarci (anche se i tempi non sono stretti, di più).
La cosa positiva è che in questo momento dalle mie parti ci sono molti materiali disponibili a magazzino per via di ordini annullati.
Ti consiglio di fare una chiacchierata a quattr'occhi con progettista e installatore.

E' previsto un sistema di misura che comunica con entrambi gli inverter vedo.
C'è da dire che dando un'occhiata alle schede tecniche vedo caratteristiche particolari: hanno tensioni e correnti massime di ingresso molto limitate.
Primo problema: perché rimanere in monofase? Il costo fisso di una fornitura monofase è uguale a quello di una fornitura trifase. Non mi sognerei mai di realizzare un impianto monofase da 10 kW (per motivi che non ripeto, fai una ricerca sul forum in proposito). Non accetto nemmeno le scusanti relative al costo di adeguamento dell'impianto, perché con cifre così alte in ballo risulta praticamente trascurabile.
Secondo problema: scelta dei materiali poco oculata (o meglio, assurda). In questo caso avrei semplicemente optato per un inverter trifase con Pac= 10 kW, un MPPT dedicato alla falda EST ed un MPPT dedicato alla falda OVEST (eventualmente due stringhe in parallelo per ogni MPPT, da valutare in base alle caratteristiche dei moduli scelti). UN sistema di accumulo lato DC (taglia a piacere secondo quanto compatibile con l'inverter).
Il sistema che ti hanno proposto in qualche modo funzionerà, ma sicuramente non c'è una logica e viste le cifre in gioco forse conviene ragionarci (anche se i tempi non sono stretti, di più).
La cosa positiva è che in questo momento dalle mie parti ci sono molti materiali disponibili a magazzino per via di ordini annullati.
Ti consiglio di fare una chiacchierata a quattr'occhi con progettista e installatore.

0
voti
[10] Re: impianto monofase due inverter e accumulo
grazie danielex,
sei stato molto chiaro ed esaustivo.
sono ahimè rimasto in monofase perché consigliato dal progettista, che mi ha detto a fine settembre che per motivi di tempo non avremmo potuto fare altro che una pratica semplificata (tenete conto che l'ho incaricato a maggio...).
ho pagatomi pare 700€ per il passaggio immediato da 3,5 a 10 kW, a fine settembre, e poi ci siamo indirizzari su inverter monofase.
ora ti domando, secondo la tua esperienza:
ho tempo a passare in trifase?
ho i tempi tecnici per ripresentare la domanda?
grazie in anticipo
sei stato molto chiaro ed esaustivo.
sono ahimè rimasto in monofase perché consigliato dal progettista, che mi ha detto a fine settembre che per motivi di tempo non avremmo potuto fare altro che una pratica semplificata (tenete conto che l'ho incaricato a maggio...).
ho pagatomi pare 700€ per il passaggio immediato da 3,5 a 10 kW, a fine settembre, e poi ci siamo indirizzari su inverter monofase.
ora ti domando, secondo la tua esperienza:
ho tempo a passare in trifase?
ho i tempi tecnici per ripresentare la domanda?
grazie in anticipo

Elettrotecnica e non solo (admin)
Un gatto tra gli elettroni (IsidoroKZ)
Esperienza e simulazioni (g.schgor)
Moleskine di un idraulico (RenzoDF)
Il Blog di ElectroYou (webmaster)
Idee microcontrollate (TardoFreak)
PICcoli grandi PICMicro (Paolino)
Il blog elettrico di carloc (carloc)
DirtEYblooog (dirtydeeds)
Di tutto... un po' (jordan20)
AK47 (lillo)
Esperienze elettroniche (marco438)
Telecomunicazioni musicali (clavicordo)
Automazione ed Elettronica (gustavo)
Direttive per la sicurezza (ErnestoCappelletti)
EYnfo dall'Alaska (mir)
Apriamo il quadro! (attilio)
H7-25 (asdf)
Passione Elettrica (massimob)
Elettroni a spasso (guidob)
Bloguerra (guerra)



