Ho impianto fotovoltaico da 5KW, senza accumulo con scambio sul posto (senza bonus, ecc....)
Potenza Enel 3,3. Inverter ZUCCHETTI con ultimo aggiornamento del firmware.
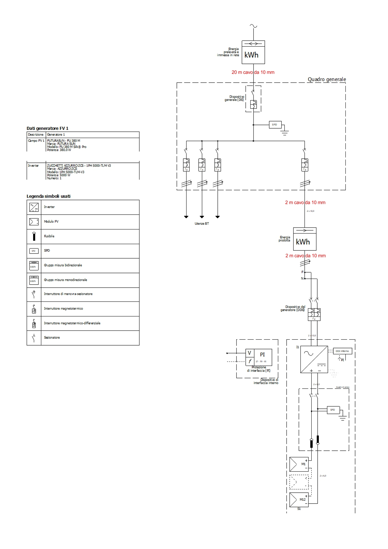
La linea tra contatore di scambio a quadro elettrico ha una lunghezza di circa 20 metri, con cavo da 10mm
La linea tra contatore di produzione e inverter ha una lunghezza di circa 4 metri, sezione sempre da 10 mm.
Ho esagerato un po', e va bene.
L'inverter si stacca e si riavvia, quanto raggiunge la massima tensione. Cosa fare in questo caso. Chiedere una verifica della tensione a ENEL.
Vi allego il grafico della tensione di oggi, è arrivata a circa 260V, con una produzione di circa 4100 W.
Se collego un carico, ad esempio una lavatrice, eccc... la tensione scende.
Quali soluzioni per inverter che stacca causa tensione alta?
Moderatori:
sebago,
mario_maggi
0
voti
Chiedi verifica a e-distribuzione tramite il tuo fornitore di energia. Se confermano la conformità l'unico modo è dotarsi di uno stabilizzatore di tensione, di quelli seri.
--
Michele Lysander Guetta
--
"Non pensare mai al dolore, al pericolo o ai nemici un momento più lungo del necessario per combatterli." — Ayn Rand
Michele Lysander Guetta
--
"Non pensare mai al dolore, al pericolo o ai nemici un momento più lungo del necessario per combatterli." — Ayn Rand
-

Mike
55,6k 7 10 12 - G.Master EY

- Messaggi: 17006
- Iscritto il: 1 ott 2004, 18:25
- Località: Conegliano (TV)
0
voti
Grazie per la risposta, cerco di sentire enel, ma credo per un monitoraggio della tensione enel mi farà pagare sicuramente qualcosa.
Per gli stabilizzatori di tensione, ci ho pensato anch'io. Cosa mi consigli?
Per gli stabilizzatori di tensione, ci ho pensato anch'io. Cosa mi consigli?
0
voti
lagose ha scritto:Grazie per la risposta, cerco di sentire enel, ma credo per un monitoraggio della tensione enel mi farà pagare sicuramente qualcosa.
Devi pagare solo se trovano tutto regolare.
lagose ha scritto:Per gli stabilizzatori di tensione, ci ho pensato anch'io. Cosa mi consigli?
questo
--
Michele Lysander Guetta
--
"Non pensare mai al dolore, al pericolo o ai nemici un momento più lungo del necessario per combatterli." — Ayn Rand
Michele Lysander Guetta
--
"Non pensare mai al dolore, al pericolo o ai nemici un momento più lungo del necessario per combatterli." — Ayn Rand
-

Mike
55,6k 7 10 12 - G.Master EY

- Messaggi: 17006
- Iscritto il: 1 ott 2004, 18:25
- Località: Conegliano (TV)
1
voti
lagose ha scritto:La linea tra contatore di scambio a quadro elettrico ha una lunghezza di circa 20 metri, con cavo da 10mm
Cosa Intendi per quadro elettrico? Quello principale di casa?
lagose ha scritto:La linea tra contatore di produzione e inverter ha una lunghezza di circa 4 metri, sezione sempre da 10 mm.
E fra contatore di produzione e impianto di casa? Hai collegato l'inverter al contatore di scambio direttamente o sai andato al quadro elettrico di casa? In sostanza dal contatore di scambio hai due linee (casa, inverter) o una sola
lagose ha scritto:Vi allego il grafico della tensione di oggi,
Che valori hai di notte? Non c'è la scala verticale e non si capisce.
Anche se hai ragione, è non ti faranno pagare la verifica, risolvere tramite loro sarà problematico.
C'è molta produzione distribuita in zona?
L'inverter è ibrido o classico?
0
voti
Inverter di stringa: ZUCCHETTI
Potenza Enel: 3,3 kW
Potenza Fotovoltaico: 5 kW
Quando sto alla massima produzione, aumenta la tensione e l'inverter si stacca. Se collego un carico, (lavatrice, ecc...) la tensione scende e l'inverter non stacca.
Si verifica quanto, metto in rete energia, non di pochi watt, ma intorno a 4 kW.
Allego lo schema elettrico e il grafico della tensione.
Potenza Enel: 3,3 kW
Potenza Fotovoltaico: 5 kW
Quando sto alla massima produzione, aumenta la tensione e l'inverter si stacca. Se collego un carico, (lavatrice, ecc...) la tensione scende e l'inverter non stacca.
Si verifica quanto, metto in rete energia, non di pochi watt, ma intorno a 4 kW.
Allego lo schema elettrico e il grafico della tensione.
1
voti
GioArca67 ha scritto:È bidirezionale?
Sembrerebbe di sì, lo hai mai provato?
Sai quanto costa indicativamente per 5kW?
L'inverter si sincronizza con la tensione di rete per cui bidirezionale non è il termine corretto, in ogni caso funziona perfettamente. Lo stabilizzatore più piccolo monofase è da 8kVA, di listino costava 7mila euro (nel 2019).
--
Michele Lysander Guetta
--
"Non pensare mai al dolore, al pericolo o ai nemici un momento più lungo del necessario per combatterli." — Ayn Rand
Michele Lysander Guetta
--
"Non pensare mai al dolore, al pericolo o ai nemici un momento più lungo del necessario per combatterli." — Ayn Rand
-

Mike
55,6k 7 10 12 - G.Master EY

- Messaggi: 17006
- Iscritto il: 1 ott 2004, 18:25
- Località: Conegliano (TV)
2
voti
Mike ha scritto:L'inverter si sincronizza con la tensione di rete per cui bidirezionale non è il termine corretto, in ogni caso funziona perfettamente.
Dipendendo da dove metti lo stabilizzatore potrebbe avere la necessità di far passare energia nei due sensi (ad es. prelievo ed immissione) e potrebbe non regolare con la corrente sfasata per più di 90 gradi.
Mike ha scritto:costava 7mila euro
Mi sembra improponibile.
lagose ha scritto:il grafico della tensione
hai la tensione molto elevata in generale, forse sei vicino alla cabina di trasformazione. Temo che con Enel difficilmente risolverai, non abbasseranno il trasformatore solo per te.
Visto che hai un data logger, verifica nel tempo cosa succede: cerca se riesci a determinare le tensioni minime ogni giorno e vedi l'andamento. Se rimani sempre fra 230 e 240V potresti mettere un autotrasformatore dopo il contatore di scambio per abbassare la tensione di un 7% in modo che quando immetti non si alzi in casa oltre i 253V per 10 minuti o 264V (soglia 59.S2) e di notte non ti scende troppo sotto il nominale (con 230V in rete staresti a circa 214V, con 220 V arrivi a 204V, un po' bassina ma ancora accettabile: ci sono tanti che stanno spesso sotto i 200V) eventualmente (ad es. se vai sotto i 220 V quando non immetti) potresti bypassarlo ed attivarlo solo quando produci più di 2kW ad es.
Se hai un inverter ibrido potresti pensare di livellare un po' l'immissione ed aggiungere delle batterie.
Non sono sicuro ma mi sembra che il tuo inverter possa comunque limitare l'immissione in rete, devi aggiungere un TA (misuratore di corrente).
Nel frattempo che non risolvi attiva la limitazione dell'immissione a 3,5kW, è quasi istantanea e si autoregola col carico, quindi se consumi molto lascia l'inverter produrre anche al massimo. Ma è molto meglio ai fini della produzione generale limitare l'inverter piuttosto che farlo proprio fermare poiché per la CEI0-21 poi aspetta 5 minuti prima di riattivarsi e perdi molto di più che lasciandolo limitare.
2
voti
Questa è una problematica molto comune dalle mie parti.
In zone di campagna o in montagna la maggior parte degli impianti FV hanno problemi con la soglia 59.S1 (253 V).
Il problema si verifica perché l'impedenza della linea del distributore è molto elevata.
L'OP dice che se attiva dei carichi il problema si riduce.
E' la conferma.
QUesto tipo di problemi si avverte nel momento in cui avviene una buona immissione in rete, quindi aumenta la caduta di tensione sulla linea del distributore.
COnsiderate che:
- è necessario richiedere al proprio fornitore la verifica dei parametri di rete;
- tale verifica è gratuita se avviene almeno uno sforamento su 7 gg per + 10 % o -15 % sulla tensione di rete (230 V);
- è ovviamente necessario disabilitare le soglie dell'inverter CEI 0-21 per il periodo di prova (concordandolo con i tecnici del distributore di zona) altrimenti la prova è inutile;
- se avviene lo sforamento, il distributore è OBBLIGATO a procedere con l'adeguamento della linea entro 50 gg al netto delle autorizzazioni.
p.s. ho già seguito numerose pratiche di questo tipo, e se l'inverter rileva il superamento della 59.S1 ovviamente il cliente ottiene il rifacimento della linea, che avverrà senza problemi (con i soliti ritardi ma ci siamo abituati).
In zone di campagna o in montagna la maggior parte degli impianti FV hanno problemi con la soglia 59.S1 (253 V).
Il problema si verifica perché l'impedenza della linea del distributore è molto elevata.
L'OP dice che se attiva dei carichi il problema si riduce.
E' la conferma.
QUesto tipo di problemi si avverte nel momento in cui avviene una buona immissione in rete, quindi aumenta la caduta di tensione sulla linea del distributore.
COnsiderate che:
- è necessario richiedere al proprio fornitore la verifica dei parametri di rete;
- tale verifica è gratuita se avviene almeno uno sforamento su 7 gg per + 10 % o -15 % sulla tensione di rete (230 V);
- è ovviamente necessario disabilitare le soglie dell'inverter CEI 0-21 per il periodo di prova (concordandolo con i tecnici del distributore di zona) altrimenti la prova è inutile;
- se avviene lo sforamento, il distributore è OBBLIGATO a procedere con l'adeguamento della linea entro 50 gg al netto delle autorizzazioni.
p.s. ho già seguito numerose pratiche di questo tipo, e se l'inverter rileva il superamento della 59.S1 ovviamente il cliente ottiene il rifacimento della linea, che avverrà senza problemi (con i soliti ritardi ma ci siamo abituati).
Torna a Energia e qualità dell'energia
Chi c’è in linea
Visitano il forum: Nessuno e 75 ospiti

Elettrotecnica e non solo (admin)
Un gatto tra gli elettroni (IsidoroKZ)
Esperienza e simulazioni (g.schgor)
Moleskine di un idraulico (RenzoDF)
Il Blog di ElectroYou (webmaster)
Idee microcontrollate (TardoFreak)
PICcoli grandi PICMicro (Paolino)
Il blog elettrico di carloc (carloc)
DirtEYblooog (dirtydeeds)
Di tutto... un po' (jordan20)
AK47 (lillo)
Esperienze elettroniche (marco438)
Telecomunicazioni musicali (clavicordo)
Automazione ed Elettronica (gustavo)
Direttive per la sicurezza (ErnestoCappelletti)
EYnfo dall'Alaska (mir)
Apriamo il quadro! (attilio)
H7-25 (asdf)
Passione Elettrica (massimob)
Elettroni a spasso (guidob)
Bloguerra (guerra)




