Simulazione SPICE di un circuito per l'MPPT

Fonti energetiche e produzione e fornitura dell'energia elettrica.

Moderatori: Foto Utentesebago, Foto Utentemario_maggi

Avatar utente
Foto Utentepepri28
0 2
Messaggi: 1
Iscritto il: 6 mar 2024, 9:05
0
voti

[1] Simulazione SPICE di un circuito per l'MPPT

Messaggioda Foto Utentepepri28 » 6 mar 2024, 22:29

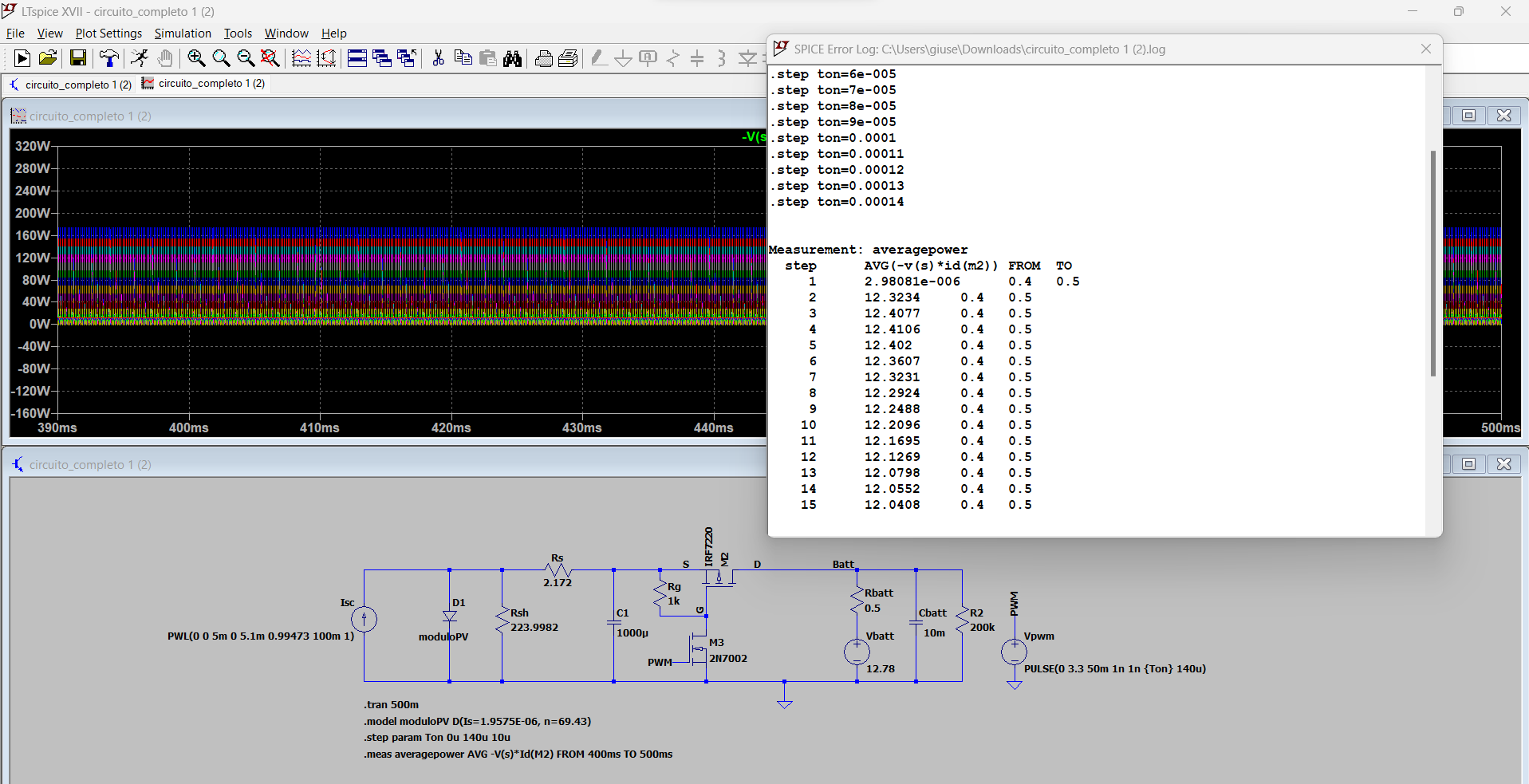
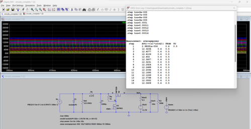
Ciao a tutti, c'è qualcuno che ha esperienza con simulazioni SPICE di sistemi fotovoltaici? Ho dei dubbi sulla simulazione di un circuito dove ho un pannello (rappresentato con il modello a singolo diodo come segue), una rete switching per il MPPT, una batteria ricaricabile da 12 V (modellata con un generatore di tensione, un resistenza serie e un condensatore) e un carico da 200kOhm. Sto provando a fare un’analisi parametrica dove valuto la potenza media fornita alla batteria V(s)*Id(M2) per vari duty cycle del PWM di controllo dell’NMOS, facendo variare il Ton di questo segnale (di periodo 140us) da 0 a 140us con uno step incrementale di 10 us. Conoscendo l’andamento della potenza fornita da un pannello PV, mi aspetterei che la potenza aumenti all’aumentare del Ton, raggiunga un massimo, e poi inizi a decrescere. Nell’analisi, vedo che ho subito il punto di massima potenza con un duty cycle estremamente basso (Ton=10 us), successivamente la potenza diminuisce. Vorrei sapere il perché di un comportamento del genere, se c'è magari qualche errore e come mai questi valori di potenza sono così vicini tra di loro (il primo valore corrisponde a Ton=0, poi Ton=10us,...)? Grazie mille.
Allegati
domanda.png
Valori di potenza media per Ton crescenti.
circuito spice.png
Circuito per la simulazione.
Ultima modifica di Foto UtenteFranco012 il 7 mar 2024, 0:06, modificato 1 volta in totale.
Motivazione: Corretto titolo di sole lettere maiuscole

Avatar utente
Foto UtenteIsidoroKZ
121,2k 1 3 8
G.Master EY
G.Master EY
Messaggi: 21059
Iscritto il: 17 ott 2009, 0:00
2
voti

[2] Re: Simulazione SPICE di un circuito per l'MPPT

Messaggioda Foto UtenteIsidoroKZ » 6 mar 2024, 23:07

Il circuito che stai simulando non e` uno switching, magari un buck, ma un semplice interruttore fra sorgente e batteria che scalda come un dannato (poverino).

L'MPPT deve essere un circuito ad elevato rendimento: nello schema non c'e` nessun induttore e diodo. Se la tensione delle celle e` sempre maggiore della tensione di batteria, puoi usare una topologia buck, e poi probabilmente vedrai l'effetto di punto di massima potenza.

Se ti interessano le prestazioni "complessive" del circuito, il mio suggerimento e` di non simulare un convertitore a commutazione ciclo per ciclo, si diventa vecchi e non se ne ricavano informazioni utili. Potrebbe essere piu` conveniente simulare solo il comportamento medio dello switching, facendo una sorta di trasformatore in continua con due generatore pilotati, uno di tensione e uno di corrente.

Credo che Chris Basso nel suo sito abbia dei modelli spice gia` pronti e svariati link all'argomento.
Per usare proficuamente un simulatore, bisogna sapere molta più elettronica di lui
Plug it in - it works better!
Il 555 sta all'elettronica come Arduino all'informatica! (entrambi loro malgrado)
Se volete risposte rispondete a tutte le mie domande


Torna a “Energia e qualità dell'energia”