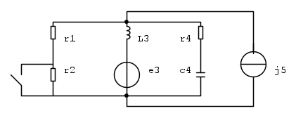
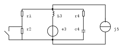
Assumendo che la rete per t<0 operi in regime permanente, determinare la potenza istantanea erogata dall'induttore
Il circuito è il seguente con l'interruttore che si chiude a t=0, non ho problemi a ricavare le condizioni iniziali, successivamente per t>0 non riesco a ricavare l'equazione differenziale. Scrivendo le LKT e LKC al circuito resistivo associato per ricavare l'integrale generale dell'omogenea associata. Qualcuno sa dirmi come ricavarla?
RLC secondo ordine non riconducibile in serie o parallelo
Moderatori:
g.schgor,
IsidoroKZ
13 messaggi
• Pagina 1 di 2 • 1, 2
0
voti
Potresti usare la sovrapposizione degli effetti...
1
voti

"Non farei mai parte di un club che accettasse la mia iscrizione" (G. Marx)
-

claudiocedrone
21,3k 4 7 9 - Master EY

- Messaggi: 15306
- Iscritto il: 18 gen 2012, 13:36
0
voti
Considerando il circuito resistivo associato scrivo:
LKT maglia 1 :

LKC nodo A:

LKT maglia 2 :

Da qui le equazioni caratteristiche delle variabili di stato:


Combinandole non riesco a liberarmi di vc.
chiedo scusa è la prima volta che utilizzo fido cad, se potete consigliarmi una buona libreria, ho utilizzato quella che di base dell'installazione windows
0
voti

"Non farei mai parte di un club che accettasse la mia iscrizione" (G. Marx)
-

claudiocedrone
21,3k 4 7 9 - Master EY

- Messaggi: 15306
- Iscritto il: 18 gen 2012, 13:36
2
voti
pakkiotto ha scritto:... Da qui le equazioni caratteristiche delle variabili di stato:...
... non riesco a liberarmi di vc.
Premesso che ho dei dubbi su quelle equazioni che (perdonami) sono incomprensibili, non ti serve liberarti di nessuno, in quanto dalla matrice dei coefficienti di quel sistema stai un attimo a ricavarti direttamente i due autovalori.
"Il circuito ha sempre ragione" (Luigi Malesani)
0
voti
RenzoDF ha scritto:Premesso che ho dei dubbi su quelle equazioni che (perdonami) sono incomprensibili, non ti serve liberarti di nessuno, in quanto dalla matrice dei coefficienti di quel sistema stai un attimo a ricavarti direttamente i due autovalori.
Il problema è questo, non li ho mai risolti utilizzando la matrice dei coefficienti, potresti indicarmi come si fa oppure un testo dove è spiegato bene? grazie.
2
voti
Una volta scritto correttamente il sistema, avrai qualcosa del tipo


Dalla matrice dei coefficienti

potrai ricavarti i due autovalori risolvendo la seguente equazione (in questo caso di secondo grado),
che è identica a quella ricavabile via equazione differenziale del secondo ordine (ottenibile dal sistema via esplicitazione, derivazione e sostituzione).
Per un esempio numerico, dai un occhio al seguente thread
viewtopic.php?f=2&t=69388&start=10#p714598


Dalla matrice dei coefficienti

potrai ricavarti i due autovalori risolvendo la seguente equazione (in questo caso di secondo grado),
che è identica a quella ricavabile via equazione differenziale del secondo ordine (ottenibile dal sistema via esplicitazione, derivazione e sostituzione).
Per un esempio numerico, dai un occhio al seguente thread
viewtopic.php?f=2&t=69388&start=10#p714598
"Il circuito ha sempre ragione" (Luigi Malesani)
0
voti
" la interpreto come "
" ovvero unità immaginaria tanto è vero che in un thread ho invitato l'utente a usare "
" per evitare confusione... ora attendo con rassegnazione eventuali flagellazioni

"Non farei mai parte di un club che accettasse la mia iscrizione" (G. Marx)
-

claudiocedrone
21,3k 4 7 9 - Master EY

- Messaggi: 15306
- Iscritto il: 18 gen 2012, 13:36
2
voti
"Il circuito ha sempre ragione" (Luigi Malesani)
13 messaggi
• Pagina 1 di 2 • 1, 2
Torna a Elettrotecnica generale
Chi c’è in linea
Visitano il forum: Nessuno e 13 ospiti

Elettrotecnica e non solo (admin)
Un gatto tra gli elettroni (IsidoroKZ)
Esperienza e simulazioni (g.schgor)
Moleskine di un idraulico (RenzoDF)
Il Blog di ElectroYou (webmaster)
Idee microcontrollate (TardoFreak)
PICcoli grandi PICMicro (Paolino)
Il blog elettrico di carloc (carloc)
DirtEYblooog (dirtydeeds)
Di tutto... un po' (jordan20)
AK47 (lillo)
Esperienze elettroniche (marco438)
Telecomunicazioni musicali (clavicordo)
Automazione ed Elettronica (gustavo)
Direttive per la sicurezza (ErnestoCappelletti)
EYnfo dall'Alaska (mir)
Apriamo il quadro! (attilio)
H7-25 (asdf)
Passione Elettrica (massimob)
Elettroni a spasso (guidob)
Bloguerra (guerra)





