Salve a tutti,
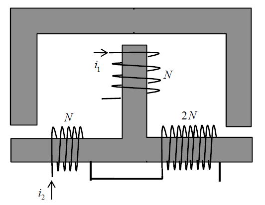
vi pongo un quesito riguardante la risoluzione di un circuito magnetico, del quale vengono chiesti i coefficienti di auto e mutua induzione dei due avvolgimenti.
Questo sarebbe il suo equivalente elettrico, assumendo la riluttanza dei traferri pari a R0 e la riluttanza del ferro trascurabile.
Le maglie evidenziate sono quelle scelte per la risoluzione; i flussi ottenuti sono questi, dove battezzo in questo modo i termini: A=2N/3R0; B=C=N/3R0; D=5N/3R0
La mie osservazioni sono 2:
1) se anziché queste, avessi scelto le due maglie adiacenti, con i flussi presi in verso orario, avrei ottenuto: A=-N/3R0, B=4N/3R0, C=N/3R0, D=5N/3R0.
Questi risultati sono evidentemente sbagliati, perché da queste equazioni dei flussi, moltiplicando per N dovrò ottenere i flussi concatenati, che mi daranno i termini di auto e mutua induzione, perciò non posso avere né A<0 né B diverso da C, in quanto B e C rappresenteranno i termini della mutua induttanza e dovranno essere uguali.
Però io mi chiedo: quando uno risolve un circuito, non può scegliere le maglie che vuole?
Non sarei dovuta arrivare allo stesso risultato postato sopra, anche scegliendo altre 2 maglie?
2) una volta considerati i flussi dell'allegato 3, io per ottenere i flussi concatenati e quindi i termini L11, L22 e M (auto e mutua induzione) avrei semplicemente moltiplicato per N prima e seconda equazione; perciò avrei avuto A=L11, B=C=M, D=L22;
ebbene, nella risoluzione si usa un altro procedimento una volta ottenuti i due flussi concatenati;
il flusso concatenato 1 si ottiene moltiplicando per N, ma per il flusso concatenato 2 viene usata una strana equazione che non riesco a spiegarmi:
FC2 = 2N*F1+N(F2-F1)
(dove assumo F lettera greca Fi che rappresenta il flusso, quindi FC=flusso concatenato, F=flusso, con i rispettivi pedici)
Quindi mi chiedo: da cosa nasce questa operazione?
Sicuramente dipende da come sono disposte le maglie, ma sinceramente non mi sarebbe mai venuto in mente... se qualcuno mi può illuminare gliene sarei grata.
Chiedo scusa per il messaggio lunghissimo, spero comprensibile a chi ha studiato i circuiti magnetici in elettrotecnica! Grazie!
Circuito magnetico
Moderatori:
g.schgor,
IsidoroKZ
9 messaggi
• Pagina 1 di 1
0
voti
pinklady ha scritto:Però io mi chiedo: quando uno risolve un circuito, non può scegliere le maglie che vuole?
Non sarei dovuta arrivare allo stesso risultato postato sopra, anche scegliendo altre 2 maglie?
Ovviamente, ma se cambi le scelte per i flussi di maglia e li prendi per esempio orari entrambi, nel secondo metodo con maglie elementari affiancate troverai che il primo flusso sara' diverso da quello calcolato in precedenza, ovvero

e i risultati che hai calcolato con la seconda scelta per le convenzioni sui flussi, non sono per nulla
anzi sono completamente corretti"evidentemente errati"
pinklady ha scritto:... ebbene, nella risoluzione si usa un altro procedimento una volta ottenuti i due flussi concatenati; il flusso concatenato 1 si ottiene moltiplicando per N, ma per il flusso concatenato 2 viene usata una strana equazione che non riesco a spiegarmi:
FC2 = 2N*F1+N(F2-F1)... mi chiedo: da cosa nasce questa operazione?
chiaramente una volta calcolati i flussi, per calcolare i coefficienti di auto e mutua induzione bisognera' considerare i flussi concatenati con gli stessi e quindi
a) moltipplicare solo per N il flusso che si concatena con il primo avvolgimento

b) mentre per il secondo avvolgimento il flusso concatenato totale sara' dato dalla somma dei due flussi concatenati parziali, ovvero

in quanto mentre la semi-parte di destra viene a concatenarsi solo con
,la semi-parte di sinistra si concatena con
. BTW noi preferiamo schemi con FidoCadJ ed equazioni in codice Tex
"Il circuito ha sempre ragione" (Luigi Malesani)
0
voti
Grazie mille Renzo, sì so che non dovrei postare con allegati, ma non ho ancora imparato ad usare le altre forme per postare le equazioni... prometto che mi informerò!!!
Senti, ma quindi, se mi dici che sono corrette, significa che se io ho scelto quelle maglie, posso comunque arrivare al risultato corretto?
Avrei dovuto ottenere L11=2N^2/3R0, L22=14N^2/3R0, M=N^2/3R0.
Ciò significa che una volta arrivata ai due flussi che tu ritieni essere corretti, avrei dovuto scrivere quelle equazioni per ricavare i flussi concatenati?
Perché io per ricavare i flussi concatenati avrei moltiplicato per N prima e seconda equazione, ma non sarei arrivata al risultato corretto, dovrei appunto scrivere i flussi come hai detto tu.
Quindi, siccome stiamo parlando di un compito, la parte prima di ricavare i flussi concatenati dovrebbe essere corretta! Questa considerazione potrebbe valere il passaggio o meno dell'esame!
Ti ringrazio!
Senti, ma quindi, se mi dici che sono corrette, significa che se io ho scelto quelle maglie, posso comunque arrivare al risultato corretto?
Avrei dovuto ottenere L11=2N^2/3R0, L22=14N^2/3R0, M=N^2/3R0.
Ciò significa che una volta arrivata ai due flussi che tu ritieni essere corretti, avrei dovuto scrivere quelle equazioni per ricavare i flussi concatenati?
Perché io per ricavare i flussi concatenati avrei moltiplicato per N prima e seconda equazione, ma non sarei arrivata al risultato corretto, dovrei appunto scrivere i flussi come hai detto tu.
Quindi, siccome stiamo parlando di un compito, la parte prima di ricavare i flussi concatenati dovrebbe essere corretta! Questa considerazione potrebbe valere il passaggio o meno dell'esame!
Ti ringrazio!
0
voti
Se usi la seconda convenzione, ovvero consideri i flussi orari sulle maglie elementari, i due flussi concatenati cambiano di conseguenza in questo modo

ma alla fine dei calcoli vedrai che ricavi gli stessi coefficienti con entrambi i metodi
Le convenzioni per i flussi puoi sceglierla arbitrariamente, ma poi, come succede anche per le correnti di maglia, a seconda della convenzione iniziale, cambieranno le relazioni che ti faranno passare alle vere correnti (flussi) di ramo, che sono quelli che realmente circolano nel tronco magnetico.
BTW per il segno del flusso concatenato ti consiglio di considerare "positivo" il verso concorde a quello associato ad una corrente positiva nello stesso.

ma alla fine dei calcoli vedrai che ricavi gli stessi coefficienti con entrambi i metodi
Le convenzioni per i flussi puoi sceglierla arbitrariamente, ma poi, come succede anche per le correnti di maglia, a seconda della convenzione iniziale, cambieranno le relazioni che ti faranno passare alle vere correnti (flussi) di ramo, che sono quelli che realmente circolano nel tronco magnetico.
BTW per il segno del flusso concatenato ti consiglio di considerare "positivo" il verso concorde a quello associato ad una corrente positiva nello stesso.
"Il circuito ha sempre ragione" (Luigi Malesani)
0
voti
Grazie mille!!!
Accidenti è proprio così!!! :)
Però io mi chiedo: come puoi affermare che i flussi concatenati li ottengo proprio in quel modo?
A che regola stai facendo riferimento?
Perché sinceramente, noi abbiamo sempre lavorato con sistemi che avevano 2 generatori con numeri di spire N1 e N2, quindi semplicemente moltiplicavamo il flusso 1 per N1 e il flusso 2 per N2 per trovare i flussi concatenati; vorrei capire come posso essere in grado di ricavare i flussi concatenati partendo da qualsiasi maglia con qualsiasi verso. Questo sarebbe la chiave di tutto per me, evidentemente non l'ho capito...
Poi considera che nel compito ho fatto quella semplice moltiplicazione, quindi ovviamente i coefficienti di auto e mutua induzione sono sbagliati; però almeno il passaggio fino ai flussi è formalmente corretto no? Potrei almeno spiegare all'orale come avrei dovuto lavorare, nel caso riuscissi a passare lo scritto, e in questo caso mi stai aiutando notevolmente! :) Mi manca semplicemente giustificare il perché di quelle maglie :)
Accidenti è proprio così!!! :)
Però io mi chiedo: come puoi affermare che i flussi concatenati li ottengo proprio in quel modo?
A che regola stai facendo riferimento?
Perché sinceramente, noi abbiamo sempre lavorato con sistemi che avevano 2 generatori con numeri di spire N1 e N2, quindi semplicemente moltiplicavamo il flusso 1 per N1 e il flusso 2 per N2 per trovare i flussi concatenati; vorrei capire come posso essere in grado di ricavare i flussi concatenati partendo da qualsiasi maglia con qualsiasi verso. Questo sarebbe la chiave di tutto per me, evidentemente non l'ho capito...
Poi considera che nel compito ho fatto quella semplice moltiplicazione, quindi ovviamente i coefficienti di auto e mutua induzione sono sbagliati; però almeno il passaggio fino ai flussi è formalmente corretto no? Potrei almeno spiegare all'orale come avrei dovuto lavorare, nel caso riuscissi a passare lo scritto, e in questo caso mi stai aiutando notevolmente! :) Mi manca semplicemente giustificare il perché di quelle maglie :)
1
voti
pinklady ha scritto:Però io mi chiedo: come puoi affermare che i flussi concatenati li ottengo proprio in quel modo? A che regola stai facendo riferimento?
La regola e' unica
se poi l'avvolgimento non e' tutto concatenato con lo stesso flusso, come in questo caso, il flusso concatenato totale sara' la somma algebrica dei due flussi concatenati parziali.
L'unica cosa che devi ricordare e' come considerarne i segni, ed e' proprio per questo che ti suggerivo nel precedente post di prendere come convenzione di verso positivo per il flusso quello che e' concorde al flusso auto-prodotto dall'avvolgimento; per esempio per l'avvolgimento sulla colonna centrale, la corrente I1 circolando nell'avvolgimento porterebbe ad un flusso rivolto verso l'alto ... e questa sara' la tua convenzione positiva
e quindi con la prima scelta dei versi

mentre con la seconda

non so se mi sono spiegato !
BTW rileggi anche i post precedenti che, come sempre faccio, ho progressivamente aggiornato
"Il circuito ha sempre ragione" (Luigi Malesani)
0
voti
Un piccolo aggiornamento; ho dimenticato di sottolineare che nella relazione
il primo termine e' errato, ovvero doveva essere scritto 2N*F2 sei d'accordo?
FC2 = 2N*F1+N(F2-F1)
il primo termine e' errato, ovvero doveva essere scritto 2N*F2 sei d'accordo?
"Il circuito ha sempre ragione" (Luigi Malesani)
0
voti
D'accordissimo!!!
Ora che me lo fai notare, ho copiato male nella risoluzione, però è chiaro che è il flusso 2 che ha 2N spire.
Mi fa una rabbia non averci potuto ragionare prima di vedere la soluzione!!!
Ora che me lo fai notare, ho copiato male nella risoluzione, però è chiaro che è il flusso 2 che ha 2N spire.
Mi fa una rabbia non averci potuto ragionare prima di vedere la soluzione!!!
9 messaggi
• Pagina 1 di 1
Torna a Elettrotecnica generale
Chi c’è in linea
Visitano il forum: Nessuno e 19 ospiti

Elettrotecnica e non solo (admin)
Un gatto tra gli elettroni (IsidoroKZ)
Esperienza e simulazioni (g.schgor)
Moleskine di un idraulico (RenzoDF)
Il Blog di ElectroYou (webmaster)
Idee microcontrollate (TardoFreak)
PICcoli grandi PICMicro (Paolino)
Il blog elettrico di carloc (carloc)
DirtEYblooog (dirtydeeds)
Di tutto... un po' (jordan20)
AK47 (lillo)
Esperienze elettroniche (marco438)
Telecomunicazioni musicali (clavicordo)
Automazione ed Elettronica (gustavo)
Direttive per la sicurezza (ErnestoCappelletti)
EYnfo dall'Alaska (mir)
Apriamo il quadro! (attilio)
H7-25 (asdf)
Passione Elettrica (massimob)
Elettroni a spasso (guidob)
Bloguerra (guerra)


