Circuito dinamico primo ordine: calcolo tensione induttore
Moderatori:
g.schgor,
IsidoroKZ
18 messaggi
• Pagina 2 di 2 • 1, 2
0
voti
Perché non provi a "sistemare" la rete vista dai morsetti dell'induttore in modo tale da vedere meglio le operazioni da fare?
E questo l'hai finito?
E questo l'hai finito?
Il Conte di Montecristo
Se non studio un giorno, me ne accorgo io. Se non studio due giorni, se ne accorge il pubblico.
Io devo studiare sodo e preparare me stesso perché prima o poi verrà il mio momento.
Abraham Lincoln
Se non studio un giorno, me ne accorgo io. Se non studio due giorni, se ne accorge il pubblico.
Io devo studiare sodo e preparare me stesso perché prima o poi verrà il mio momento.
Abraham Lincoln
-

EdmondDantes
11,9k 8 11 13 - Disattivato su sua richiesta
- Messaggi: 3619
- Iscritto il: 25 lug 2009, 22:18
- Località: Marsiglia
0
voti
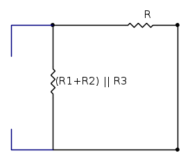
Allora il circuito di partenza è questo:
Procedendo con ordine, per quanto riguarda il calcolo della resistenza di Thevenin, io "scollego" l'induttore e spengo il generatore di tensione (che diventa un cortocircuito) e quindi otterrei (a meno di errori) la seguente rete:
Esatto? Nei due rami in blu non scorrerebbe corrente quindi dovrebbe essere che
e
dovrebbero essere in serie.
Otteniamo il circuito :
In cui dovremmo avere:
in parallelo con 
Otteniamo in seguito:
E qui, se non mi sbaglio, si dovrebbe avere che
è in serie con
.
E' così
RenzoDF o
EdmondDantes?
Qualora dovesse essere corretto potreste darmi una vostra opinione anche sugli altri passaggi che ho fatto nei post successivi al [3]?
Vi rignrazio

Procedendo con ordine, per quanto riguarda il calcolo della resistenza di Thevenin, io "scollego" l'induttore e spengo il generatore di tensione (che diventa un cortocircuito) e quindi otterrei (a meno di errori) la seguente rete:
Esatto? Nei due rami in blu non scorrerebbe corrente quindi dovrebbe essere che
e
dovrebbero essere in serie.Otteniamo il circuito :
In cui dovremmo avere:
in parallelo con 
Otteniamo in seguito:
E qui, se non mi sbaglio, si dovrebbe avere che
è in serie con
.E' così
Qualora dovesse essere corretto potreste darmi una vostra opinione anche sugli altri passaggi che ho fatto nei post successivi al [3]?
Vi rignrazio
3
voti
Visto che non lo chiedi a me, non ti diro` nulla circa la tua soluzione.
Pero` sottolineo che quando si parla di impedenza, si deve sempre pensare a un generatore di test collegato fra i due morsetti fra cui si vuole conoscere l'impedenza (*), dopo aver spento tutti gli altri generatori indipendenti.
Il generatore puo` essere di tensione o di corrente, e si calcola rispettivamente la corrente fornita alla rete o la tensione che si localizza ai capi del generatore.
Prova a mettere un generatore di tensione di test al posto dell'induttanza e vedi che cosa capita.
(*) quando ci sono semplici circuiti si possono usare le regole di serie e parallelo. Ma anche queste sono state ricavate con un generatore di test, semplicemente si sfrutta un risultato noto. Purtroppo pero` dimenticarsi che comunque dietro c'e` sempre un generatore di test puo` provocare degli errori.
Quando si parla di resistenza vista fra due morsetti si parla SEMPRE di un generatore di test, anche se spesso lo si dimentica. Devo ripeterlo ancora una volta? No generatore no impedenza (o ammettenza)!
Pero` sottolineo che quando si parla di impedenza, si deve sempre pensare a un generatore di test collegato fra i due morsetti fra cui si vuole conoscere l'impedenza (*), dopo aver spento tutti gli altri generatori indipendenti.
Il generatore puo` essere di tensione o di corrente, e si calcola rispettivamente la corrente fornita alla rete o la tensione che si localizza ai capi del generatore.
Prova a mettere un generatore di tensione di test al posto dell'induttanza e vedi che cosa capita.
(*) quando ci sono semplici circuiti si possono usare le regole di serie e parallelo. Ma anche queste sono state ricavate con un generatore di test, semplicemente si sfrutta un risultato noto. Purtroppo pero` dimenticarsi che comunque dietro c'e` sempre un generatore di test puo` provocare degli errori.
Quando si parla di resistenza vista fra due morsetti si parla SEMPRE di un generatore di test, anche se spesso lo si dimentica. Devo ripeterlo ancora una volta? No generatore no impedenza (o ammettenza)!
Per usare proficuamente un simulatore, bisogna sapere molta più elettronica di lui
Plug it in - it works better!
Il 555 sta all'elettronica come Arduino all'informatica! (entrambi loro malgrado)
Se volete risposte rispondete a tutte le mie domande
Plug it in - it works better!
Il 555 sta all'elettronica come Arduino all'informatica! (entrambi loro malgrado)
Se volete risposte rispondete a tutte le mie domande
0
voti
Ok
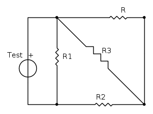
IsidoroKZ devo considerare il circuito in questo modo quindi?
e calcolare la resistenza equivalente vista dal generatore di test?
e calcolare la resistenza equivalente vista dal generatore di test?
0
voti
Oh yeah! Che differenze noti rispetto a quanto hai detto prima?
Quando ci si fa l'abitudine si puo` andare direttamente di serie e parallelo, pero` all'inizio pensare a questo generatore aiuta ad evitare errori.
Quando ci si fa l'abitudine si puo` andare direttamente di serie e parallelo, pero` all'inizio pensare a questo generatore aiuta ad evitare errori.
Per usare proficuamente un simulatore, bisogna sapere molta più elettronica di lui
Plug it in - it works better!
Il 555 sta all'elettronica come Arduino all'informatica! (entrambi loro malgrado)
Se volete risposte rispondete a tutte le mie domande
Plug it in - it works better!
Il 555 sta all'elettronica come Arduino all'informatica! (entrambi loro malgrado)
Se volete risposte rispondete a tutte le mie domande
0
voti
Oh yeah! Che differenze noti rispetto a quanto hai detto prima?
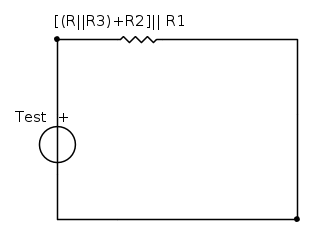
Tante
Allora dovrebbe essere R3 parallelo con R
(R||R3) in serie a R2
E infine si ha:
E' così?
Hai perfettamente ragione
Grazie mille davvero
1
voti
Io, da idraulico, non metto un generatore ... ma ci impianto due bei Chiodi
"Il circuito ha sempre ragione" (Luigi Malesani)
0
voti
Pure io, generalmente.
Il Conte di Montecristo
Se non studio un giorno, me ne accorgo io. Se non studio due giorni, se ne accorge il pubblico.
Io devo studiare sodo e preparare me stesso perché prima o poi verrà il mio momento.
Abraham Lincoln
Se non studio un giorno, me ne accorgo io. Se non studio due giorni, se ne accorge il pubblico.
Io devo studiare sodo e preparare me stesso perché prima o poi verrà il mio momento.
Abraham Lincoln
-

EdmondDantes
11,9k 8 11 13 - Disattivato su sua richiesta
- Messaggi: 3619
- Iscritto il: 25 lug 2009, 22:18
- Località: Marsiglia
18 messaggi
• Pagina 2 di 2 • 1, 2
Torna a Elettrotecnica generale
Chi c’è in linea
Visitano il forum: Nessuno e 30 ospiti

Elettrotecnica e non solo (admin)
Un gatto tra gli elettroni (IsidoroKZ)
Esperienza e simulazioni (g.schgor)
Moleskine di un idraulico (RenzoDF)
Il Blog di ElectroYou (webmaster)
Idee microcontrollate (TardoFreak)
PICcoli grandi PICMicro (Paolino)
Il blog elettrico di carloc (carloc)
DirtEYblooog (dirtydeeds)
Di tutto... un po' (jordan20)
AK47 (lillo)
Esperienze elettroniche (marco438)
Telecomunicazioni musicali (clavicordo)
Automazione ed Elettronica (gustavo)
Direttive per la sicurezza (ErnestoCappelletti)
EYnfo dall'Alaska (mir)
Apriamo il quadro! (attilio)
H7-25 (asdf)
Passione Elettrica (massimob)
Elettroni a spasso (guidob)
Bloguerra (guerra)












